示例:如何创建 HSC 程序
本例展示了如何创建使用正交编码器并具有可编程限位开关 (Programmable Limit Switch, PLS) 功能的 HSC 程序。
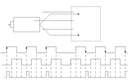
示例中使用的正交编码器
HSC 程序示例采用 HSC 功能块和带相位输入 A 与 B 的正交计数器。正交编码器确定旋转方向和旋转设备(例如车床)位置。双向计数器将对正交编码器的旋转计数。
以下正交编码器连接到输入 0 和 1。计数方向由 A 和 B 之间的相位角决定:
- 如果 A 先于 B,则计数器递增。
- 如果 B 先于 A,则计数器递减。
正交编码器示例

创建 HSC 程序
执行以下任务以创建、生成和测试 HSC 程序,然后添加 PLS 功能。
提供反馈