搜索
Studio 5000 Logix Designer 联机帮助
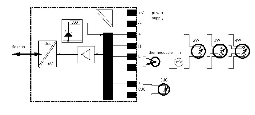
布线图 - 1797-IRT8
1797-IRT8 使用 1797-TB3 或 1797-TB3S 终端基座。下图显示了终端基座布线。
客户连接
模块 (Module) 信息
提供反馈
对本文档有问题或反馈吗? 请在
这里提交您的反馈
。
Normal