布线图 - 1794-IB10XOB6,输入
输入 1794-IB10XOB6 的推荐终端基座是 1794-TB3。下面显示了 1794-TB3 的布线图。1794-IB10XOB6 的兼容终端基座是 1794-TB3S。下面也显示了 1794-TB3S 的布线图。
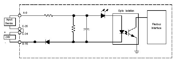
输入 0 的典型简化示意图

要将 1794-IB10XOB6 连接到 1794-TB3 或 1794-TB3S 终端基座部件,请使用下列步骤 (Step)。
- 将相关输入或输出电源连接到下表中标示的每个终端基座部件的 34-51 行 (C) 中的相应接线端。(电源接线端 34 至 51 在内部连接在一起。)
- 将 +24V 直流电源连接到 34-51 行 (C) 中的接线端 34。
- 如果需要继续将电源线连接到下一个终端基座部件,则在此基座部件的接线端 51(+24V 直流)到下一个基座部件上的接线端 34 之间连接跳线。
- 将相关输入或输出电源连接到下表中标示的每个终端基座部件的 16-33 (C) 行中的相应接线端。(返回线在内部连接到一起。)
- 将 24V 直流返回线连接到 16-33 行 (B) 中的接线端 16。
- 如果需要继续将 24V 返回线连接到下一个终端基座部件,则在此基座部件的接线端 33(返回)到下一个基座部件上的接线端 16 之间连接跳线。
- 将各个输入和输出布线连接到 00-15 和 (A) 上的编号接线端,如下表所示。注意:终端基座通过的总电流不超过 10A。可能需要连接多条电源线。
布线

提供反馈