搜索
Studio 5000 Logix Designer 联机帮助
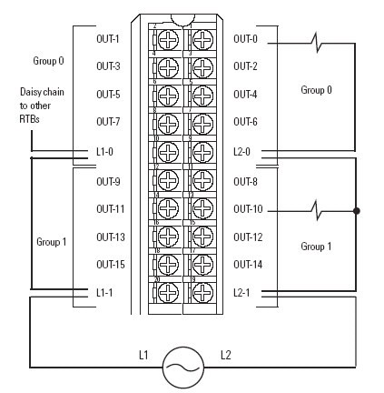
布线图 1756-OG16
此布线示例演示了单一电压电源。
当以菊花链方式从一个组连接到其它 RTB 时,务必按图中显示的方式连接菊花链。永远不要将两条以上的电缆连接到任何单个接线端。
模块 (Module) 信息
提供反馈
对本文档有问题或反馈吗? 请在
这里提交您的反馈
。
Normal