布线图 1756-OB8EI、1756-OB8I
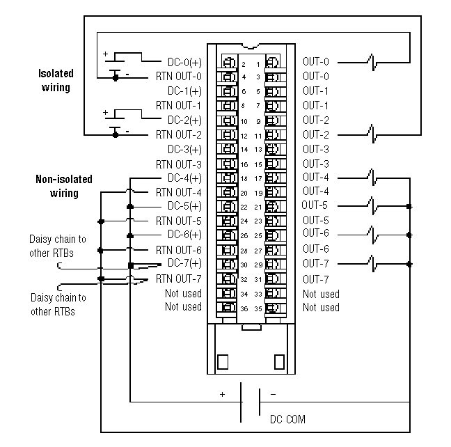
在此模块 (Module) 上,所有同名的接线端连接到一起。例如,负载可以连接到任何一个标有 OUT-0 的接线端。
当以菊花链方式连接到其它 RTB 时,务必将菊花链连接到直接与电源线相连的接线端,如下所示。
1756-OB8EI RTB 接线端分配 ![]() | 1756-OB8EI ![]() | |
您可以通过可拆卸接线板 (RTB) 将直流额定值为 10-30V 的现场设备连接到 1756-OB8I 模块 (Module) 的 Output 和 GND 接线端,以此来操作这些现场设备。必须通过 RTB 将电源连接到模块 (Module) 的 VDC 和 GND 接线端。 您可以通过背板和控制器 (controller) 来控制 1756-OB8I 模块 (module)。 当“输出”配置为“关”状态时,模块 (Module) 中的输出设备不会打开,并且不会有电流传到设备。当“输出”配置为“开”状态时,模块 (Module) 中的输出设备会打开,并且会有电流传到设备。 1756-OB8I 模块 (Module) 能够驱动每个通道为 2mA 到 2.0A、每个模块为 16A 的负载 (Ta=60’C)。 | ||
1756-OB8I RTB 接线端分配 ![]() | 1756-OB8I ![]() | |
提供反馈



