搜索
Studio 5000 Logix Designer 联机帮助
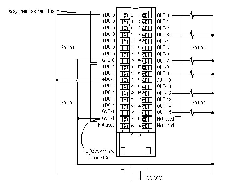
布线图 1756-OB16D
在此模块 (Module) 上,所有同名的接线端连接到一起。例如,DC COM 可以连接到任何一个标有 GND-1 的终端。
当以菊花链方式从一个组连接到另一个 RTB 时,务必将菊花链连接到直接与电源线相连的接线端,如下所示。
此布线示例演示了单一电压电源。
模块 (Module) 信息
提供反馈
对本文档有问题或反馈吗? 请在
这里提交您的反馈
。
Normal