布线图 - 1756-IV16
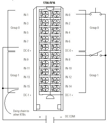
在此模块 (Module) 上,所有同名的接线端连接到一起。例如,DC COM 可以连接到任何一个标有 GND-0 的终端。 当以菊花链方式从一个组连接到另一个 RTB 时,务必将菊花链连接到直接与电源线相连的接线端,如下所示。 此布线示例演示了单一电压电源。 如果使用了不同的电源,则不要超出指定的绝缘电压。 | ![]() |
提供反馈
在此模块 (Module) 上,所有同名的接线端连接到一起。例如,DC COM 可以连接到任何一个标有 GND-0 的终端。 当以菊花链方式从一个组连接到另一个 RTB 时,务必将菊花链连接到直接与电源线相连的接线端,如下所示。 此布线示例演示了单一电压电源。 如果使用了不同的电源,则不要超出指定的绝缘电压。 | ![]() |