搜索
Studio 5000 Logix Designer 联机帮助
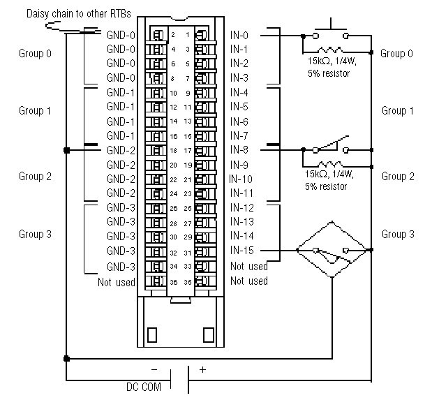
布线图 - 1756-IB16D
模块 (Module) 信息
提供反馈
对本文档有问题或反馈吗? 请在
这里提交您的反馈
。
Normal