布线图 - 1756-IA16
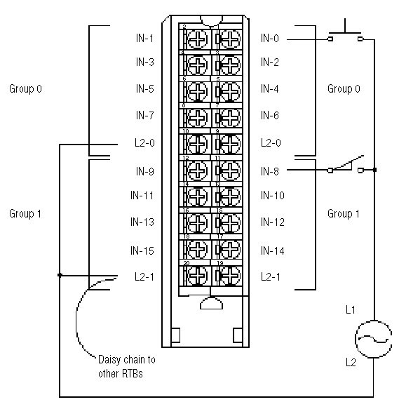
![]() | 在此模块 (Module) 上,所有同名的接线端连接到一起。例如,L2 可以连接到任何标有 L2-0 的终端。 当以菊花链方式从一个组连接到另一个 RTB 时,务必将菊花链连接到直接与电源线相连的接线端,如下所示。 此布线示例演示了单一电压电源。 | ![]() |
提供反馈
![]() | 在此模块 (Module) 上,所有同名的接线端连接到一起。例如,L2 可以连接到任何标有 L2-0 的终端。 当以菊花链方式从一个组连接到另一个 RTB 时,务必将菊花链连接到直接与电源线相连的接线端,如下所示。 此布线示例演示了单一电压电源。 | ![]() |