编码器模式 - 1794-VHSC
编码器模式允许 模块 (Module) 读取输入正交脉冲数并以二进制数 (0 - 16,777,215) 的形式将其返回给控制器 (Controller)。
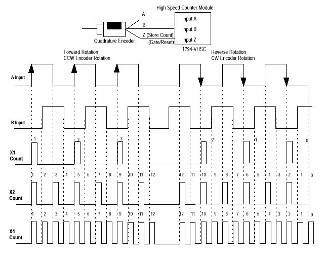
在此模式下,模块 (Module) 接受两相正交反馈,并根据两相之间的关系向上计数或向下计数。
- 编码器 X1 模式– 正交输入信号在通道 A 的前沿或后沿进行双向计数。通道 A 与通道 B 之间的相位关系决定方向。如果通道 A 领先且通道 B 悬空,则计数方向为向上;如果通道 A 落后且通道 B 为高,则计数方向为向下。
- 编码器 X2 模式– 正交输入信号在通道 A 的前沿和后沿进行双向计数。通道 B 决定方向。如果 B 为低(例如,悬空),则计数方向为向上;如果 B 为高,则计数方向为向下。
- 编码器 X4 模式– 正交输入信号在通道 A 和通道 B 的前沿和后沿进行双向计数。通道 B 决定方向。如果 B 为低(例如,悬空),则计数方向为向上;如果 B 为高,则计数方向为向下。
模块 (Module) 可以向上计数或向下计数,取决于每个计数器的 B 输入情况。在编码器应用中,计数器在输入 A 的前沿递增,而输入 B 确定计数的方向。
也可以选择 X1、X2 和 X4 乘以输入脉冲数。下图显示编码器应用中正向和反向时输入 A 与 B 之间的关系。

提供反馈