双手操作工作站 (THRS)
该指令适用于 Compact GuardLogix 5370、GuardLogix 5570、Compact GuardLogix 5380、GuardLogix 5580 和 ControlLogix 5590 控制器。
“双手操作工作站”(THRS) 指令提供一种方法,将作为单个操作启动按钮使用的两个非关系输入按钮合并到软件可编程环境中。
使用此指令中的“激活状态锁定”输入,还可将工作站插入流程控制或从中将工作站移除。“双手操作工作站(附带激活状态锁定)”指令获取四路输入(每个按钮两路),并将其转化为单一信号,以用于应用的其余部分。
可用语言
梯形图

功能块
此指令不可用于功能块中。
结构化文本
此指令不可用于结构化文本中。
操作数
重要提示:
如果发生以下情况,可能会出现意外操作,包括控制器断言或重大不可恢复故障:
- 备用标签成员被写入。
- 备用标签被多个指令调用共享。
- 备用标签成员作为参数传递给由同一备用标签控制的指令。
- 备用标签.EnableIn成员在程序中的任意位置被引用。.EnableIn是一个参数,表示指令中的梯级状态,仅供内部使用。有关这些备用标签不当用法的示例,请参阅可能导致意外操作的备用标签用法。
重要提示:
确保将安全输入模块配置为单个输入,而非“相同”或“互补”。这些指令提供所有必要的双通道功能,以实现 PLd(3 类)或 PLe(4 类)安全功能。
下表介绍指令输入。
操作数 | 数据类型 | 说明 | 值 |
|---|---|---|---|
Active Pin Type | BOOL | 激活状态锁定类型用于确定是否处理输入和激活状态锁定特定的输出。 使能或禁用 | 使能 = 1 或 禁用 = 0 |
Active Pin | BOOL | 工作站的“激活状态锁定” “激活状态锁定”使能 - 置位后,“按钮按下”输出可进入激活状态。清零后,“按钮按下”输出保持 OFF 状态。 “激活状态锁定”禁用 - 显示,但不能使用。 | 初始值 = 0 设置 = 1 |
Right Button Normally Open | BOOL | 右侧按钮常开触点输入 | 安全 = 0 激活 = 1 |
Right Button Normally Closed | BOOL | 右侧按钮常闭触点输入 | 安全 = 1 激活 = 0 |
Left Button Normally Open | BOOL | 左侧按钮常开触点输入 | 安全 = 0 激活 = 1 |
Left Button Normally Closed | BOOL | 左侧按钮常闭触点输入 | 安全 = 1 激活 = 0 |
Fault Reset | BOOL | “故障重置”输入 “激活状态锁定”使能 - 当其由 OFF 跳变为 ON,且已清除故障原因时,“右侧按钮故障”、“左侧按钮故障”和“工作站激活故障”输出清零。 “激活状态锁定”禁用 - 当其由 OFF 跳变为 ON,且已清除故障原因时,“右侧按钮故障”和“左侧按钮故障”输出清零。 | 初始值 = 0 复位 = 1 |
下表给出了指令输出。在许多应用中,输出标签可能表示实际现场设备的状态,也可能是用于表示机器状态信息的内部标签,与其他指令搭配使用。
操作数 | 数据类型 | 说明 | 值 |
按钮按下 (Buttons Pressed) | BOOL | 当按下工作站按钮且不存在故障时使能输出。 | 安全 = 0 激活 = 1 |
工作站激活 (Station Active) | BOOL | 当工作站激活时使能输出。 “激活状态锁定”使能 - 置位时,指示工作站处于激活状态。清零时,指示工作站未激活。 “激活状态锁定”禁用 - 显示,但不能使用,始终为零。 | 初始值 = 0 激活 = 1 |
按钮粘滞 (Button Tiedown) | BOOL | 指示两个按钮未在 500 ms 内相继按下。 当两个按钮均释放时,将清零。 | 初始值 = 0 激活 = 1 |
循环按钮 (Cycle Buttons) | BOOL | 当按钮粘滞指示器置位时,将置位。当按钮粘滞指示器清零时,将清零。 | 初始值 = 0 激活 = 1 |
工作站激活故障 (Station Active Fault) | BOOL | “激活状态锁定”使能 - 当工作站处于未激活状态时,此参数将置位。 “激活状态锁定”禁用 - 显示,但不能使用,始终为零。 | 初始值 = 0 激活 = 1 |
右侧按钮故障 | BOOL | 存在右侧按钮故障。 当右侧按钮常闭输入和右侧按钮常开输入未在 250 ms 内全部接通或全部切断时,将置位。 | 初始值 = 0 激活 = 1 |
左侧按钮故障 | BOOL | 存在左侧按钮故障。 当左侧按钮常闭输入和左侧按钮常开输入未在 250 ms 内全部接通或全部切断时,将置位。 | 初始值 = 0 激活 = 1 |
存在故障 (Fault Present) | BOOL | 存在一个或多个故障。 “激活状态锁定”使能 - 当“工作站激活故障”、“右侧按钮故障”或“左侧按钮故障”输出置位时,将置位。当“工作站激活故障”、“右侧按钮故障”或“左侧按钮故障”输出清零时,将清零。 “激活状态锁定”禁用 - 当工作站右侧按钮故障或“左侧按钮故障”输出置位时,将置位。当右侧按钮故障和“左侧按钮故障”输出清零时,将清零。 | 初始值 = 0 激活 = 1 |
重要提示:
在任何情况下,均不要对任何指令输出标签执行写操作。
示例

操作
正常运行
此指令获取四路输入(每个按钮两路),并将其转化为单一信号,以用于应用的其余部分。
以下时序图展示了这些正常运行状态变化:

有关如何控制与常闭通道相关的输入数据的信息,请参见
安全指令
主题中的断电脱扣
部分。按钮粘滞操作
“双手操作工作站”指令还用于监视四个输路,确保其不会出现故障或意外失效。如果按钮在 500 ms (t1) 内未相继按下,此指令会生成按钮粘滞条件,阻止“按钮按下”输出进入激活状态。
以下时序图展示了这些状态变化:

循环按钮运行
如果当按钮按下激活时,其中一个按钮由激活状态跳变为安全状态,并在另一个按钮跳变为安全状态之前返回激活状态,此指令会将“循环按钮”输出提示置位,并且直到两个按钮完成由安全状态到激活状态的循环,“按钮按下”输出才会再次进入激活状态。
以下时序图展示了这些状态变化。

按钮故障下的运行
此指令还监视来自各按钮的各个输入。如果其中一个按钮的两个触点处于相反安全状态的时间超过 250 ms (t1),则会将相应的故障参数(左侧按钮故障或右侧按钮故障)置位。此外,还会将“存在故障”输出置位。
只要存在上述任一种故障,就会将“按钮按下”输出设置为安全状态。
以下时序图展示了这些状态变化:
左侧按钮故障

右侧按钮故障

假梯级状态行为
在假梯级执行该指令时,除了所有输出(包括提示和故障指示器)置零外,其行为与真梯级状态完全相同。当梯级状态变为真时,输出将根据指令逻辑置位。
影响数学状态标志
否
严重/轻微故障
没有特定于此指令的故障。对于数组索引故障,请参阅 数组索引编制。
执行
条件/状态 | 执行的操作 |
|---|---|
预扫描 | .BP、.SA、.BT、.CB、.SAF、.RBF、.LBF 和 .FP 设置为假。 |
梯级输入条件为假 | 此指令按“假梯级状态行为”部分所述执行。 |
梯级输入条件为真 | 此指令按正常运行部分所述执行。 |
后扫描 | 与梯级输入条件为假时相同。 |
示例
I/O 接线与指令参数的关系
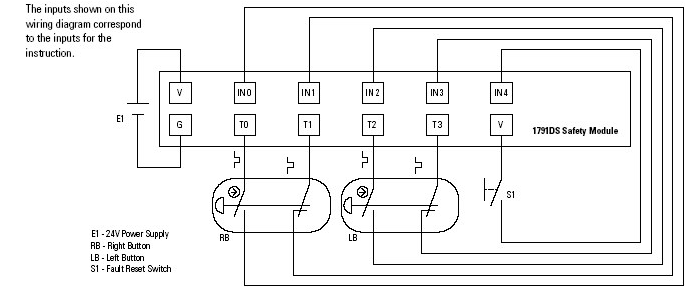
激活状态锁定禁用时双手操作工作站的接线与编程
重要提示:
若释放运行按钮时,四路运行按钮输入均处于安全状态,则双手操作工作站接线正确。
以下接线图显示了右侧按钮和左侧按钮与 1791DS 安全 I/O 模块之间的接线方式示例,该示例符合 ISO 13849-1 4 类标准的要求。每个按钮具有 2 个非关系输入通道。

以下编程示例展示了“双手操作工作站(附带激活状态锁定)”指令与上面接线图之间的关系。

根据 ISO 13849-1 4 类标准的要求,需要对输入分别进行脉冲测试。应使用
Logix Designer
编程应用程序配置以下 I/O 模块参数,来进行脉冲测试。输入配置
输入点 | 类型 | 点模式 | 测试源 |
0 (IN0) | 单个 | 安全脉冲测试 | 0 (T0) |
1 (IN1) | 单个 | 安全脉冲测试 | 1 (T1) |
2 (IN2) | 单个 | 安全脉冲测试 | 2 (T2) |
3 (IN3) | 单个 | 安全脉冲测试 | 3 (T3) |
4 (IN4) | 单个 | 安全 | 无 |
测试输出
测试输出点 | 点模式 |
0 (T0) | 脉冲测试 |
1 (T1) | 脉冲测试 |
2 (T2) | 脉冲测试 |
3 (T3) | 脉冲测试 |
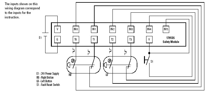
激活状态锁定使能时双手操作工作站的接线与编程
重要提示:
若释放运行按钮时,四路运行按钮输入均处于安全状态,则双手操作工作站接线正确。
以下接线图显示了右侧按钮和左侧按钮与 1791DS 安全 I/O 模块之间的接线方式示例,该示例符合 ISO 13849-1 4 类标准的要求。每个按钮具有 2 个非关系输入通道。

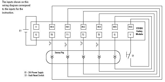
以下接线图显示了空插塞与 1791DS 安全 I/O 模块之间的接线方式示例,该示例符合 ISO 13849-1 4 类标准的要求。每个按钮具有 2 个非关系输入通道。

以下编程示例展示了“双手操作工作站(附带激活状态锁定)”指令与上述接线图之间的关系。

根据 ISO 13849-1 4 类标准的要求,需要对输入分别进行脉冲测试。应使用
Logix Designer
编程应用程序配置以下 I/O 模块参数,来进行脉冲测试。输入配置
输入点 | 类型 | 点模式 | 测试源 |
0 (IN0) | 单个 | 安全脉冲测试 | 0 (T0) |
1 (IN1) | 单个 | 安全脉冲测试 | 1 (T1) |
2 (IN2) | 单个 | 安全脉冲测试 | 2 (T2) |
3 (IN3) | 单个 | 安全脉冲测试 | 3 (T3) |
4 (IN4) | 单个 | 安全 | 无 |
5 (IN5) | 单个 | 安全 | 无 |
测试输出
测试输出点 | 点模式 |
0 (T0) | 脉冲测试 |
1 (T1) | 脉冲测试 |
2 (T2) | 脉冲测试 |
3 (T3) | 脉冲测试 |
提供反馈