冗余输出 (ROUT)
该指令适用于 Compact GuardLogix 5370、GuardLogix 5570、Compact GuardLogix 5380、GuardLogix 5580 和 ControlLogix 5590 控制器。
“冗余输出(附带持续反馈监视)”(ROUT) 指令用于在软件可编程环境中仿真安全继电器的输出功能。
“冗余输出(附带持续反馈监视)”指令可以通过以下两种方法使用:
- 冗余输出(负反馈)(RONF)
- 冗余输出(正反馈)(ROPF)
可用语言
梯形图

功能块
此指令不可用于功能块中。
结构化文本
此指令不可用于结构化文本中。
操作数
重要提示:
如果发生以下情况,可能会出现意外操作,包括控制器断言或重大不可恢复故障:
- 备用标签成员被写入。
- 备用标签被多个指令调用共享。
- 备用标签成员作为参数传递给由同一备用标签控制的指令。
- 备用标签.EnableIn成员在程序中的任意位置被引用。.EnableIn是一个参数,表示指令中的梯级状态,仅供内部使用。有关这些备用标签不当用法的示例,请参阅可能导致意外操作的备用标签用法。
下表介绍指令输入。
操作数 | 数据类型 | 说明 | 值 |
|---|---|---|---|
Feedback Type | BOOL | 反馈类型决定指令是使用负反馈还是正反馈 | 负反馈 = 0 (RONF) 或 正反馈 = 1 (ROPF) |
Enable | BOOL | 使能冗余输出的输入 | 安全 = 0 激活 = 1 |
Feedback 1 | BOOL | 来自由输出 1 直接或间接控制的设备的反馈。 | RONF: 关闭 = 1 打开 = 0 ROPF: 关闭 = 0 打开 = 1 |
Feedback 2 | BOOL | 来自由输出 2 直接或间接控制的设备的反馈。 | RONF: 关闭 = 1 打开 = 0 ROPF: 关闭 = 0 打开 = 1 |
Fault Reset | BOOL | 纠正指令的故障条件后,当此输入由 OFF 跳变为 ON 时,会将此指令的“存在故障”输出清零。 | 初始值 = 0 复位 = 1 |
下表介绍指令输出。
操作数 | 数据类型 | 说明 | 安全、激活和初始值 |
|---|---|---|---|
Output 1 | BOOL | 冗余输出的输出 1 | 安全 = 0 激活 = 1 |
Output 2 | BOOL | 冗余输出的输出 2 | 安全 = 0 激活 = 1 |
Output 1 Feedback Failure | BOOL | 输出 1 反馈在 250 ms 内未指示输出 1 的正确状态。 | 初始值 = 0 故障 = 1 |
Output 2 Feedback Failure | BOOL | 输出 2 反馈在 250 ms 内未指示输出 2 的正确状态。 | 初始值 = 0 故障 = 1 |
Fault Present | BOOL | 当指令中存在故障时,此值置位。当“存在故障”置位时,输出无法进入激活状态。当所有故障清除,并且故障复位输入由 OFF 跳变为 ON 时,“存在故障”输出清零。 | 初始值 = 0 故障 = 1 |
重要提示:
在任何情况下,均不要对任何指令输出标签执行写操作。
操作
正常运行
此指令用于监视单个逻辑输入,并在逻辑输入进入激活状态时激活两个现场输出。

此外,此指令还可监视各个现场输出的反馈通道,如果两个通道在时间限制内未指示相关输出的目标状态,则会生成故障。
以下时序图说明指令的运行:
负反馈

正反馈

假梯级状态行为
在假梯级执行该指令时,除了所有输出(包括提示和故障指示器)置零外,其行为与真梯级状态完全相同。当梯级状态变为真时,输出将根据指令逻辑置位。
影响数学状态标志
否
严重/轻微故障
没有特定于此指令的故障。对于数组索引故障,请参阅 数组索引编制。
执行
条件/状态 | 执行的操作 |
|---|---|
预扫描 | .O1、.O2、.O1FF、.O2FF 和 .FP 设置为假。 |
梯级输入条件为假 | 此指令按“假梯级状态行为”部分所述执行。 |
梯级条件输入为真 | 此指令按正常运行部分所述执行。 |
后扫描 | 此指令按“假梯级状态行为”部分所述执行。 |
示例

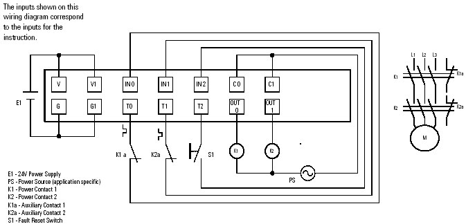
负反馈接线
以下接线图显示了两个接触器和常开辅助触点与 1791DS 安全 I/O 模块之间的接线方式示例,该示例符合 ISO 13849-1 4 类标准的要求。

负反馈编程
以下编程示例展示了使用负反馈的“冗余输出”指令与上面接线图之间的关系。

根据 ISO 13849-1 4 类标准的要求,需要对输入分别进行脉冲测试。应使用
Logix Designer
编程应用程序配置以下 I/O 模块参数,来进行脉冲测试。输入配置
输入点 | 类型 | 点模式 | 测试源 |
0 (IN0) | 单个 | 安全脉冲测试 | 0 (T0) |
1 (IN1) | 单个 | 安全脉冲测试 | 1 (T1) |
2 (IN2) | 单个 | 安全 | 无 |
测试输出
测试输出点 | 点模式 |
|---|---|
0 (T0) | 脉冲测试 |
1 (T1) | 脉冲测试 |
2 (T2) | 电源 |
3 (T3) | 未使用 |
输出配置
点 | 类型 | 点模式 |
0 (OUT0) | 单个 | 安全 |
1 (OUT1) | 单个 | 安全 |
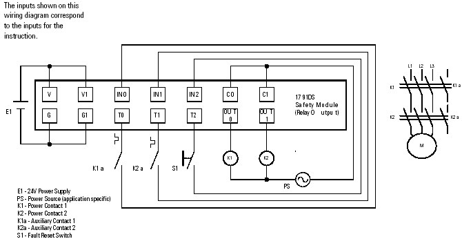
正反馈接线
以下接线图显示了两个接触器和常开辅助触点与 1791DS 安全 I/O 模块之间的接线方式示例,该示例符合 ISO 13849-1 4 类标准的要求。

正反馈编程
以下编程示例展示了“冗余输出”指令(正反馈)与上面接线图之间的关系。

根据 ISO 13849-1 4 类标准的要求,需要对输入分别进行脉冲测试。应使用
Logix Designer
编程应用程序配置以下 I/O 模块参数,来进行脉冲测试。输入配置
输入点 | 类型 | 点模式 | 测试源 |
0 (IN0) | 单个 | 安全脉冲测试 | 0 (T0) |
1 (IN1) | 单个 | 安全脉冲测试 | 1 (T1) |
2 (IN2) | 单个 | 安全 | 无 |
测试输出
测试输出点 | 点模式 |
0 (T0) | 脉冲测试 |
1 (T1) | 脉冲测试 |
2 (T2) | 电源 |
3 (T3) | 未使用 |
输出配置
输出配置 | ||
点 | 类型 | 点模式 |
0 (OUT0) | 单个 | 安全 |
1 (OUT1) | 单个 | 安全 |
提供反馈