急停 (ESTOP)
该指令适用于 Compact GuardLogix 5370、GuardLogix 5570、Compact GuardLogix 5380、GuardLogix 5580 和 ControlLogix 5590 控制器。
“急停”(ESTOP) 指令用于在软件可编程环境中仿真安全继电器的输入功能。
可用语言
梯形图

功能块
此指令不可用于功能块中。
结构化文本
此指令不可用于结构化文本中。
操作数
重要提示:
确保将安全输入模块配置为单个输入,而非“相同”或“互补”。这些指令提供所有必要的双通道功能,以实现 PLd(3 类)或 PLe(4 类)安全功能。
重要提示:
如果发生以下情况,可能会出现意外操作,包括控制器断言或重大不可恢复故障:
- 备用标签成员被写入。
- 备用标签被多个指令调用共享。
- 备用标签成员作为参数传递给由同一备用标签控制的指令。
- 备用标签.EnableIn成员在程序中的任意位置被引用。.EnableIn是一个参数,表示指令中的梯级状态,仅供内部使用。有关这些备用标签不当用法的示例,请参阅可能导致意外操作的备用标签用法。
下表介绍指令输入。
操作数 | 数据类型 | 说明 | 安全、激活和初始值 |
|---|---|---|---|
ESTOP | EMERGENCY_STOP | 此操作数为支持标签。顾名思义,它用于保留每次使用此指令的重要执行信息。请勿重复使用此支持标签,或者在程序的其他任何位置对该标签的任何成员执行写操作。 | - |
Reset Type | BOOL | 复位类型决定着指令针对输出 1 使用手动还是自动复位。 | 手动 (1) 或自动 (0) |
Channel A 1 | BOOL | 通道 A 输入(常开) | 安全 = 0, 激活 = 1 |
Channel B 1 | BOOL | 通道 B 输入(常开) | 安全 = 0, 激活 = 1 |
Circuit Reset | BOOL | 电路复位输入 手动复位 - 在通道 A 和通道 B 从安全状态跳变为激活状态,并且电路复位输入由 0 跳变为 1 后,将输出 1 置位。 自动复位 - 可见,但不使用。 | 初始值 = 0 复位 = 1 |
Fault Reset | BOOL | 指令的故障条件得到纠正后,当该输入由 OFF 跳变为 ON 时,指令的故障输出清零。 | 初始值 = 0 复位 = 1 |
1
如果此输入来自 Guard I/O 输入模块,请确保输入配置为单个输入,而非“相同”或“互补”。下表介绍指令输出。
操作数 | 数据类型 | 说明 | 安全、激活和初始值 |
输出 1 | BOOL | 当满足输入条件时,输出 1 设置为激活状态。 | 安全 = 0 激活 = 1 |
循环输入 (Cycle Inputs) | BOOL | 循环输入提示用户执行操作。通道 A 和通道 B 输入必须同时完成由安全状态到激活状态的循环,电路才能复位,输出 1 才会跳变为 ON。 当通道 A 和通道 B 转换到安全状态时,该提示将清除。 | 初始值 = 0 提示 = 1 |
电路复位保持 On (Circuit Reset Held On) | BOOL | 手动复位 - 当两路输入通道均跳变为激活状态且电路复位输入已跳变为 ON 时,“电路复位保持 On”提示置位。 电路复位输入跳变为 OFF 时,“电路复位保持 On”提示清零。 自动复位 - 可见,但不使用。 | 初始值 = 0 提示 = 1 |
输入不一致 (Inputs Inconsistent) | BOOL | 当通道 A 和通道 B 输入处于不一致状态(一路处于安全状态,另一路处于激活状态)的时间超过不一致时间限制(见下文)时,此故障输出置位。当通道 A 和通道 B 输入恢复一致状态(均为安全或激活状态),并且故障复位输入由 OFF 跳变为 ON 时,此故障输出清零。 不一致时间限制:500 ms | 初始值 = 0 故障 = 1 |
存在故障 (Fault Present) | BOOL | 当指令中存在故障时,此值置位。当“存在故障”置位时,输出 1 无法进入激活状态。当所有故障清除,并且故障复位输入由 OFF 跳变为 ON 时,“存在故障”输出清零。 | 初始值 = 0 故障 = 1 |
重要提示:
在任何情况下,均不要对任何指令输出标签执行写操作。
操作
正常运行
此指令监视两路输入通道的状态,并在满足以下条件时接通输出 1:
- 使用手动复位时:两路输入处于激活状态,电路复位输入由 0 跳变为 1。
- 使用自动复位时:两路输入处于激活状态达 50 ms。
当一路或两路输入通道返回安全状态时,该指令将输出 1 清零。
“急停”(ESTOP) 指令的两路输入通道均为常开输入。两个通道的输入均为 0 时表示安全状态,两个通道的输入为 1 时表示激活状态。
以下时序图展示了这些正常运行状态。

不一致输入下的运行
如果输入通道处于不一致状态(一路处于安全状态,另一路处于激活状态)的时间超过指定的时间,则该指令将发生故障。不一致时间限制为 500 ms (t1)。
此故障条件通过“输入不一致”和“存在故障”输出发布。“存在故障”输出激活时,输出 1 无法进入激活状态。将问题状况清除后,当“故障复位”输入由 0 跳变为 1 时,将清除故障指示。
以下时序图展示了这些状态变化。

电路复位保持 On 时的运行(仅限手动复位)
当输入通道跳变为激活状态时,如果“电路复位”输入置位 (1),则该指令还会将“电路复位保持 On”输出提示置位。
以下时序图展示了这些状态变化。

循环输入运行
如果当输出 1 激活时,其中一路输入通道由激活状态跳变为安全状态,并在另一路输入通道跳变为安全状态之前返回激活状态,“循环输入”输出提示将会置位。直到两路输入通道完成由安全状态到激活状态的循环,输出 1 才会再次进入激活状态。
以下时序图展示了这些状态变化:

假梯级状态行为
在假梯级执行该指令时,除了所有输出(包括提示和故障指示器)置零外,其行为与真梯级状态完全相同。当梯级状态变为真时,输出将根据指令逻辑置位。
影响数学状态标志
否
严重/轻微故障
没有特定于此指令的故障。对于数组索引故障,请参阅 数组索引编制。
执行
条件/状态 | 执行的操作 |
|---|---|
预扫描 | .O1、.CI、.CRHO、.II 和 .FP 设置为假。 |
梯级输入条件为假 | 此指令按“假梯级状态行为”部分所述执行。 |
梯级输入条件为真 | 此指令按正常运行部分所述执行。 |
后扫描 | 此指令按“假梯级状态行为”部分所述执行。 |
示例
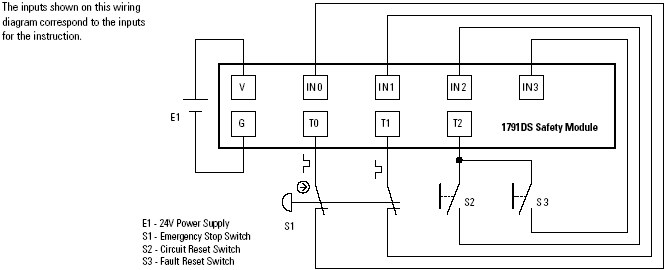
急停(手动复位)接线
以下接线图显示了带两个常开触点的双通道急停开关与 1791DS 安全 I/O 模块之间的接线方式示例,该示例符合 ISO 13849-1 4 类标准的要求。

手动复位编程示例
以下编程示例展示了“急停”指令(手动复位)与上面接线图之间的关系。

根据 ISO 13849-1 4 类标准的要求,需要对输入分别进行脉冲测试。应使用 Logix Designer 应用程序配置以下 I/O 模块操作数,来进行脉冲测试。
输入配置 | |||
输入点 | 类型 | 点模式 | 测试源 |
0 (IN0) | 单个 | 安全脉冲测试 | 0 (T0) |
1 (IN1) | 单个 | 安全脉冲测试 | 1 (T1) |
2 (IN2) | 单个 | 安全 | 无 |
3 (IN3) | 单个 | 安全 | 无 |
测试输出 | |
测试输出点 | 点模式 |
0 (T0) | 脉冲测试 |
1 (T1) | 脉冲测试 |
2 (T2) | 电源 |
3 (T3) | 未使用 |
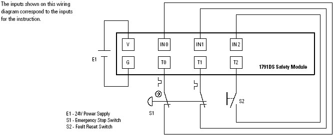
自动复位接线与编程
以下接线图显示了带常开触点的双通道急停开关与 1791DS 安全 I/O 模块之间的接线方式示例,该示例符合 ISO 13849-1 4 类标准的要求。
小贴士:
许多安全标准(EN 60204、ISO 13849-1)都规定,在使用自动电路复位功能时,必须实施其他安全措施,以确保系统或应用中不会发生意外(或不当)启动。

自动复位编程示例
以下编程示例展示了“急停”指令(自动复位)与上面接线图之间的关系。

根据 ISO 13849-1 4 类标准的要求,需要对输入分别进行脉冲测试。应使用 Logix Designer 应用程序配置以下 I/O 模块操作数,来进行脉冲测试。
输入配置 | |||
输入点 | 类型 | 点模式 | 测试源 |
0 (IN0) | 单个 | 安全脉冲测试 | 0 (T0) |
1 (IN1) | 单个 | 安全脉冲测试 | 1 (T1) |
2 (IN2) | 单个 | 安全 | 无 |
测试输出 | |
测试输出点 | 点模式 |
0 (T0) | 脉冲测试 |
1 (T1) | 脉冲测试 |
2 (T2) | 电源 |
提供反馈