模块化多变量控制 (MMC)
此信息适用于
CompactLogix
5370、ControlLogix
5570、Compact GuardLogix
5370、GuardLogix
5570、Compact GuardLogix
5380、CompactLogix
5380、ControlLogix
5580、GuardLogix
5580 和 ControlLogix 5590 控制器。模块化多变量控制 (MMC) 指令使用多达三个控制变量来控制两个过程变量,使其达到设置点。在自动模式下,MMC 基于 PV1 - SP1 偏差、PV2 - SP2 偏差、内部模型和调谐,计算控制变量(CV1、CV2 和 CV3)。
可用语言
梯形图
此指令不可用于梯形图逻辑中。
功能块

结构化文本
MMC(MMC_tag);
操作数
功能块
操作数: | 类型 | 格式 | 说明 |
MMC 标签 | MODULAR MULTIVARIABLE CONTROL | 结构 | MMC 结构 |
结构化文本
操作数: | 类型 | 格式 | 说明 |
MMC 标签 | MODULAR MULTIVARIABLE CONTROL | 结构 | MMC 结构 |
结构
下表介绍 MMC 功能块的输入参数。
输入参数 | 数据类型 | 说明 | 值 |
|---|---|---|---|
EnableIn | BOOL | 启用输入。如果为“假”,则功能块不执行,输出也不会更新。 | 默认值 = 真 |
PV1 | REAL | 经过标定的过程变量输入 1。该值通常从模拟输入模块中读取。 | 有效值 = 任意浮点值 默认值 = 0.0 |
PV2 | REAL | 经过标定的过程变量输入 2。该值通常从模拟输入模块中读取。 | 有效值 = 任意浮点值 默认值 = 0.0 |
PV1Fault | BOOL | PV1 不良状况指示器。如果 PV1 从模拟输入中读取,则 PV1Fault 通常由模拟输入故障状态控制。如果 PVFault 为 TRUE,则表示输入模块存在错误,会置位 Status 中的相应位。FALSE = 状况良好 | 默认值 = 假 |
PV2Fault | BOOL | PV2 不良状况指示器。如果从模拟输入读取 PV2,则 PV2Fault 通常由模拟输入故障状态控制。如果 PVFault 为 TRUE,则表示输入模块存在错误,会置位 Status 中的相应位。FALSE = 状况良好 | 默认值 = 假 |
PV1EUMax | REAL | PV1 的最大标定值。对应于过程变量 100% 量程的 PV1 和 SP1 的值。如果 PV1EUMax ≤ PV1EUMin,会将 Status 中的相应位置位。 | 有效值 = PV1EUMin < PV1EUMax <= 最大正浮点值 默认值 = 100.0 |
PV2EUMax | REAL | PV2 的最大标定值。对应于过程变量 100% 量程的 PV2 和 SP2 的值。如果 PV2EUMax ≤ PV2EUMin,则置位 Status 中的相应位。 | 有效值 = PV2EUMin < PV2EUMax <= 最大正浮点值 默认值 = 100.0 |
PV1UEMin | REAL | PV1 的最小标定值。对应于过程变量 0% 量程的 PV1 和 SP1 的值。如果 PV1EUMax ≤ PV1EUMin,会将 Status 中的相应位置位。 | 有效值 = 最大负浮点值 <= PV1EUMin < PV1EUMax 默认值 = 0.0 |
PV2UEMin | REAL | PV2 的最小标定值。对应于过程变量 0% 量程的 PV2 和 SP2 的值。如果 PV1EUMax ≤ PV1EUMin,会将 Status 中的相应位置位。 | 有效值 = 最大负浮点值 <= PV2EUMin < PV2EUMax 默认值 = 0.0 |
SP1Prog | REAL | SP1 程序值,以 PV 单位标定。SP1 在程序控制模式下设为此值。 | 有效值 = SP1LLimit 到 SP1HLimit 默认值 = 0.0 |
SP2Prog | REAL | SP2 程序值,以 PV 单位标定。在程序模式下,SP2 设置为此值。 | 有效值 = SP2LLimit 至 SP2HLimit 默认值 = 0.0 |
SP1Oper | REAL | SP1 操作员值,以 PV 单位标定。在操作员控制模式下,SP1 设置为此值。 如果 SP1Prog 或 SP1Oper 的值 < SP1LLimit,或 > SP1HLimit,则会置位 Status 中的相应位,并限制用于 SP 的值。 | 有效值 = SP1LLimit 到 SP1HLimit 默认值 = 0.0 |
SP2Oper | REAL | SP2 操作员值,以 PV 单位标定。在操作员控制模式下,SP2 设置为此值。 如果 SP2Prog 或 SP2Oper 的值 < SP2LLimit 或 > SP2HLimit,则置位 Status 中的相应位,并限制 SP 的值。 | 有效值 = SP2LLimit 至 SP2HLimit 默认值 = 0.0 |
SP1HLimit | REAL | SP1 上限值,以 PV 单位标定。
| 有效值 = SP1LLimit 至 PV1EUMax 默认值 = 100.0 |
SP2HLimit | REAL | SP2 上限值,以 PV 单位为刻度。
| 有效值 = SP2LLimit 至 PV2EUMax 默认值 = 100.0 |
SP1LLimit | REAL | SP1 下限值,以 PV 单位标定。
| 有效值 = PV1EUMin 至 SP1HLimit 默认值 = 0.0 |
SP2LLimit | REAL | SP2 下限值,以 PV 单位为刻度。
| 有效值 = PV2EUMin 至 SP2HLimit 默认值 = 0.0 |
CV1Fault | BOOL | 控制变量 1 不良状况指示器。如果 CV1EU 控制模拟输出,则 CV1Fault 通常由该模拟输出的故障状态引起。 如果 CV1Fault 为“真”,则表示输出模块存在错误,会将 Status 中的相应位置位。假 = 状况良好 | 默认值 = 假 |
CV2Fault | BOOL | 控制变量 2 不良状况指示器。如果 CV2EU 控制模拟输出,则 CV2Fault 通常来自于模拟输出的故障状态。 如果 CV2Fault 为“真”(TRUE),则指示输出模块存在错误,并且置位 Status 中的相应位。假 (FALSE) = 状况良好 | 默认值 = 假 |
CV3Fault | BOOL | 控制变量 3 不良状况指示器。如果 CV3EU 控制模拟输出,则 CV3Fault 通常来自于模拟输出的故障状态。 如果 CV3Fault 为“真”(TRUE),则指示输出模块存在错误,并且置位 Status 中的相应位。假 (FALSE) = 状况良好 | 默认值 = 假 |
CV1InitReq | BOOL | CV1 初始化请求。当为“真”时,会将 CV1EU 设置为 CV1InitValue 的值。该信号通常由受控于 CV1EU 的模拟输出模块上的 In Hold 状态控制,或者从次级回路的 InitPrimary 输出获得。 当 CV1Faulted 或 CV1EUSpanInv 为“真”时,会禁用指令初始化。 | 默认值 = 假 |
CV2InitReq | BOOL | CV2 初始化请求。当为“真”(TRUE) 时,会将 CV2EU 设置为 CV2InitValue 的值。该信号通常由受控于 CV2EU 的模拟输出模块上的 In Hold 状态控制,或者从次级回路的 InitPrimary 输出获得。 当 CV2Faulted 或 CV2EUSpanInv 为“真”(TRUE) 时,会禁用指令初始化。 | 默认值 = 假 |
CV3InitReq | BOOL | CV3 初始化请求。当为“真”(TRUE) 时,会将 CV3EU 设置为 CV3InitValue 的值。该信号通常由受控于 CV3EU 的模拟输出模块上的 In Hold 状态控制,或者从次级回路的 InitPrimary 输出获得。 当 CV3Faulted 或 CV3EUSpanInv 为“真”(TRUE) 时,会禁用指令初始化。 | 默认值 = 假 |
CV1InitValue | REAL | CV1EU 初始化值,以 CV1EU 单位标定。当 CV1Initializing 为“真”(TRUE) 时,将 CV1EU 设为等于 CV1InitValue 并将 CV1 设为等于相应的百分比值。CV1InitValue 通常从受 CV1EU 控制的模拟输出的反馈获取,或者从次级回路的设置点得出。 当 CV1Faulted 或 CV1EUSpanInv 为“真”时,会禁用指令初始化。 | 有效值 = 任意浮点值 默认值 = 0.0 |
CV2InitValue | REAL | CV2EU 初始化值,以 CV2EU 单位标定。当 CV2Initializing 为 TRUE 时,将 CV2EU 设为等于 CV2InitValue 并且 CV2 设为相应的百分比值。CV2InitValue 通常来自于受 CV2EU 控制的模拟输出的反馈,或者次级回路的设置点。 当 CV2Faulted 或 CV2EUSpanInv 为“真”(TRUE) 时,会禁用指令初始化。 | 有效值 = 任意浮点值 默认值 = 0.0 |
CV3InitValue | REAL | CV3EU 初始化值,以 CV3EU 单位标定。当 CV3Initializing 为“真”(TRUE) 时,将 CV3EU 设为等于 CV3InitValue 并将 CV3 设为等于相应的百分比值。CV3InitValue 通常来自于受 CV3EU 控制的模拟输出的反馈,或者次级回路的设置点。 当 CV3Faulted 或 CV3EUSpanInv 为“真”(TRUE) 时,会禁用指令初始化。 | 有效值 = 任意浮点值 默认值 = 0.0 |
CV1Prog | REAL | 程序-手动模式下的 CV1 值。在程序控制和手动模式下,CV1 设置为此值。 | 有效值 = 0.0 至 100.0 默认值 = 0.0 |
CV2Prog | REAL | 程序-手动模式下的 CV2 值。在程序控制和手动模式下,CV2 设置为此值。 | 有效值 = 0.0 至 100.0 默认值 = 0.0 |
CV3Prog | REAL | 程序-手动模式下的 CV3 值。在程序控制和手动模式下,CV3 设置为此值。 | 有效值 = 0.0 至 100.0 默认值 = 0.0 |
CV1Oper | REAL | 操作员-手动模式下的 CV1 值。
| 有效值 = 0.0 至 100.0 默认值 = 0.0 |
CV2Oper | REAL | 操作员-手动模式下的 CV2 值。
| 有效值 = 0.0 至 100.0 默认值 = 0.0 |
CV3Oper | REAL | 操作员-手动模式下的 CV3 值。
| 有效值 = 0.0 至 100.0 默认值 = 0.0 |
CV1OverrideValue | REAL | 超控模式下的 CV1 值。
| 有效值 = 0.0 至 100.0 默认值 = 0.0 |
CV2OverrideValue | REAL | 超控模式下的 CV2 值。
| 有效值 = 0.0 至 100.0 默认值 = 0.0 |
CV3OverrideValue | REAL | 超控模式下的 CV3 值。在超控模式下,CV3 设置为此值。 此值应对应于回路的安全状态输出。 如果 CV3OverrideValue 的值 < 0 或 >100,则置位 Status 中的相应位,并限制 CV3 的值。 | 有效值 = 0.0 至 100.0 默认值 = 0.0 |
CVManLimiting | BOOL | 限制手动模式下的 CV(n),其中,(n) 可以是 1、2 或 3。如果处于手动模式并且 CVManLimiting 为 TRUE,则 CV(n) 由 CV(n)HLimit 和 CV(n)LLimit 值限制。 | 默认值 = 假 |
CV1EUMax | REAL | CV1EU 的最大值。对应于 100% CV1 的 CV1EU 值。 如果 CVEUMax = CVEUMin,则会将 Status 中的相应位置位。 | 有效值 = 任意浮点值 默认值 = 100.0 |
CV2EUMax | REAL | CV2EU 的最大值。对应于 100% CV2 的 CV2EU 值。 如果 CVEUMax = CVEUMin,则会将 Status 中的相应位置位。 | 有效值 = 任意浮点值 默认值 = 100.0 |
CV3EUMax | REAL | CV3EU 的最大值。对应于 100% CV3 的 CV3EU 值。 如果 CVEUMax = CVEUMin,则会将 Status 中的相应位置位。 | 有效值 = 任意浮点值 默认值 = 100.0 |
CV1EUMin | REAL | CV1EU 的最小值。对应于 0% CV1 的 CV1EU 值。 如果 CVEUMax = CVEUMin,则会将 Status 中的相应位置位。 | 有效值 = 任意浮点值 默认值 = 0.0 |
CV2EUMin | REAL | CV2EU 的最小值。对应于 0% CV2 的 CV2EU 值。 如果 CVEUMax = CVEUMin,则会将 Status 中的相应位置位。 | 有效值 = 任意浮点值 默认值 = 0.0 |
CV3EUMin | REAL | CV3EU 的最小值。对应于 0% CV3 的 CV3EU 值。 如果 CVEUMax = CVEUMin,则会将 Status 中的相应位置位。 | 有效值 = 任意浮点值 默认值 = 0.0 |
CV1HLimit | REAL | CV1 上限值。该值用于设置 CV1HAlarm 输出。当处于自动模式,或者处于手动模式并且 CVManLimiting 为“真”时,该值也用于对 CV1 进行限制。
| 有效值 = CV1LLimit < CV1HLimit ≤ 100.0 默认值 = 100.0 |
CV2HLimit | REAL | CV2 上限值。该值用于设置 CV2HAlarm 输出。当处于自动模式,或者处于手动模式并且 CVManLimiting 为“真”(TRUE) 时,该值也用于对 CV2 进行限制。
| 有效值 = CV2LLimit < CV2HLimit ≤ 100.0 默认值 = 100.0 |
CV3HLimit | REAL | CV3 上限值。该值用于设置 CV3HAlarm 输出。当处于自动模式,或者处于手动模式并且 CVManLimiting 为“真”(TRUE) 时,该值也用于对 CV3 进行限制。
| 有效值 = CV3LLimit < CV3HLimit ≤ 100.0 默认值 = 100.0 |
CV1LLimit | REAL | CV1 下限值。该值用于设置 CV1LAlarm 输出。当处于自动模式,或者处于手动模式并且 CVManLimiting 为“真”(TRUE) 时,该值也用于对 CV1 进行限制。
| 有效值 = 0.0 ≤ CV1LLimit < CV1HLimit 默认值 = 0.0 |
CV2LLimit | REAL | CV2 下限值。该值用于设置 CV2LAlarm 输出。当处于自动模式,或者处于手动模式并且 CVManLimiting 为“真”(TRUE) 时,该值也用于对 CV2 进行限制。
| 有效值 = 0.0 ≤ CV2LLimit < CV1HLimit 默认值 = 0.0 |
CV3LLimit | REAL | CV3 下限值。该值用于设置 CV3LAlarm 输出。当处于自动模式,或者处于手动模式并且 CVManLimiting 设置为 TRUE 时,该值也用于对 CV3 进行限制。
| 有效值 = 0.0 ≤ CV3LLimit < CV1HLimit 默认值 = 0.0 |
CV1ROCPosLimit | REAL | CV1 变化率限值,以百分比/秒表示。仅当处于自动模式,或者处于手动模式并且 CVManLimiting 为 TRUE 时,才使用变化率限制。使用零值将会禁用 CV1 ROC 限制。 如果 CV1ROCLimit 的值 < 0,则会将 Status 中的相应位置位,并禁用 CV1 ROC 限制。 | 有效值 = 0.0 到最大正浮点值 默认值 = 0.0 |
CV2ROCPosLimit | REAL | CV2 变化率限值,以百分比/秒表示。仅当处于自动模式,或者处于手动模式并且 CVManLimiting 为 TRUE 时,才使用变化率限制。该值为零值时,禁用 CV2 ROC 限制。 如果 CV2ROCLimit 的值 < 0,则置位 Status 中的相应位,并禁用 CV2 ROC 限制。 | 有效值 = 0.0 到最大正浮点值 默认值 = 0.0 |
CV3ROCPosLimit | REAL | CV3 变化率限值,以百分比/秒表示。仅当处于自动模式,或者处于手动模式并且 CVManLimiting 为 TRUE 时,才使用变化率限制。该值为零值时,禁用 CV3 ROC 限制。 如果 CV3ROCLimit 的值 < 0,则置位 Status 中的相应位,并禁用 CV3 ROC 限制。 | 有效值 = 0.0 到最大正浮点值 默认值 = 0.0 |
CV1ROCNegLimit | REAL | CV1 变化率限值,以百分比/秒表示。仅当处于自动模式,或者处于手动模式并且 CVManLimiting 为 TRUE 时,才使用变化率限制。使用零值将会禁用 CV1 ROC 限制。 如果 CV1ROCLimit 的值 < 0,则会将 Status 中的相应位置位,并禁用 CV1 ROC 限制。 | 有效值 = 0.0 到最大正浮点值 默认值 = 0.0 |
CV2ROCNegLimit | REAL | CV2 变化率限值,以百分比/秒表示。仅当处于自动模式,或者处于手动模式并且 CVManLimiting 为 TRUE 时,才使用变化率限制。该值为零值时,禁用 CV2 ROC 限制。 如果 CV2ROCLimit 的值 < 0,则置位 Status 中的相应位,并禁用 CV2 ROC 限制。 | 有效值 = 0.0 到最大正浮点值 默认值 = 0.0 |
CV3ROCNegLimit | REAL | CV3 变化率限值,以百分比/秒表示。仅当处于自动模式,或者处于手动模式并且 CVManLimiting 为 TRUE 时,才使用变化率限制。该值为零值时,禁用 CV3 ROC 限制。 如果 CV3ROCLimit 的值 < 0,则置位 Status 中的相应位,并禁用 CV3 ROC 限制。 | 有效值 = 0.0 到最大正浮点值 默认值 = 0.0 |
CV1HandFB | REAL | CV1 HandFeedback 值。当处于手动模式下且 CV1HandFBFault 为假(状况良好)时,将 CV1 设置为该值。该值通常来自现场安装的手控/自动站的输出,用于在手控模式下进行无扰动转换。 如果 CV1HandFB 的值 < 0 或 >100,则置位 Status 中的相应位,并限制用于 CV1 的值。 | 有效值 = 0.0 至 100.0 默认值 = 0.0 |
CV2HandFB | REAL | CV2 HandFeedback 值。当处于手动模式下且 CV2HandFBFault 为“假”(FALSE)(状况良好)时,将 CV2 设置为该值。该值通常来自现场安装的手控/自动站的输出,用于在手控模式下进行无扰动转换。 如果 CV2HandFB 的值 < 0 或 >100,则置位 Status 中的相应位,并限制 CV2 的值。 | 有效值 = 0.0 至 100.0 默认值 = 0.0 |
CV3HandFB | REAL | CV3 HandFeedback 值。当处于手动模式下且 CV3HandFBFault 为“假”(FALSE)(状况良好)时,将 CV3 设置为该值。该值通常来自现场安装的手控/自动站的输出,用于在手控模式下进行无扰动转换。 如果 CV3HandFB 的值 < 0 或 >100,则置位 Status 中的相应位,并限制 CV3 的值。 | 有效值 = 0.0 至 100.0 默认值 = 0.0 |
CV1HandFBFault | BOOL | CV1HandFB 值不良状况指示器。如果从模拟输入中读取 CV1HandFB 值,则 CV1HandFBFault 通常由模拟输入通道的状态控制。 CV1HandFBFault 为真时,指示该输入模块存在错误,并且会将 Status 中的相应位置位。 假 = 状况良好 | 默认值 = 假 |
CV2HandFBFault | BOOL | CV2HandFB 值不良状况指示器。如果从模拟输入中读取 CV2HandFB 值,则 CV2HandFBFault 通常由模拟输入通道的状态控制。 如果 CV2HandFBFault 为“真”(TRUE),则指示输入模块存在错误,并且置位 Status 中的相应位。 假 = 状况良好 | 默认值 = 假 |
CV3HANDFBFault | BOOL | CV3HandFB 值不良状况指示器。如果从模拟输入中读取 CV3HandFB 值,则 CV3HandFBFault 通常由模拟输入通道的状态控制。 如果 CV3HandFBFault 为“真”(TRUE),则指示输入模块存在错误,并且置位 Status 中的相应位。 假 = 状况良好 | 默认值 = 假 |
CV1Target | REAL | 控制变量输出 1 的目标值。 | 有效值 = 0.0 至 100.0 默认值 = 0.0 |
CV2Target | REAL | 控制变量输出 2 的目标值。 | 有效值 = 0.0 至 100.0 默认值 = 0.0 |
CV3Target | REAL | 控制变量输出 3 的目标值。 | 有效值 = 0.0 至 100.0 默认值 = 0.0 |
CV1WindupHIn | BOOL | CV1 积分饱和上限请求。该参数为真时,不允许 CV1 值增加。该信号通常来自次级回路的 CV1WindupHOut 输出。 | 默认值 = 假 |
CV2WindupHIn | BOOL | CV2 积分饱和上限请求。该值为“真”(TRUE) 时,不允许 CV2 值增大。该信号通常来自次级回路的 CV2WindupHOut 输出。 | 默认值 = 假 |
CV3WindupHIn | BOOL | CV3 积分饱和上限请求。该值为“真”(TRUE) 时,不允许 CV3 值增大。该信号通常来自次级回路的 CV3WindupHOut 输出。 | 默认值 = 假 |
CV1WindupLIn | BOOL | CV1 积分饱和下限请求。该参数为真时,不允许 CV1 值减小。该信号通常来自次级回路的 CV1WindupLOut 输出。 | 默认值 = 假 |
CV2WindupLIn | BOOL | CV2 积分饱和下限请求。该值为“真”(TRUE) 时,不允许 CV2 值减小。该信号通常来自次级回路的 CV2WindupLOut 输出。 | 默认值 = 假 |
CV3WindupLIn | BOOL | CV3 积分饱和下限请求。该值为“真”(TRUE) 时,不允许 CV3 值减小。该信号通常来自次级回路的 CV3WindupLOut 输出。 | 默认值 = 假 |
GainEUSpan | BOOL | ModelGain 单位(EU 或量程百分比)。 | 默认值 = 假 FALSE = 量程百分比形式的增益 |
CV1PV1ProcessGainSign | BOOL | 仅用于自动调谐。过程增益的符号 (Delta PV1/Delta CV1)。
| 默认值 = 假 |
CV2PV1ProcessGainSign | BOOL | 仅用于自动调谐。过程增益的符号 (Delta PV1/Delta CV2)。
| 默认值 = 假 |
CV3PV1ProcessGainSign | BOOL | 仅用于自动调谐。过程增益的符号 (Delta PV1/Delta CV3)。
| 默认值 = 假 |
CV1PV2ProcessGainSign | BOOL | 仅用于自动调谐。过程增益的符号 (Delta PV2/Delta CV1)。
| 默认值 = 假 |
CV1PV2ProcessGainSign | BOOL | 仅用于自动调谐。过程增益的符号 (Delta PV2/Delta CV2)。
| 默认值 = 假 |
CV1PV2ProcessGainSign | BOOL | 仅用于自动调谐。过程增益的符号 (Delta PV2/Delta CV3)。
| 默认值 = 假 |
ProcessType | DINT | PV1 和 PV2 的过程类型选择(1 = 积分,0 = 非积分) | 默认值 = 0 |
CV1PV1ModelGain | REAL | CV1 - PV1 的内模增益参数。根据过程方向输入正增益或负增益。 如果 CV1PV1ModelGain = INF 或 NAN,则将 Status 中的相应位置位。 | 有效值 = 最大负浮点值 −> 最大正浮点值 默认值 = 0.0 |
CV2PV1ModelGain | REAL | CV2 - PV1 的内模增益参数。根据过程方向输入正增益或负增益。 如果 CV2PV1ModelGain = INF 或 NAN,则置位 Status 中的相应位。 | 有效值 = 最大负浮点值 −> 最大正浮点值 默认值 = 0.0 |
CV3PV1ModelGain | REAL | CV3 - PV1 的内模增益参数。根据过程方向输入正增益或负增益。 如果 CV3PV1ModelGain = INF 或 NAN,则置位 Status 中的相应位。 | 有效值 = 最大负浮点值 −> 最大正浮点值 默认值 = 0.0 |
CV1PV2ModelGain | REAL | CV1 - PV2 的内模增益参数。根据过程方向输入正增益或负增益。 如果 CV1PV2ModelGain = INF 或 NAN,则置位 Status 中的相应位。 | 有效值 = 最大负浮点值 −> 最大正浮点值 默认值 = 0.0 |
CV2PV2ModelGain | REAL | CV2 - PV2 的内模增益参数。根据过程方向输入正增益或负增益。 如果 CV2PV2ModelGain = INF 或 NAN,则置位 Status 中的相应位。 | 有效值 = 最大负浮点值 −> 最大正浮点值 默认值 = 0.0 |
CV3PV2ModelGain | REAL | CV3 - PV2 的内模增益参数。根据过程方向输入正增益或负增益。 如果 CV3PV2ModelGain = INF 或 NAN,则置位 Status 中的相应位。 | 有效值 = 最大负浮点值 −> 最大正浮点值 默认值 = 0.0 |
CV1PV1ModelTC | REAL | CV1 - PV1 的内模时间常数,以秒为单位。 | 有效值 = 0.0 到最大正浮点值 默认值 = 0.0 |
CV2PV1ModelTC | REAL | CV2 - PV1 的内模时间常数,以秒为单位。 | 有效值 = 0.0 到最大正浮点值 默认值 = 0.0 |
CV3PV1ModelTC | REAL | CV3 - PV1 的内模时间常数,以秒为单位。 | 有效值 = 0.0 到最大正浮点值 默认值 = 0.0 |
CV1PV2ModelTC | REAL | CV1 - PV2 的内模时间常数,以秒为单位。 | 有效值 = 0.0 到最大正浮点值 默认值 = 0.0 |
CV2PV2ModelTC | REAL | CV2 - PV2 的内模时间常数,以秒为单位。 | 有效值 = 0.0 到最大正浮点值 默认值 = 0.0 |
CV3PV2ModelTC | REAL | CV3 - PV2 的内模时间常数,以秒为单位。 | 有效值 = 0.0 到最大正浮点值 默认值 = 0.0 |
CV1PV1ModelDT | REAL | CV1 - PV1 的内模死区时间,以秒为单位。 | 有效值 = 0.0 到最大正浮点值 默认值 = 0.0 |
CV2PV1ModelDT | REAL | CV2 - PV1 的内模死区时间,以秒为单位。 | 有效值 = 0.0 到最大正浮点值 默认值 = 0.0 |
CV3PV1ModelDT | REAL | CV3 - PV1 的内模死区时间,以秒为单位。 | 有效值 = 0.0 到最大正浮点值 默认值 = 0.0 |
CV1PV2ModelDT | REAL | CV1 - PV2 的内模死区时间,以秒为单位。 | 有效值 = 0.0 到最大正浮点值 默认值 = 0.0 |
CV2PV2ModelDT | REAL | CV2 - PV2 的内模死区时间,以秒为单位。 | 有效值 = 0.0 到最大正浮点值 默认值 = 0.0 |
CV3PV2ModelDT | REAL | CV3 - PV2 的内模死区时间,以秒为单位。 | 有效值 = 0.0 到最大正浮点值 默认值 = 0.0 |
CV1PV1RespTC | REAL | 确定 CV1 - PV1 的控制变量操作速度的调谐参数,以秒为单位。 | 有效值 = 0.0 到最大正浮点值 默认值 = 0.0 |
CV2PV1RespTC | REAL | 确定 CV2 - PV1 的控制变量操作速度的调谐参数,以秒为单位。 | 有效值 = 0.0 到最大正浮点值 默认值 = 0.0 |
CV3PV1RespTC | REAL | 确定 CV3 - PV1 的控制变量操作速度的调谐参数,以秒为单位。 | 有效值 = 0.0 到最大正浮点值 默认值 = 0.0 |
CV1PV2RespTC | REAL | 确定 CV1 - PV2 的控制变量操作速度的调谐参数,以秒为单位。 | 有效值 = 0.0 到最大正浮点值 默认值 = 0.0 |
CV2PV2RespTC | REAL | 确定 CV2 - PV2 的控制变量操作速度的调谐参数,以秒为单位。 | 有效值 = 0.0 到最大正浮点值 默认值 = 0.0 |
CV3PV2RespTC | REAL | 确定 CV3 - PV2 的控制变量操作速度的调谐参数,以秒为单位。 | 有效值 = 0.0 到最大正浮点值 默认值 = 0.0 |
PV1Act1stCV | DINT | 用于补偿 PV1-SP1 偏差的第一个 CV。 1=CV1、2=CV2、3=CV3 | 有效值 = 1-3 默认值 = 1 |
PV1Act2ndCV | DINT | 用于补偿 PV1-SP1 偏差的第二个 CV。 1=CV1、2=CV2、3=CV3 | 有效值 = 1-3 默认值 = 2 |
PV1Act3rdCV | DINT | 用于补偿 PV1-SP1 偏差的第三个 CV。 1=CV1、2=CV2、3=CV3 | 有效值 = 1-3 默认值 = 3 |
PV2Act1stCV | DINT | 用于补偿 PV2-SP2 偏差的第一个 CV。 1=CV1、2=CV2、3=CV3 | 有效值 = 1-3 默认值 = 1 |
PV2Act2ndCV | DINT | 用于补偿 PV2-SP2 偏差的第二个 CV。 1=CV1、2=CV2、3=CV3 | 有效值 = 1-3 默认值 = 2 |
PV2Act3rdCV | DINT | 用于补偿 PV2-SP2 偏差的第三个 CV。 1=CV1、2=CV2、3=CV3 | 有效值 = 1-3 默认值 = 3 |
TargetCV | DINT | 要驱动到其目标值的 CV。 1=CV1、2=CV2、3=CV3 | 有效值 = 1-3 默认值 = 3 |
TargetRespTC | REAL | 确定控制变量接近目标值的速度。 | 有效值 = 0.0 到最大正浮点值 默认值 = 0.0 |
PVTracking | BOOL | SP 跟踪 PV 请求。 设置为真可以使 SP 跟踪 PV。自动模式下忽略该参数。仅当全部的三个输出均处于手动模式时,SP 才跟踪 PV。只要有输出返回到自动模式,PVTracking 立即停止。 | 默认值 = 假 |
ManualAfterInit | BOOL | 初始化后进入手动模式的请求。
| 默认值 = 假 |
ProgProgReq | BOOL | 程序发出的程序控制请求。
| 默认值 = 假 |
ProgOperReq | BOOL | 程序发出的操作员控制请求。
| 默认值 = 假 |
ProgCV1AutoReq | BOOL | CV1 的程序-自动模式请求。
| 默认值 = 假 |
ProgCV2AutoReq | BOOL | CV2 的程序-自动模式请求。
| 默认值 = 假 |
ProgCV3AutoReq | BOOL | CV3 的程序-自动模式请求。
| 默认值 = 假 |
ProgCV1ManualReq | BOOL | CV1 的程序-手动模式请求。
| 默认值 = 假 |
ProgCV2ManualReq | BOOL | CV2 的程序-手动模式请求。
| 默认值 = 假 |
ProgCV3ManualReq | BOOL | CV3 的程序-手动模式请求。
| 默认值 = 假 |
ProgCV1OverrideReq | BOOL | CV1 的程序-超控模式请求。
| 默认值 = 假 |
ProgCV2OverrideReq | BOOL | CV2 的程序-超控模式请求。
| 默认值 = 假 |
ProgCV3OverrideReq | BOOL | CV3 的程序-超控模式请求。
| 默认值 = 假 |
ProgCV1HandReq | BOOL | CV1 的程序-手控模式请求。
| 默认值 = 假 |
ProgCV2HandReq | BOOL | CV2 的程序-手控模式请求。
| 默认值 = 假 |
ProgCV3HandReq | BOOL | CV3 的程序-手控模式请求。
| 默认值 = 假 |
OperProgReq | BOOL | 操作员发出的程序控制请求。
| 默认值 = 假 |
OperOperReq | BOOL | 操作员发出的操作员控制请求。
| 默认值 = 假 |
OperCV1AutoReq | BOOL | CV1 的操作员-自动模式请求。 由操作员界面设置为真可请求自动模式。功能块将此参数复位(假)。 | 默认值 = 假 |
OperCV2AutoReq | BOOL | CV2 的操作员-自动模式请求。 由操作员界面设置为真可请求自动模式。功能块将此参数复位(假)。 | 默认值 = 假 |
OperCV3AutoReq | BOOL | CV3 的操作员-自动模式请求。 由操作员界面设置为真可请求自动模式。功能块将此参数复位(假)。 | 默认值 = 假 |
OperCV1ManualReq | BOOL | CV1 的操作员-手动模式请求。 由操作员界面设置为真可请求手动模式。功能块将此参数设置为“假”。 | 默认值 = 假 |
OperCV2ManualReq | BOOL | CV2 的操作员-手动模式请求。 由操作员界面设置为真可请求手动模式。功能块将此参数设置为“假”。 | 默认值 = 假 |
OperCV3ManualReq | BOOL | CV3 的操作员-手动模式请求。 由操作员界面设置为真可请求手动模式。功能块将此参数设置为“假”。 | 默认值 = 假 |
ProgValueReset | BOOL | 将程序控制值复位。 该值为真时,Prog_xxx_Req 输入复位(假)。当此参数为“真”且处于程序控制模式时,设置 SP(x)Prog = SP(x) 且 CV(y)Prog = CV(y),其中 x = 1,2;y = 1,2,3 | 默认值 = 假 |
TimingMode | DINT | 选择时基执行模式。 值/说明 0 = 周期性模式 1 = 过采样模式 2 = 实时采样模式 有关时序模式的更多信息,请参见“功能块属性”部分。 | 有效值 = 0 至 2 默认值 = 0 |
OverSampleDT | REAL | 过采样模式的执行时间。 | 有效值 = 0 到 TON_Timer 经过的最长时间(4194.303 秒) 默认值 = 0 |
RTSTime | DINT | 实时采样模式的模块更新周期。 | 有效值 = 0 到 32,767 1 次计数 = 1 ms |
RTSTimeStamp | DINT | 实时采样模式的模块时戳值。 | 有效值 = 0 到 32,767 (从 32,767 跳回到 0) 1 次计数 = 1 ms |
PV1TuneLimit | REAL | 以 PV1 单位标定的 PV1 调谐限值。当自动调谐正在运行并且预测 PV1 值超过此限值时,调谐过程将中止。 | 有效值 = 任意浮点值 默认值 = 0 |
PV2TuneLimit | REAL | 以 PV2 单位标定的 PV2 调谐限值。当自动调谐正在运行并且预测 PV2 值超过此限值时,调谐过程将中止。 | 有效值 = 任意浮点值 默认值 = 0 |
PV1AtuneTimeLimit | REAL | CV1 发生阶跃变化后 PV1 完成自动调谐所需的最长时间,以分钟为单位。PV1 自动调谐时间超出此时间时,调谐将会中止。 | 有效值范围:任意 > 0 的浮点值。 默认值 = 60 分钟 |
PV2AtuneTimeLimit | REAL | CV2 发生阶跃变化后 PV2 完成自动调谐所需的最长时间,以分钟为单位。PV2 自动调谐时间超出此时间时,调谐将会中止。 | 有效值范围:任意 > 0 的浮点值。 默认值 = 60 分钟 |
PV1NoiseLevel | DINT | PV1 的噪声级别估计值,在调谐期间可对该值进行补偿。 可选项包括:0 = 低、1 = 中、2 = 高 | 范围:0 到 2 默认值 = 1 |
PV2NoiseLevel | DINT | PV2 的噪声级别估计值,在调谐期间可对该值进行补偿。 可选项包括:0 = 低、1 = 中、2 = 高 | 范围:0 到 2 默认值 = 1 |
CV1StepSize | REAL | 调谐阶跃测试所用的 CV1 步长(百分比)。步长将直接加到 CV1(不超出上限/下限范围)。 | 范围:-100% … 100% 默认值 = 10% |
CV2StepSize | REAL | 调谐阶跃测试所用的 CV2 步长(百分比)。步长将直接加到 CV2(不超出上限/下限范围)。 | 范围:-100% … 100% 默认值 = 10% |
CV3StepSize | REAL | 调谐阶跃测试所用的 CV3 步长(百分比)。步长将直接加到 CV3(不超出上限/下限范围)。 | 范围:-100% … 100% 默认值 = 10% |
CV1PV1ResponseSpeed | DINT | CV1 - PV1 所需闭环响应速度。
如果 ResponseSpeed 小于 0,则使用慢速响应。如果 ResponseSpeed 大于 2,则使用快速响应。 | 范围:0…2 默认值 = 1 |
CV2PV1ResponseSpeed | DINT | CV2 - PV1 所需闭环响应速度。
如果 ResponseSpeed 小于 0,则使用慢速响应。如果 ResponseSpeed 大于 2,则使用快速响应。 | 范围:0…2 默认值 = 1 |
CV3PV1ResponseSpeed | DINT | CV3 PV1 所需闭环响应速度。
如果 ResponseSpeed 小于 0,则使用慢速响应。如果 ResponseSpeed 大于 2,则使用快速响应。 | 范围:0 到 2 默认值 = 1 |
CV1PV2ResponseSpeed | DINT | CV1 PV2 所需闭环响应速度。
如果 ResponseSpeed 小于 0,则使用慢速响应。如果 ResponseSpeed 大于 2,则使用快速响应。 | 范围:0 到 2 默认值 = 1 |
CV2PV2ResponseSpeed | DINT | CV2 PV2 所需闭环响应速度。
如果 ResponseSpeed 小于 0,则使用慢速响应。如果 ResponseSpeed 大于 2,则使用快速响应。 | 范围:0 到 2 默认值 = 1 |
CV3PV2ResponseSpeed | DINT | CV3 PV2 所需闭环响应速度。
如果 ResponseSpeed 小于 0,则使用慢速响应。如果 ResponseSpeed 大于 2,则使用快速响应。 | 范围:0 到 2 默认值 = 1 |
CV1PV1ModelInit | BOOL | CV1 - PV1 内模初始化开关。请参见“功能块属性”部分。 | 默认值 = 假 |
CV2PV1ModelInit | BOOL | CV2 - PV1 内模初始化开关。请参见“功能块属性”部分。 | 默认值 = 假 |
CV3PV1ModelInit | BOOL | CV3 - PV1 内模初始化开关。请参见“功能块属性”部分。 | 默认值 = 假 |
CV1PV2ModelInit | BOOL | CV1 - PV2 内模初始化开关。请参见“功能块属性”部分。 | 默认值 = 假 |
CV2PV2ModelInit | BOOL | CV2 - PV2 内模初始化开关。请参见“功能块属性”部分。 | 默认值 = 假 |
CV3PV2ModelInit | BOOL | CV3 - PV2 内模初始化开关。请参见“功能块属性”部分。 | 默认值 = 假 |
PV1Factor | REAL | PV1 的非积分模型近似因子。仅用于积分过程类型。 | 默认值 = 100 |
PV2Factor | PV2 的非积分模型近似因子。仅用于积分过程类型。 | 默认值 = 100 | |
AtuneCV1Start | BOOL | CV1 的自动调谐启动请求。该参数为真时,启动 PV1 和 PV2 的 CV1 输出的自动调谐。如果 CV1 未处于手动模式,则忽略该值。功能块将该输入复位(假)。 | 默认值 = 假 |
AtuneCV2Start | BOOL | CV2 的自动调谐启动请求。该参数为真时,启动 PV1 和 PV2 的 CV2 输出的自动调谐。如果 CV2 未处于手动模式,则忽略该值。功能块将该输入复位(假)。 | 默认值 = 假 |
AtuneCV3Start | BOOL | CV3 的自动调谐启动请求。该参数为真时,启动 PV1 和 PV2 的 CV3 输出的自动调谐。如果 CV3 未处于手动模式,则忽略该值。功能块将该输入复位(假)。 | 默认值 = 假 |
AtuneCV1PV1UseModel | BOOL | CV1 - PV1 的自动调谐模型使用请求。该值为真时,以计算出的自动调谐模型参数替换当前模型参数。功能块将该输入参数复位(假)。 | 默认值 = 假 |
AtuneCV2PV1UseModel | BOOL | CV2 - PV1 的自动调谐模型使用请求。该值为真时,以计算出的自动调谐模型参数替换当前模型参数。功能块将该输入参数复位(假)。 | 默认值 = 假 |
AtuneCV3PV1UseModel | BOOL | CV3 - PV1 的自动调谐模型使用请求。该值为真时,以计算出的自动调谐模型参数替换当前模型参数。功能块将该输入参数复位(假)。 | 默认值 = 假 |
AtuneCV1PV2UseModel | BOOL | CV1 - PV2 的自动调谐模型使用请求。该值为真时,以计算出的自动调谐模型参数替换当前模型参数。功能块将该输入参数复位(假)。 | 默认值 = 假 |
AtuneCV2PV2UseModel | BOOL | CV2 - PV2 的自动调谐模型使用请求。该值为真时,以计算出的自动调谐模型参数替换当前模型参数。功能块将该输入参数复位(假)。 | 默认值 = 假 |
AtuneCV3PV2UseModel | BOOL | CV3 - PV2 的自动调谐模型使用请求。该值为真时,以计算出的自动调谐模型参数替换当前模型参数。功能块将该输入参数复位(假)。 | 默认值 = 假 |
AtuneCV1Abort | BOOL | CV1 的自动调谐中止请求。该参数为真时,会中止 PV1 和 PV2 的 CV1 输出的自动调谐。功能块将该输入参数复位(假)。 | 默认值 = 假 |
AtuneCV2Abort | BOOL | CV2 的自动调谐中止请求。该参数为真时,会中止 PV1 和 PV2 的 CV2 输出的自动调谐。功能块将该输入参数复位(假)。 | 默认值 = 假 |
AtuneCV3Abort | BOOL | CV3 的自动调谐中止请求。该参数为真时,会中止 PV1 和 PV2 的 CV3 输出的自动调谐。功能块将该输入参数复位(假)。 | 默认值 = 假 |
下表介绍 MMC 功能块的输出参数。
输出参数 | 数据类型 | 说明 | 值 |
|---|---|---|---|
EnableOut | BOOL | 指示指令是否处于启用状态。如果 CV1EU、CV2EU 或 CV3EU 中的任何一个参数溢出,则设置为假。 | |
CV1EU | REAL | CV1 的标定控制变量输出。使用 CV1EUMax 和 CV1EUMin 标定,其中 CV1EUMax 对应于 100%,CV1EUMin 对应于 0%。此输出通常用于控制模拟输出模块或次级回路。 CV1EU = (CV1 * CV1EUSpan / 100) + CV1EUMin CV1EU 量程计算:CV1EUSpan = (CV1EUMax – CV1EUMin) | |
CV2EU | REAL | CV2 的标定控制变量输出。使用 CV2EUMax 和 CV2EUMin 标定,其中 CV2EUMax 对应于 100%,CV2EUMin 对应于 0%。此输出通常用于控制模拟输出模块或次级回路。 CV2EU = (CV2 * CV2EUSpan / 100) + CV2EUMin CV2EU 量程计算:CV2EUSpan = (CV2EUMax – CV2EUMin) | |
CV3EU | REAL | CV3 的标定控制变量输出。使用 CV3EUMax 和 CV3EUMin 标定,其中 CV3EUMax 对应于 100%,CV3EUMin 对应于 0%。此输出通常用于控制模拟输出模块或次级回路。 CV3EU = (CV3 * CV3EUSpan / 100) + CV3EUMin CV3EU 量程计算:CV3EUSpan = (CV3EUMax − CV3EUMin) | |
CV1 | REAL | CV1 的控制变量输出。此值始终以 0…100% 表示。当处于自动模式下或者处于手动模式下且 CVManLimiting 为真时,CV1 介于 CV1HLimit 和 CV1LLimit 之间;否则,介于 0 和 100% 之间。 | |
CV2 | REAL | CV2 的控制变量输出。此值始终以 0…100% 表示。当处于自动模式下或者处于手动模式下且 CVManLimiting 为“真”(TRUE) 时,CV2 介于 CV2HLimit 和 CV2LLimit 之间;否则,介于 0 和 100% 之间。 | |
CV3 | REAL | CV3 的控制变量输出。此值始终以 0…100% 表示。当处于自动模式下或者处于手动模式下且 CVManLimiting 为“真”(TRUE) 时,CV3 介于 CV3HLimit 和 CV3LLimit 之间;否则,介于 0 和 100% 之间。 | |
CV1Initializing | BOOL | CV1 的初始化模式指示器。当 CV1InitReq、功能块 blockFirstScan 或 OLCFirstRun 为“真”(TRUE),或者 CV1Fault 由“真”(TRUE) 转换为“假”(FALSE)(由不良转为良好)时,该值设置为“真”(TRUE)。当功能块初始化完毕且 CV1InitReq 不再为真后,CV1Initializing 将设置为假。 | |
CV2nitializing | BOOL | CV2 的初始化模式指示器。当 CV2InitReq、功能块 blockFirstScan 或 OLCFirstRun 为“真”(TRUE),或者 CV2Fault 由“真”(TRUE) 转换为“假”(FALSE)(由不良转为良好)时,该值设置为“真”(TRUE)。当功能块初始化完毕且 CV2InitReq 不再为“真”(TRUE) 后,CV2Initializing 将设置为“假”(FALSE)。 | |
CV3nitializing | BOOL | CV3 的初始化模式指示器。当 CV3InitReq、功能块 blockFirstScan 或 OLCFirstRun 为“真”(TRUE),或者 CV3Fault 由“真”(TRUE) 转换为“假”(FALSE)(由不良转为良好)时,该值设置为“真”(TRUE)。当功能块初始化完毕且 CV3InitReq 不再为“真”(TRUE) 后,CV3Initializing 将设置为“假”(FALSE)。 | |
CV1HAlarm | BOOL | CV1 上限报警指示器。计算的 CV1 值 > 100 或 CV1HLimit 时为真。 | |
CV2HAlarm | BOOL | CV2 上限报警指示器。计算的 CV2 值 > 100 或 CV2HLimit 时为“真”(TRUE)。 | |
CV3HAlarm | BOOL | CV3 上限报警指示器。计算的 CV3 值 > 100 或 CV3HLimit 时为“真”(TRUE)。 | |
CV1LAlarm | BOOL | CV1 下限报警指示器。计算的 CV1 值 < 0 或 CV1LLimit 时为真。 | |
CV2LAlarm | BOOL | CV2 下限报警指示器。计算的 CV2 值 < 0 或 CV2LLimit 时为“真”(TRUE)。 | |
CV3LAlarm | BOOL | CV3 下限报警指示器。计算的 CV3 值 < 0 或 CV3LLimit 时为“真”(TRUE)。 | |
CV1ROCPosAlarm | BOOL | CV1 变化率报警指示器。计算的 CV1 变化率超出 CV1ROCPosLimit 时为真。 | |
CV2ROCPosAlarm | BOOL | CV2 变化率报警指示器。计算的 CV2 变化率超出 CV2ROCPosLimit 时为“真”(TRUE)。 | |
CV3ROCPosAlarm | BOOL | CV3 变化率报警指示器。计算的 CV3 变化率超出 CV3ROCPosLimit 时为“真”(TRUE)。 | |
CV1ROCNegAlarm | BOOL | CV1 变化率报警指示器。计算的 CV1 变化率超出 CV1ROCNegLimit 时为“真”(TRUE)。 | |
CV2ROCNegAlarm | BOOL | CV2 变化率报警指示器。计算的 CV2 变化率超出 CV2ROCNegLimit 时为“真”(TRUE)。 | |
CV3ROCNegAlarm | BOOL | CV3 变化率报警指示器。计算的 CV3 变化率超出 CV3ROCNegLimit 时为“真”(TRUE)。 | |
SP1 | REAL | 当前设置点 1 的值。SP1 值用于在自动模式或 PV1 跟踪模式下控制 CV,以 PV1 单位标定。 | |
SP2 | REAL | 当前设置点 2 的值。SP2 值用于在自动模式或 PV2 跟踪模式下控制 CV,以 PV2 单位标定。 | |
SP1Percent | REAL | 以 PV1 量程百分比表示的 SP1 值。 SP1Percent = ((SP1 − PV1EUMin ) * 100) / PV1Span 其中 PV1Span = PV1EUMax – PV1EUMin | |
SP2Percent | 以 PV2 量程百分比表示的 SP2 值。 SP2Percent = ((SP2 − PV2EUMin ) * 100) / PV2Span where PV2Span = PV2EUMax – PV1EUMin | ||
SP1HAlarm | BOOL | SP1 上限报警指示器。当 SP1 > = SP1HLimit 时为“真”。 | |
SP2HAlarm | BOOL | SP2 上限报警指示器。当 SP2 >= SP2HLimit 时为“真”(TRUE)。 | |
SP1LAlarm | BOOL | SP1 下限报警指示器。当 SP1 <= SP1LLimit 时为真。 | |
SP2LAlarm | BOOL | SP2 下限报警指示器。当 SP2 <= SP2LLimit 时为“真”(TRUE)。 | |
PV1Percent | REAL | 以量程百分比表示的 PV1。 PV1Percent = (( PV1 − PV1EUMin ) * 100) / PV1Span PV1 量程计算:PV1Span = ( PV1EUMax - PV1EUMin ) | |
PV2Percent | REAL | 以量程百分比表示的 PV2。 PV2Percent = (( PV2 − PV2EUMin ) * 100) / PV2Span PV2 量程计算:PV2Span = ( PV2EUMax − PV2EUMin ) | |
E1 | REAL | 过程 1 误差。SP1 与 PV1 之间的差值,以 PV1 单位标定。 | |
E2 | REAL | 过程 2 误差。SP2 与 PV2 之间的差值,以 PV2 单位标定。 | |
E1Percent | REAL | 以过程 1 量程百分比表示的误差。 | |
E2Percent | REAL | 以过程 2 量程百分比表示的误差。 | |
CV1WindupHOut | BOOL | CV1 积分饱和上限指示器。 以下情况下,CV1WindupHOut 为真:
此信号通常供 WindupHIn 输入使用,用以限制主回路上 CV1 输出的积分饱和。 | |
CV2WindupHOut | BOOL | CV2 积分饱和上限指示器。 以下情况下,CV2WindupHOut 为“真”(TRUE):
此信号通常供 WindupHIn 输入使用,用以限制主回路上 CV2 输出的积分饱和。 | |
CV3WindupHOut | BOOL | CV3 积分饱和上限指示器。 以下情况下,CV3WindupHOut 为“真”(TRUE):
此信号通常供 WindupHIn 输入使用,用以限制主回路上 CV3 输出的积分饱和。 | |
CV1WindupLOut | BOOL | CV1 积分饱和下限指示器。 以下情况下,CV1WindupLOut 为“真”(TRUE):
此信号通常供 WindupLIn 输入使用,用以限制主回路上 CV1 输出的积分饱和。 | |
CV2WindupLOut | BOOL | CV2 积分饱和下限指示器。 以下情况下,CV2WindupLOut 为“真”(TRUE):
此信号通常供 WindupLIn 输入使用,用以限制主回路上 CV2 输出的积分饱和。 | |
CV3WindupLOut | BOOL | CV3 积分饱和下限指示器。 以下情况下,CV3WindupLOut 为“真”(TRUE):
此信号通常供 WindupLIn 输入使用,用以限制主回路上 CV3 输出的积分饱和。 | |
ProgOper | BOOL | 程序/操作员控制指示器。在程序控制模式下为真 (TRUE)。在操作员控制模式下为假 (FALSE)。 | |
CV1Auto | BOOL | CV1 的自动模式指示器。当 CV1 处于自动模式时为真。 | |
CV2Auto | BOOL | CV2 的自动模式指示器。当 CV2 处于自动模式时为“真”(TRUE)。 | |
CV2Auto | BOOL | CV3 的自动模式指示器。当 CV3 处于自动模式时为“真”(TRUE)。 | |
CV1Manual | BOOL | CV1 的手动模式指示器。当 CV1 处于手动模式时为真。 | |
CV2Manual | BOOL | CV2 的手动模式指示器。当 CV2 处于手动模式时为“真”(TRUE)。 | |
CV3Manual | BOOL | CV3 的手动模式指示器。当 CV3 处于手动模式时为“真”(TRUE)。 | |
CV1Override | BOOL | CV1 的超控模式指示器。当 CV1 处于超控模式时为真。 | |
CV2Override | BOOL | CV2 的超控模式指示器。当 CV2 处于超控模式时为“真”(TRUE)。 | |
CV3Override | BOOL | CV3 的超控模式指示器。当 CV3 处于超控模式时为“真”(TRUE)。 | |
CV1Hand | BOOL | CV1 的手控模式指示器。当 CV1 处于手控模式时为真。 | |
CV2Hand | BOOL | CV2 的手控模式指示器。当 CV2 处于手控模式时为“真”(TRUE)。 | |
CV3Hand | BOOL | CV3 的手控模式指示器。当 CV3 处于手控模式时为“真”(TRUE)。 | |
DeltaT | REAL | 两次更新间隔的时间(秒)。 | |
CV1StepSizeUsed | REAL | 调谐中使用的实际 CV1 步长。 | |
CV2StepSizeUsed | REAL | 调谐中使用的实际 CV2 步长。 | |
CV3StepSizeUsed | REAL | 调谐中使用的实际 CV3 步长。 | |
CV1PV1GainTuned | REAL | 调谐完毕后计算出的 CV1 - PV1 内模增益值。 | |
CV2PV1GainTuned | REAL | 调谐完毕后计算出的 CV2 - PV1 内模增益值。 | |
CV3PV1GainTuned | REAL | 调谐完毕后计算出的 CV3 - PV1 内模增益值。 | |
CV1PV2GainTuned | REA: | 调谐完毕后计算出的 CV1 - PV2 内模增益值。 | |
CV2PV2GainTuned | REAL | 调谐完毕后计算出的 CV2 - PV2 内模增益值。 | |
CV3PV2GainTuned | REA: | 调谐完毕后计算出的 CV3 - PV2 内模增益值。 | |
CV1PV1TCTuned | REAL | 调谐完毕后计算出的 CV1 - PV1 内模时间常数。 | |
CV2PV1TCTuned | REAL | 调谐完毕后计算出的 CV2 - PV1 内模时间常数。 | |
CV3PV1TCTuned | REAL | 调谐完毕后计算出的 CV3 - PV1 内模时间常数。 | |
CV1PV2TCTuned | REAL | 调谐完毕后计算出的 CV1 - PV2 内模时间常数。 | |
CV2PV2TCTuned | REAL | 调谐完毕后计算出的 CV2 - PV2 内模时间常数。 | |
CV3PV2TCTuned | REAL | 调谐完毕后计算出的 CV3 - PV2 内模时间常数。 | |
CV1PV1DTTuned | REAL | 调谐完毕后计算出的 CV1 - PV1 内模死区时间。 | |
CV2PV1DTTuned | REAL | 调谐完毕后计算出的 CV2 - PV1 内模死区时间。 | |
CV3PV1DTTuned | REAL | 调谐完毕后计算出的 CV3 - PV1 内模死区时间。 | |
CV1PV2DTTuned | REAL | 调谐完毕后计算出的 CV1 - PV2 内模死区时间。 | |
CV2PV2DTTuned | REAL | 调谐完毕后计算出的 CV2 - PV2 内模死区时间。 | |
CV3PV2DTTuned | REAL | 调谐完毕后计算出的 CV3 - PV2 内模死区时间。 | |
CV1PV1RespTCTunedS | REAL | 调谐完毕后计算出的 CV1 - PV1 慢速响应速度下的控制变量时间常数。 | |
CV2PV1RespTCTunedS | REAL | 调谐完毕后计算出的 CV2 - PV1 慢速响应速度下的控制变量时间常数。 | |
CV3PV1RespTCTunedS | REAL | 调谐完毕后计算出的 CV3 - PV1 慢速响应速度下的控制变量时间常数。 | |
CV1PV2RespTCTunedS | REAL | 调谐完毕后计算出的 CV1 - PV2 慢速响应速度下的控制变量时间常数。 | |
CV2PV2RespTCTunedS | REAL | 调谐完毕后计算出的 CV2 - PV2 慢速响应速度下的控制变量时间常数。 | |
CV3PV2RespTCTunedS | REAL | 调谐完毕后计算出的 CV3 - PV2 慢速响应速度下的控制变量时间常数。 | |
CV1PV1RespTCTunedM | REAL | 调谐完毕后计算出的 CV1 - PV1 中速响应速度下的控制变量时间常数。 | |
CV2PV1RespTCTunedM | REAL | 调谐完毕后计算出的 CV2 - PV1 中速响应速度下的控制变量时间常数。 | |
CV3PV1RespTCTunedM | REAL | 调谐完毕后计算出的 CV3 - PV1 中速响应速度下的控制变量时间常数。 | |
CV1PV2RespTCTunedM | REAL | 调谐完毕后计算出的 CV1 - PV2 中速响应速度下的控制变量时间常数。 | |
CV2PV2RespTCTunedM | REAL | 调谐完毕后计算出的 CV2 - PV2 中速响应速度下的控制变量时间常数。 | |
CV3PV2RespTCTunedM | REAL | 调谐完毕后计算出的 CV3 - PV2 中速响应速度下的控制变量时间常数。 | |
CV1PV1RespTCTunedF | REAL | 调谐完毕后计算出的 CV1 - PV1 快速响应速度下的控制变量时间常数。 | |
CV2PV1RespTCTunedF | REAL | 调谐完毕后计算出的 CV2 - PV1 快速响应速度下的控制变量时间常数。 | |
CV3PV1RespTCTunedF | REAL | 调谐完毕后计算出的 CV3 - PV1 快速响应速度下的控制变量时间常数。 | |
CV1PV2RespTCTunedF | REAL | 调谐完毕后计算出的 CV1 - PV2 快速响应速度下的控制变量时间常数。 | |
CV2PV2RespTCTunedF | REAL | 调谐完毕后计算出的 CV2 - PV2 快速响应速度下的控制变量时间常数。 | |
CV3PV2RespTCTunedF | REAL | 调谐完毕后计算出的 CV3 - PV2 快速响应速度下的控制变量时间常数。 | |
AtuneCV1PV1On | BOOL | 启动 CV1 - PV1 的自动调谐后设置为真。 | |
AtuneCV2PV1On | BOOL | 启动 CV2 - PV1 的自动调谐后设置为真。 | |
AtuneCV3PV1On | BOOL | 启动 CV3 - PV1 的自动调谐后设置为真。 | |
AtuneCV1PV1Done | BOOL | CV1 - PV1 的自动调谐成功完成后设置为真。 | |
AtuneCV2PV1Done | BOOL | CV2 - PV1 的自动调谐成功完成后设置为真。 | |
AtuneCV3PV1Done | BOOL | CV3 - PV1 的自动调谐成功完成后设置为真。 | |
AtuneCV1PV1Aborted | BOOL | 当 CV1 - PV1 的自动调谐由用户中止,或者因自动调谐过程中出错而中止时,设置为真。 | |
AtuneCV2PV1Aborted | BOOL | 当 CV2 - PV1 的自动调谐由用户中止,或者因自动调谐过程中出错而中止时,设置为真。 | |
AtuneCV3PV1Aborted | BOOL | 当 CV3 - PV1 的自动调谐由用户中止,或者因自动调谐过程中出错而中止时,设置为真。 | |
AtuneCV1PV2On | BOOL | 启动 CV1 - PV2 的自动调谐后设置为真。 | |
AtuneCV2PV2On | BOOL | 启动 CV2 - PV2 的自动调谐后设置为真。 | |
AtuneCV3PV2On | BOOL | 启动 CV3 - PV2 的自动调谐后设置为真。 | |
AtuneCV1PV2Done | BOOL | CV1 - PV2 的自动调谐成功完成后设置为真。 | |
AtuneCV2PV2Done | BOOL | CV2 - PV2 的自动调谐成功完成后设置为真。 | |
AtuneCV3PV2Done | BOOL | CV3 - PV2 的自动调谐成功完成后设置为真。 | |
ATuneCV1PV2Aborted | BOOL | 当 CV1-PV2 的自动调谐由用户中止,或者因自动调谐过程中出错而中止时,设置为真。 | |
ATuneCV2PV2Aborted | BOOL | 当 CV2-PV2 的自动调谐由用户中止,或者因自动调谐过程中出错而中止时,设置为真。 | |
ATuneCV3PV2Aborted | BOOL | 当 CV3-PV2 的自动调谐由用户中止,或者因自动调谐过程中出错而中止时,设置为真。 | |
AtuneCV1PV1Status | DINT | CV1 - PV1 的位映射状态。值为 0 时表示未发生故障。 | |
AtuneCV2PV1Status | DINT | CV2 - PV1 的位映射状态。值为 0 时表示未发生故障。 | |
AtuneCV3PV1Status | DINT | CV3 - PV1 的位映射状态。 值为 0 时表示未发生故障。 | |
AtuneCV1PV2Status | DINT | CV1 - PV2 的位映射状态。值为 0 时表示未发生故障。 | |
AtuneCV2PV2Status | DINT | CV2 - PV2 的位映射状态。值为 0 时表示未发生故障。 | |
AtuneCV3PV2Status | DINT | CV3 - PV2 的位映射状态。值为 0 时表示未发生故障。 | |
AtuneCV1PV1Fault | BOOL | CV1 - PV1 的自动调谐产生以下任一故障。 | AtuneCV1PV1Status 的位 0 |
AtuneCV2PV1Fault | BOOL | CV2 - PV1 的自动调谐产生以下任一故障。 | AtuneCV2PV1Status 的位 0 |
AtuneCV3PV1Fault | BOOL | CV3 - PV1 的自动调谐产生以下任一故障。 | AtuneCV3PV1Status 的位 0 |
AtuneCV1PV1OutOfLimit | BOOL | 在 CV1 - PV1 自动调谐过程中,PV1 或 PV1 死区时间步提前预测值超过 PV1TuneLimit。该值为真时,CV1 - PV1 自动调谐过程将中止。 | AtuneCV1PV1Status 的位 1 |
AtuneCV2PV1OutOfLimit | BOOL | 在 CV2 - PV1 自动调谐过程中,PV1 或 PV1 死区时间步提前预测值超过 PV1TuneLimit。该值为真时,CV2 - PV1 自动调谐过程将中止。 | AtuneCV2PV1Status 的位 1 |
AtuneCV3PV1OutOfLimit | BOOL | 在 CV3 - PV1 自动调谐过程中,PV1 或 PV1 死区时间步提前预测值超过 PV1TuneLimit。该值为真时,CV3 - PV1 自动调谐过程将中止。 | AtuneCV3PV1Status 的位 1 |
AtuneCV1PV1ModeInv | BOOL | MMC 模式在自动调谐开始时并非手动模式,或者在 CV1 - PV1 自动调谐过程中由手动模式切换为其他模式。该值为真时,CV1 - PV1 自动调谐不会启动或者将会中止。 | AtuneCV1PV1Status 的位 2 |
AtuneCV2PV1ModeInv | BOOL | MMC 模式在自动调谐开始时并非手动模式,或者在 CV2 - PV1 自动调谐过程中由手动模式切换为其他模式。该值为真时,CV2 - PV1 自动调谐不会启动或者将会中止。 | AtuneCV2PV1Status 的位 2 |
AtuneCV3PV1ModeInv | BOOL | MMC 模式在自动调谐开始时并非手动模式,或者在 CV3 - PV1 自动调谐过程中由手动模式切换为其他模式。该值为真时,CV3 - PV1 自动调谐不会启动或者将会中止。 | AtuneCV3PV1Status 的位 2 |
AtuneCV1PV1WindupFault | BOOL | 在 CV1 - PV1 自动调谐开始时或 CV1 - PV1 自动调谐期间,CV1WindupHIn 或 CV1WindupLIn 为真。该值为真时,CV1 - PV1 自动调谐不会启动或者将会中止。 | AtuneCV1PV1Status 的位 3 |
AtuneCV2PV1WindupFault | BOOL | 在 CV2 - PV1 自动调谐开始时或 CV2 - PV1 自动调谐期间,CV2WindupHIn 或 CV2WindupLIn 为真。该值为真时,CV2 - PV1 自动调谐不会启动或者将会中止。 | AtuneCV2PV1Status 的位 3 |
AtuneCV3PV1WindupFault | BOOL | 在 CV3 - PV1 自动调谐开始时或 CV3 - PV1 自动调谐期间,CV3WindupHIn 或 CV3WindupLIn 为真。该值为真时,CV3 - PV1 自动调谐不会启动或者将会中止。 | AtuneCV3PV1Status 的位 3 |
AtuneCV1PV1StepSize0 | BOOL | CV1 - PV1 自动调谐开始时 CV1StepSizeUsed = 0。该值为真时,CV1 - PV1 自动调谐不会启动。 | AtuneCV1PV1Status 的位 4 |
AtuneCV2PV1StepSize0 | BOOL | CV2 - PV1 自动调谐开始时 CV2StepSizeUsed = 0。该值为真时,CV2 - PV1 自动调谐不会启动。 | AtuneCV2PV1Status 的位 4 |
AtuneCV3PV1StepSize0 | BOOL | CV3 - PV1 自动调谐开始时 CV3StepSizeUsed = 0。该值为真时,CV3 - PV1 自动调谐不会启动。 | AtuneCV3PV1Status 的位 4 |
AtuneCV1PV1LimitsFault | BOOL | 在 CV1 - PV1 自动调谐开始时或 CV1 - PV1 自动调谐期间,CV1LimitsInv 和 CVManLimiting 为真。该值为真时,CV1 - PV1 自动调谐不会启动或者将会中止。 | AtuneCV1PV1Status 的位 5 |
AtuneCV2PV1LimitsFault | BOOL | 在 CV2 - PV1 自动调谐开始时或 CV2 - PV1 自动调谐期间,CV2LimitsInv 和 CVManLimiting 为真。该值为真时,CV2 - PV1 自动调谐不会启动或者将会中止。 | AtuneCV2PV1Status 的位 5 |
AtuneCV3PV1LimitsFault | BOOL | 在 CV3 - PV1 自动调谐开始时或 CV3 - PV1 自动调谐期间,CV3LimitsInv 和 CVManLimiting 为真。该值为真时,CV3 - PV1 自动调谐不会启动或者将会中止。 | AtuneCV3PV1Status 的位 5 |
AtuneCV1PV1InitFault | BOOL | 在 CV1 - PV1 自动调谐开始时或 CV1 - PV1 自动调谐期间,CV1Initializing 为真。该值为真时,CV1 - PV1 自动调谐不会启动或者将会中止。 | AtuneCV1PV1Status 的位 6 |
AtuneCV2PV1InitFault | BOOL | 在 CV2 - PV1 自动调谐开始时或 CV2 - PV1 自动调谐期间,CV2Initializing 为真。该值为真时,CV2 - PV1 自动调谐不会启动或者将会中止。 | AtuneCV2PV1Status 的位 6 |
AtuneCV3PV1InitFault | BOOL | 在 CV3 - PV1 自动调谐开始时或 CV3 - PV1 自动调谐期间,CV3Initializing 为真。该值为真时,CV3 - PV1 自动调谐不会启动或者将会中止。 | AtuneCV3PV1Status 的位 6 |
AtuneCV1PV1EUSpanChanged | BOOL | 在 CV1 - PV1 自动调谐期间,CV1EUSpan 或 PV1EUSpan 发生改变。该值为真时,CV1 - PV1 自动调谐过程将中止。 | AtuneCV1PV1Status 的位 7 |
AtuneCV2PV1EUSpanChanged | BOOL | 在 CV2 - PV1 自动调谐期间,CV2EUSpan 或 PV1EUSpan 发生改变。该值为真时,CV2 - PV1 自动调谐过程将中止。 | AtuneCV2PV1Status 的位 7 |
AtuneCV3PV1EUSpanChanged | BOOL | 在 CV3 - PV1 自动调谐期间,CV3EUSpan 或 PV1EUSpan 发生改变。该值为真时,CV3 - PV1 自动调谐过程将中止。 | AtuneCV3PV1Status 的位 7 |
AtuneCV1PV1Changed | BOOL | CV1Oper(操作员控制模式)或 CV1Prog(程序控制模式)发生改变,或者 CV1 在 CV1 - PV1 自动调谐期间达到上/下限或 ROC 限制。该值为真时,CV1 - PV1 自动调谐过程将中止。 | AtuneCV1PV1Status 的位 8 |
AtuneCV2PV1Changed | BOOL | CV2Oper(操作员控制模式)或 CV2Prog(程序控制模式)发生改变,或者 CV2 在 CV2 - PV1 自动调谐期间达到上/下限或 ROC 限制。该值为真时,CV2 - PV1 自动调谐过程将中止。 | AtuneCV2PV1Status 的位 8 |
AtuneCV3PV1Changed | BOOL | CV3Oper(操作员控制模式)或 CV3Prog(程序控制模式)发生改变,或者 CV3 在 CV3 - PV1 自动调谐期间达到上/下限或 ROC 限制。该值为真时,CV3 - PV1 自动调谐过程将中止。 | AtuneCV3PV1Status 的位 8 |
AtuneCV1PV1Timeout | BOOL | 自阶跃测试开始起经过的时间长于 PV1AtuneTimeLimit。该值为真时,CV1 - PV1 自动调谐过程将中止。 | AtuneCV1PV1Status 的位 9 |
AtuneCV2PV1Timeout | BOOL | 自阶跃测试开始起经过的时间长于 PV1AtuneTimeLimit。该值为真时,CV2 - PV1 自动调谐过程将中止。 | AtuneCV2PV1Status 的位 9 |
AtuneCV3PV1Timeout | BOOL | 自阶跃测试开始起经过的时间长于 PV1AtuneTimeLimit。该值为真时,CV3 - PV1 自动调谐过程将中止。 | AtuneCV3PV1Status 的位 9 |
AtuneCV1PV1NotSettled | BOOL | PV1 变化过大而无法进行 CV1 - PV1 自动调谐。该值为真时,CV1 - PV1 自动调谐过程将中止。等待 PV1 达到更稳定状态再进行 CV1 - PV1 自动调谐。 | AtuneCV1PV1Status 的位 10 |
AtuneCV2PV1NotSettled | BOOL | PV1 变化过大而无法进行 CV2 - PV1 自动调谐。该值为真时,CV2 - PV1 自动调谐过程将中止。等待 PV1 达到更稳定状态再进行 CV2 - PV1 自动调谐。 | AtuneCV2PV1Status 的位 10 |
AtuneCV3PV1NotSettled | BOOL | PV1 变化过大而无法进行 CV3 - PV1 自动调谐。该值为真时,CV3 - PV1 自动调谐过程将中止。等待 PV1 达到更稳定状态再进行 CV3 - PV1 自动调谐。 | AtuneCV3PV1Status 的位 10 |
AtuneCV1PV2Fault | BOOL | CV1 - PV2 的自动调谐产生以下任一故障。 | AtuneCV1PV2Status 的位 0 |
AtuneCV2PV2Faul | BOOL | CV2 - PV2 的自动调谐产生以下任一故障。 | AtuneCV2PV2Status 的位 0 |
AtuneCV3PV2Fault | BOOL | CV3 - PV2 的自动调谐产生以下任一故障。 | AtuneCV3PV2Status 的位 0 |
AtuneCV1PV2OutOfLimit | BOOL | 在 CV1 - PV2 自动调谐过程中,PV2 或 PV2 死区时间步提前预测值超过 PV2TuneLimit。该值为真时,CV1 - PV2 自动调谐过程将中止。 | AtuneCV1PV2Status 的位 1 |
AtuneCV2PV2OutOfLimit | BOOL | 在 CV2 - PV2 自动调谐过程中,PV2 或 PV2 死区时间步提前预测值超过 PV2TuneLimit。该值为真时,CV2 - PV2 自动调谐过程将中止。 | AtuneCV2PV2Status 的位 1 |
AtuneCV3PV2OutOfLimit | BOOL | 在 CV3 - PV2 自动调谐过程中,PV2 或 PV2 死区时间步提前预测值超过 PV2TuneLimit。该值为真时,CV3 - PV2 自动调谐过程将中止。 | AtuneCV3PV2Status 的位 1 |
AtuneCV1PV2ModeInv | BOOL | MMC 模式在自动调谐开始时并非手动模式,或者在 CV1-PV2 自动调谐过程中由手动模式切换为其他模式。该值为真时,CV1-PV2 自动调谐不会启动或者将会中止。 | AtuneCV1PV2Status 的位 2 |
AtuneCV2PV2ModeInv | BOOL | MMC 模式在自动调谐开始时并非手动模式,或者在 CV2-PV2 自动调谐过程中由手动模式切换为其他模式。该值为真时,CV2-PV2 自动调谐不会启动或者将会中止。 | AtuneCV2PV2Status 的位 2 |
AtuneCV3PV2ModeInv | BOOL | MMC 模式在自动调谐开始时并非手动模式,或者在 CV3-PV2 自动调谐过程中由手动模式切换为其他模式。该值为真时,CV3-PV2 自动调谐不会启动或者将会中止。 | AtuneCV3PV2Status 的位 2 |
AtuneCV1PV2WindupFault | BOOL | 在 CV1 - PV2 自动调谐开始时或 CV1 - PV2 自动调谐期间,CV1WindupHIn 或 CV1WindupLIn 为真。该值为真时,CV1 - PV2 自动调谐不会启动或者将会中止。 | AtuneCV1PV2Status 的位 3 |
AtuneCV2PV2WindupFault | BOOL | 在 CV2 - PV2 自动调谐开始时或 CV2 - PV2 自动调谐期间,CV2WindupHIn 或 CV2WindupLIn 为真。该值为真时,CV2 - PV2 自动调谐不会启动或者将会中止。 | AtuneCV2PV2Status 的位 3 |
AtuneCV3PV2WindupFault | BOOL | 在 CV3 - PV2 自动调谐开始时或 CV3 - PV2 自动调谐期间,CV3WindupHIn 或 CV3WindupLIn 为真。该值为真时,CV3 - PV2 自动调谐不会启动或者将会中止。 | AtuneCV3PV2Status 的位 3 |
AtuneCV1PV2StepSize0 | BOOL | CV1 - PV2 自动调谐开始时 CV1StepSizeUsed = 0。该值为真时,CV1 - PV2 自动调谐不会启动。 | AtuneCV1PV2Status 的位 4 |
AtuneCV2PV2StepSize0 | BOOL | CV2 - PV2 自动调谐开始时 CV2StepSizeUsed = 0。该值为真时,CV2 - PV2 自动调谐不会启动。 | AtuneCV2PV2Status 的位 4 |
AtuneCV3PV2StepSize0 | BOOL | CV3 - PV2 自动调谐开始时 CV3StepSizeUsed = 0。该值为真时,CV3 - PV2 自动调谐不会启动。 | AtuneC3PV2Status 的位 4 |
AtuneCV1PV2LimitsFault | BOOL | 在 CV1 - PV2 自动调谐开始时或 CV1 - PV2 自动调谐期间,CV1LimitsInv 和 CVManLimiting 为真。该值为真时,CV1 - PV2 自动调谐不会启动或者将会中止。 | AtuneCV1PV2Status 的位 5 |
AtuneCV2PV2LimitsFault | BOOL | 在 CV2 - PV2 自动调谐开始时或 CV2 - PV2 自动调谐期间,CV2LimitsInv 和 CVManLimiting 为真。该值为真时,CV2 - PV2 自动调谐不会启动或者将会中止。 | AtuneCV2PV2Status 的位 5 |
AtuneCV3PV2LimitsFault | BOOL | 在 CV3 - PV2 自动调谐开始时或 CV3 - PV2 自动调谐期间,CV3LimitsInv 和 CVManLimiting 为真。该值为真时,CV3 - PV2 自动调谐不会启动或者将会中止。 | AtuneCV3PV2Status 的位 5 |
AtuneCV1PV2InitFault | BOOL | 在 CV1 - PV2 自动调谐开始时或 CV1 - PV2 自动调谐期间,CV1Initializing 为真。该值为真时,CV1 - PV2 自动调谐不会启动或者将会中止。 | AtuneCV1PV2Status 的位 6 |
AtuneCV2PV2InitFault | BOOL | 在 CV2 - PV2 自动调谐开始时或 CV2 - PV2 自动调谐期间,CV2Initializing 为真。该值为真时,CV2 - PV2 自动调谐不会启动或者将会中止。 | AtuneCV2PV2Status 的位 6 |
AtuneCV3PV2InitFault | BOOL | 在 CV3 - PV2 自动调谐开始时或 CV3 - PV2 自动调谐期间,CV3Initializing 为真。该值为真时,CV3 - PV2 自动调谐不会启动或者将会中止。 | AtuneCV3PV2Status 的位 6 |
AtuneCV1PV2EUSpanChanged | BOOL | 在 CV1 - PV2 自动调谐期间,CV1EUSpan 或 PV2EUSpan 发生改变。该值为真时,CV1 - PV2 自动调谐过程将中止。 | AtuneCV1PV2Status 的位 7 |
AtuneCV2PV2EUSpanChanged | BOOL | 在 CV2 - PV2 自动调谐期间,CV2EUSpan 或 PV2EUSpan 发生改变。该值为真时,CV2 - PV2 自动调谐过程将中止。 | AtuneCV2PV2Status 的位 7 |
AtuneCV3PV2EUSpanChanged | BOOL | 在 CV2 - PV3 自动调谐期间,CV3EUSpan 或 PV2EUSpan 发生改变。该值为真时,CV3 - PV2 自动调谐过程将中止。 | AtuneCV3PV2Status 的位 7 |
AtuneCV1PV2Changed | BOOL | CV1Oper(操作员控制模式)或 CV1Prog(程序控制模式)发生改变,或者 CV1 在 CV1 - PV2 自动调谐期间达到上/下限或 ROC 限制。该值为真时,CV1 - PV2 自动调谐过程将中止。 | AtuneCV1PV2Status 的位 8 |
AtuneCV2PV2Changed | BOOL | CV2Oper(操作员控制模式)或 CV2Prog(程序控制模式)发生改变,或者 CV2 在 CV2 - PV2 自动调谐期间达到上/下限或 ROC 限制。该值为真时,CV2 - PV2 自动调谐过程将中止。 | AtuneCV2PV2Status 的位 8 |
AtuneCV3PV2Changed | BOOL | CV3Oper(操作员控制模式)或 CV3Prog(程序控制模式)发生改变,或者 CV3 在 CV3 - PV2 自动调谐期间达到上/下限或 ROC 限制。该值为真时,CV3 - PV2 自动调谐过程将中止。 | AtuneCV3PV2Status 的位 8 |
AtuneCV1PV2Timeout | BOOL | 自阶跃测试开始起经过的时间长于 PV2AtuneTimeLimit。该值为真时,CV1 - PV2 自动调谐过程将中止。 | AtuneCV1PV2Status 的位 9 |
AtuneCV2PV2Timeout | BOOL | 自阶跃测试开始起经过的时间长于 PV2AtuneTimeLimit。该值为真时,CV2 - PV2 自动调谐过程将中止。 | AtuneCV2PV2Status 的位 9 |
AtuneCV3PV2Timeout | BOOL | 自阶跃测试开始起经过的时间长于 PV2AtuneTimeLimit。该值为真时,CV3 - PV2 自动调谐过程将中止。 | AtuneCV3PV2Status 的位 9 |
AtuneCV1PV2NotSettled | BOOL | PV2 变化过大而无法进行 CV1-PV2 自动调谐。该值为真时,CV1-PV2 自动调谐过程将中止。等待 PV2 达到更稳定状态再进行 CV1-PV2 自动调谐。 | AtuneCV1PV2Status 的位 10 |
AtuneCV2PV2NotSettled | BOOL | PV2 变化过大而无法进行 CV2-PV2 自动调谐。该值为真时,CV2-PV2 自动调谐过程将中止。等待 PV2 达到更稳定状态再进行 CV2-PV2 自动调谐。 | AtuneCV2PV2Status 的位 10 |
AtuneCV3PV2NotSettled | BOOL | PV2 变化过大而无法进行 CV3-PV2 自动调谐。该值为真时,CV3-PV2 自动调谐过程将中止。等待 PV2 达到更稳定状态再进行 CV3-PV2 自动调谐。 | AtuneCV3PV2Status 的位 10 |
Status1 | DINT | 功能块的位映射状态。值为 0 时表示未发生故障。任何可能配置为无效值的参数都必须具有状态参数位,来指示其无效状态。 | |
Status2 | DINT | 功能块的附加位映射状态。值为 0 时表示未发生故障。任何可能配置为无效值的参数都必须具有状态参数位,来指示其无效状态。 | |
Status3CV1 | DINT | 功能块的附加位映射 CV1 状态。值为 0 时表示未发生故障。 | |
Status3CV2 | DINT | 功能块的附加位映射 CV2 状态。值为 0 时表示未发生故障。 | |
Status3CV3 | DINT | 功能块的附加位映射 CV3 状态。值为 0 时表示未发生故障。 | |
InstructFault | BOOL | 功能块发生故障。指示 Status1、Status2 和 Status3CV(n) 相应位的状态,其中 (n) 可以是 1、2 或 3。 | Status1 的位 0 |
PV1Faulted | BOOL | 过程变量 PV1 状况不良。 | Status1 的位 1 |
PV2Faulted | BOOL | 过程变量 PV2 状况不良。 | Status1 的位 2 |
PV1SpanInv | BOOL | PV1 量程无效,PV1EUMax < PV1EUMin。 | Status1 的位 3 |
PV2SpanInv | BOOL | PV2 量程无效,PV2EUMax < PV2EUMin。 | Status1 的位 4 |
SP1ProgInv | BOOL | SP1Prog < SP1LLimit 或 > SP1HLimit。限制 SP1 的值。 | Status1 的位 5 |
SP2ProgInv | BOOL | SP2Prog < SP2LLimit or > SP2HLimit。限制 SP2 的值。 | Status1 的位 6 |
SP1OperInv | BOOL | SP1Oper < SP1LLimit or > SP1HLimit。限制 SP1 的值。 | Status1 的位 7 |
SP2OperInv | BOOL | SP2Oper < SP2LLimit or > SP2HLimit。限制 SP2 的值。 | Status1 的位 8 |
SP1LimitsInv | BOOL | 限值无效:SP1LLimit < PV1EUMin、SP1HLimit > PV1EUMax 或 SP1HLimit < SP1LLimit。如果 SP1HLimit < SP1LLimit,则使用 SP1LLimit 对值进行限制。 | Status1 的位 9 |
SP2LimitsInv | BOOL | 限值无效:SP2LLimit < PV2EUMin、SP2HLimit > PV2EUMax 或 SP2HLimit < SP2LLimit。如果 SP2HLimit < SP2LLimit,则使用 SP2LLimit 对值进行限制。 | Status1 的位 10 |
SampleTimeTooSmall | BOOL | 模型死区时间/DeltaT 必须小于或等于 200。 | Status1 的位 11 |
PV1FactorInv | BOOL | 输入的 Factor1 值 < 0。 | Status1 的位 12 |
PV2FactorInv | BOOL | 输入的 Factor2 值 < 0。 | Status1 的位 13 |
TimingModeInv | BOOL | 输入的 TimingMode 无效。如果当前模式不是超控或手控模式,则设置为手动模式。 | Status2 的位 27 |
RTSMissed | BOOL | 仅用于实时采样模式。ABS(DeltaT – RTSTime) > 1 毫秒时为真。 | Status2 的位 28。 |
RTSTimeInv | BOOL | 输入的 RTSTime 无效。 | Status2 的位 29。 |
RTSTimeStampInv | BOOL | RTSTimeStamp 无效。如果当前模式不是超控或手控模式,则设置为手动模式。 | Status2 的位 30。 |
DeltaTInv | BOOL | DeltaT 无效。如果当前模式不是超控或手控模式,则设置为手动模式。 | Status2 的位 31。 |
CV1Faulted | BOOL | 控制变量 CV1 状况不良。 | Status3CV1 的位 0 |
CV2Faulted | BOOL | 控制变量 CV2 状况不良。 | Status3CV2 的位 0 |
CV3Faulted | BOOL | 控制变量 CV3 状况不良。 | Status3CV3 的位 0 |
CV1HandFBFaulted | BOOL | CV1 HandFB 值状况不良。 | Status3CV1 的位 1 |
CV2HandFBFaulted | BOOL | CV2 HandFB 值状况不良。 | Status3CV2 的位 1 |
CV3HandFBFaulted | BOOL | CV3 HandFB 值状况不良。 | Status3CV3 的位 1 |
CV1ProgInv | BOOL | CV1Prog < 0 或 > 100,或者当 CVManLimiting 为真时,< CV1LLimit 或 > CV1HLimit。将限制 CV1 的值。 | Status3CV1 的位 2 |
CV2ProgInv | BOOL | CV2Prog < 0 或 > 100,或者当 CVManLimiting 为“真”(TRUE) 时,< CV2LLimit 或 > CV2HLimit。限制 CV2 的值。 | Status3CV2 的位 2 |
CV3ProgInv | BOOL | CV3Prog < 0 或 > 100,或者当 CVManLimiting 为“真”(TRUE) 时,< CV3LLimit 或 > CV3HLimit。限制 CV3 的值。 | Status3CV3 的位 2 |
CV1OperInv | BOOL | CV1Oper < 0 或 > 100,或者当 CVManLimiting 为“真”(TRUE) 时,< CV1LLimit 或 > CV1HLimit。将限制 CV1 的值。 | Status3CV1 的位 3 |
CV2OperInv | BOOL | CV2Oper < 0 或 > 100,或者当 CVManLimiting 为“真”(TRUE) 时,< CV2LLimit 或 > CV2HLimit。限制 CV2 的值。 | Status3CV2 的位 3 |
CV3OperInv | BOOL | CV3Oper < 0 或 > 100,或者当 CVManLimiting 为“真”(TRUE) 时,< CV3LLimit 或 > CV3HLimit。限制 CV3 的值。 | Status3CV3 的位 3 |
CV1OverrideValueInv | BOOL | CV1OverrideValue < 0 或 > 100。将限制 CV1 的值。 | Status3CV1 的位 4 |
CV2OverrideValueInv | BOOL | CV2OverrideValue < 0 或 > 100。限制 CV2 的值。 | Status3CV2 的位 4 |
CV3OverrideValueInv | BOOL | CV3OverrideValue < 0 或 > 100。限制 CV3 的值。 | Status3CV3 的位 4 |
CV1EUSpanInv | BOOL | CV1EU 的量程无效,CV1EUMax 等于 CV1EUMin。 | Status3CV1 的位 5 |
CV2EUSpanInv | BOOL | CV2EU 量程无效,CV2EUMax 等于 CV2EUMin。 | Status3CV2 的位 5 |
CV3EUSpanInv | BOOL | CV3EU 量程无效,CV3EUMax 等于 CV3EUMin。 | Status3CV3 的位 5 |
CV1LimitsInv | BOOL | CV1LLimit < 0、CV1HLimit > 100 或 CV1HLimit <= CV1LLimit。如果 CV1HLimit <= CV1LLimit,则将使用 CV1LLimit 限制 CV1 值。 | Status3CV1 的位 6 |
CV2LimitsInv | BOOL | CV2LLimit < 0、CV2HLimit > 100 或 CV2HLimit <= CV2LLimit。如果 CV2HLimit <= CV2LLimit,则使用 CV2LLimit 限制 CV2。 | Status3CV2 的位 6 |
CV3LimitsInv | BOOL | CV3LLimit < 0、CV3HLimit > 100 或 CV3HLimit <= CV3LLimit。如果 CV3HLimit <= CV3LLimit,则使用 CV3LLimit 限制 CV3。 | Status3CV3 的位 6 |
CV1ROCLimitInv | BOOL | 输入的 CV1ROCLimit 值 < 0,禁用 CV1 ROC 限制。 | Status3CV1 的位 7 |
CV2ROCLimitInv | BOOL | 输入的 CV2ROCLimit 值 < 0,禁用 CV2 ROC 限制。 | Status3CV2 的位 7 |
CV3ROCLimitInv | BOOL | 输入的 CV3ROCLimit 值 < 0,禁用 CV3 ROC 限制。 | Status3CV3 的位 7 |
CV1HandFBInv | BOOL | CV1 HandFB < 0 或 > 100。将限制 CV1 的值。 | Status3CV1 的位 8 |
CV2HandFBInv | BOOL | CV2 HandFB < 0 或 > 100。限制 CV2 的值。 | Status3CV2 的位 8 |
CV3HandFBInv | BOOL | CV3 HandFB < 0 或 > 100。限制 CV3 的值。 | Status3CV3 的位 8 |
CV1PV1ModelGainInv | BOOL | CV1PV1ModelGain 为 1.#QNAN 或 -1.#IND。(非数字),或者 ± 1.$(无穷大 ∞)。 | Status3CV1 的位 9 |
CV2PV1ModelGainInv | BOOL | 输入的 CV2 - PV1 模型增益为 1.#QNAN 或 -1.#IND。(非数字),或者 ± 1.$(无穷大 ∞ | Status3CV2 的位 9 |
CV3PV1ModelGainInv | BOOL | 输入的 CV3 - PV1 模型增益为 1.#QNAN 或 -1.#IND。(非数字),或者 ± 1.$ (无穷大 ∞)。 | Status3CV3 的位 9 |
CV1PV2ModelGainInv | BOOL | CV1PV2ModelGain 为 1.#QNAN 或 -1.#IND。(非数字),或者 ± 1.$(无穷大 ∞)。 | Status3CV1 的位 10 |
CV2PV2ModelGainInv | BOOL | 输入的 CV2 - PV2 模型增益为 1.#QNAN 或 -1.#IND。(非数字),或者 ± 1.$(无穷大 ∞)。 | Status3CV2 的位 10 |
CV3PV2ModelGainInv | BOOL | 输入的 CV3 - PV2 模型增益为 1.#QNAN 或 -1.#IND。(非数字),或者 ± 1.$ (无穷大 ∞)。 | Status3CV3 的位 10 |
CV1PV1ModelTCInv | BOOL | 输入的 CV1 - PV1 模型时间常数值 < 0。 | Status3CV1 的位 11 |
CV2PV1ModelTCInv | BOOL | 输入的 CV2 - PV1 模型时间常数值 < 0。 | Status3CV2 的位 11 |
CV3PV1ModelTCInv | BOOL | 输入的 CV3 - PV1 模型时间常数值 < 0。 | Status3CV3 的位 11 |
CV1PV2ModelTCInv | BOOL | 输入的 CV1 - PV2 模型时间常数值 < 0。 | Status3CV1 的位 12 |
CV2PV2ModelTCInv | BOOL | 输入的 CV2 - PV2 模型时间常数值 < 0。 | Status3CV2 的位 12 |
CV3PV2ModelTCInv | BOOL | 输入的 CV3 - PV2 模型时间常数值 < 0。 | Status3CV3 的位 12 |
CV1PV1ModelDTInv | BOOL | 输入的 CV1 - PV1 模型死区时间值 < 0。 | Status3CV1 的位 13 |
CV2PV1ModelDTInv | BOOL | 输入的 CV2 - PV1 模型死区时间值 < 0。 | Status3CV2 的位 13 |
CV3PV1ModelDTInv | BOOL | 输入的 CV3 - PV1 模型死区时间值 < 0。 | Status3CV3 的位 13 |
CV1PV2ModelDTInv | BOOL | 输入的 CV1 - PV2 模型死区时间值 < 0。 | Status3CV1 的位 14 |
CV2PV2ModelDTInv | BOOL | 输入的 CV2 - PV2 模型死区时间值 < 0。 | Status3CV2 的位 14 |
CV3PV2ModelDTInv | BOOL | 输入的 CV3 - PV2 模型死区时间值 < 0。 | Status3CV3 的位 14 |
CV1PV1RespTCInv | BOOL | 输入的 CV1 - PV1 响应时间常数值 < 0。 | Status3CV1 的位 15 |
CV2PV1RespTCInv | BOOL | 输入的 CV2 - PV1 响应时间常数值 < 0。 | Status3CV2 的位 15 |
CV3PV1RespTCInv | BOOL | 输入的 CV3 - PV1 响应时间常数值 < 0。 | Status3CV3 的位 15 |
CV1PV2RespTCInv | BOOL | 输入的 CV1 - PV2 响应时间常数值 < 0。 | Status3CV1 的位 16 |
CV2PV2RespTCInv | BOOL | 输入的 CV2 - PV2 响应时间常数值 < 0。 | Status3CV2 的位 16 |
CV3PV2RespTCInv | BOOL | 输入的 CV3 - PV2 响应时间常数值 < 0。 | Status3CV3 的位 16 |
CV1TargetInv | BOOL | 输入的 CV1 目标值 < 0 或 > 100。 | Status3CV1 的位 17 |
CV2TargetInv | BOOL | 输入的 CV2 目标值 < 0 或 > 100。 | Status3CV2 的位 17 |
CV3TargetInv | BOOL | 输入的 CV3 目标值 < 0 或 > 100。 | Status3CV3 的位 17 |
说明
MMC 是一种基于模型的灵活算法,可用在两种基本配置模式中:
- 使用三个控制变量控制两个交互作用的过程变量
- 使用两个控制变量控制两个交互作用的过程变量
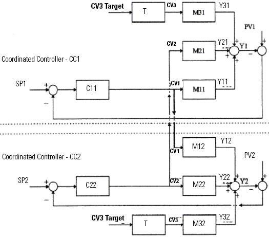
以下是 MMC 功能块分离器配置示例。

项目 | 说明 |
M11 | 内部模型 CV1 - PV1 |
M21 | 内部模型 CV2 - PV1 |
M31 | 内部模型 CV3 - PV1 |
M12 | 内部模型 CV1 - PV2 |
M22 | 内部模型 CV2 - PV2 |
M32 | 内部模型 CV3 - PV2 |
T | 目标响应 |
C11、C22 | 模型预测功能块 (IMC),目前分别将控制 PV1 和 PV2,使其达到 SP1 和 SP2 |
Y11、Y21、Y31、Y12、Y22、Y32 | M11、M21、M31、M12、M22、M32 的模型输出 |
Y1 | PV1 预测值 |
Y2 | PV2 预测值 |
CV1(回流比) | 使用协调控制 (CC1) 控制 PV1(塔顶组成)。 |
CV2(蒸汽流量) | 使用协调控制 (CC2) 控制 PV2(塔底组成)。 |
CV3 | 驱动目标值达到目标响应。 |
影响数学状态标志
否
严重/轻微故障
没有特定于此指令的故障。对于数组索引故障,请参阅 数组索引编制。
执行
请注意,在结构化文本中,EnableIn 在普通扫描期间始终为 true。因此,如果指令处于由逻辑激活的控制路径中,指令将会执行。
有关更多详细信息,包括所有功能块指令的定义和常规行为,请参阅“功能块属性”部分。
阴影区域下方的所有状况仅能在普通扫描模式期间出现。
条件/状态 | 执行的操作 |
预扫描 | .EnableIn 和 .EnableOut 位设置为假。 |
后扫描 | .EnableIn 和 .EnableOut 位设置为假。 |
EnableIn 为假 | .EnableIn 和 .EnableOut 位设置为假。 |
指令首次运行 | 不执行任何特定状态下的操作。 不执行主算法,但验证输入参数。 |
指令首次扫描 | 不执行任何特定状态下的操作。 不执行主算法,但验证输入参数。 |
EnableIn 为真 | .EnableIn 和 .EnableOut 位设置为真。 将执行指令的主算法,并更新输出。 |
本地执行
平台 | 内部/主要功能 |
ABRisc / ARM | ABRisc 汇编代码 void FB_ModularMultivariableControl(UINT32 *pulArg0Ptr) |
RCA | MMC(instance) void FB_ModularMultivariableControl(UINT32 *pulArg0Ptr) |
SoftLogix (X86) | void rts$MMC(UINT32 *pFbdBlock) |
示例
功能块

结构化文本
mmcTag.PV1 := mmcInput1;
mmcTag.PV2 := mmcInput2;
mmcTag.SP1Prog := mmcInput3;
mmcTag.SP2Prog := mmcInput4;
mmcTag.CV1Prog := mmcInput5;
mmcTag.CV2Prog := mmcInput6;
mmcTag.CV3Prog := mmcInput7;
MMC(mmcTag);
mmcOutput1 := mmcTag.CV1EU;
mmcOutput2 := mmcTag.CV2EU;
mmcOutput3 := mmcTag.CV3EU;
提供反馈