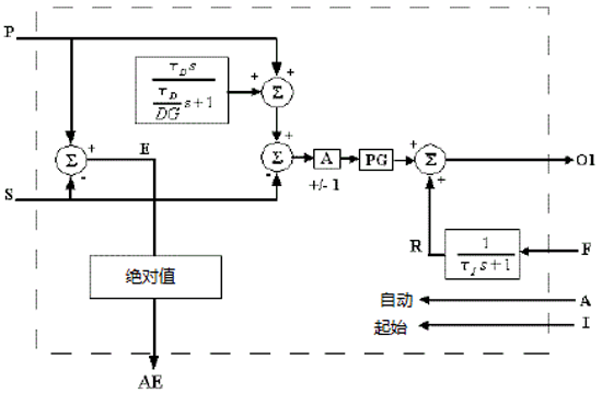
IPIDController 功能块操作
当“输入自动”为“TRUE”时,IPIDController 以正常的自动模式运行。
当“输入自动”为“FALSE”时,它将使得 R 被复位为跟踪 (F-GE),强制 IPIDController 输出跟踪 IPIDController 限定范围内的反馈,此时控制器会切换回自动,而不会增加输出。
IPIDController 功能块操作

对于输入初始化,当 AutoTune 为 FALSE 时,从 FALSE 更改为 TRUE 或从 TRUE 更改为 FALSE,会导致在相应循环期间 IPIDController 消除任何比例增益操作(例如初始化)。当使用切换功能块对 SetPoint 进行更改时,使用此进程来防止增加输出。
要运行 AutoTune 序列,必须完成输入 ATParameters。必须根据进程和所设置的 DerivativeGain,来设置输入增益和 DirectActing 参数(通常为 0.1)。AutoTune 序列从以下序列开始:
- 将输入初始化设置为 TRUE。
- 将输入自动调节设置为 TRUE。
- 将输入初始化更改为 FALSE。
- 稍候,直到输出 ATWarning 更改为 2。
- 将输出 OutGains 的值传输至输入增益。
要完成调节,可性能需要某些微调,具体取决于进程和需求。当将 TimeDerivative 设置为 0.0 时,IPIDController 会强制 DerivativeGain 设置为 1.0,然后作为 PI 控制器进行工作。
提供反馈