Loading

PowerFlex 755T Drives Technical Resources

Quickly access manuals, diagrams, and videos for your product.
PowerFlex 755T 变频器
PowerFlex 755T 变频器
  • New to PowerFlex 755T Drives?
  • Frame Details
  • 安装
  • Use and Operation
  • Troubleshooting
  • Control Block Diagrams
  • Related Content
文档中心主页
 

PowerFlex® 755T drive products provide harmonic mitigation, regeneration, non-regenerative, and common bus solutions that help reduce energy costs, gain flexibility, and increase productivity. PowerFlex drives use TotalFORCE® technology to achieve motor control through precise, adaptive control of torque, velocity, and position. TotalFORCE technology incorporates several patented features that are designed to help optimize your system and maintain productivity through improved machine uptime.

 

New to PowerFlex 755T Drives?

请从以下资源开始,帮助您选择所需内容:

DownloadDownload
PowerFlex 低压变频器选型指南
DownloadDownload
带 TotalFORCE 控制的 PowerFlex 750-Series 产品技术规格
ROK Talk on Drives podcast
 
  • PowerFlex 755T Drives standard architecture

    Standard architecture: PowerFlex 755T drive products provide harmonic mitigation, regeneration, non-regenerative, and common bus solutions that help reduce energy costs, gain flexibility, and increase productivity.

    Learn more about PowerFlex 755T drives

     

  • PowerFlex 755T Drives safety architecture

    Safety architecture

    Learn about Safe Stop Functional Safety

  • PowerFlex 755T Drives security architecture

    Security architecture: Some PowerFlex 755T products with TotalFORCE Control firmware revision 13.002 or later support IEC-62443-4-2 SL 1 security requirements.

    Learn more about developing secure applications

PowerFlex 755T Drives standard architecture

Standard architecture: PowerFlex 755T drive products provide harmonic mitigation, regeneration, non-regenerative, and common bus solutions that help reduce energy costs, gain flexibility, and increase productivity.

Learn more about PowerFlex 755T drives

 

PowerFlex 755T Drives safety architecture

Safety architecture

Learn about Safe Stop Functional Safety

PowerFlex 755T Drives security architecture

Security architecture: Some PowerFlex 755T products with TotalFORCE Control firmware revision 13.002 or later support IEC-62443-4-2 SL 1 security requirements.

Learn more about developing secure applications

Chevron LeftChevron Left
PowerFlex 755T Drives standard architecture
Chevron LeftChevron Left
PowerFlex 755T Drives safety architecture
PowerFlex 755T Drives security architecture

Frame Details

Select your frame size for hardware service information.

Frame 5 Kits Frame 6 Kits Frame 6L Kits Frame 7 Kits Frame 7L Kits Frames 8-15 Kits
Frames

Installation

Installation Preparation

This chapter covers the conditions, requirements, and specifications necessary to install your PowerFlex drive product.

InformationInformation
Learn more about installation preparation (PowerFlex 755T Drives)
Mechanical and Electrical Installation

The PowerFlex 755T installation process is divided into three principal tasks:

• Mechanically install the enclosures

• Make the electrical interconnections between enclosures if required

• Make power supply and motor connections

InformationInformation
Learn more about mechanical and electrical installation (PowerFlex 755T Drives)
 

Use and Operation

 
Preventative and Predictive Maintenance

The overall goal of the predictive maintenance function is to enable regular maintenance of drives, motors, and machines.

 

Learn more about predictive maintenance:

InformationInformation
PowerFlex 755T 变频器

 

Learn more about preventative and predictive maintenance by frame:

InformationInformation
Frames 5 and 6
InformationInformation
Frames 6L and 7L
InformationInformation
Frames 7 and 8...15
Start Up After Repair

After you have completed repairs and before power has been applied, complete the detailed instructions for starting up a regenerative drive, regenerative bus supply, and common bus inverter.

 

Learn more about start up after repair by frame:

InformationInformation
Frames 5 and 6
InformationInformation
Frames 6L and 7L
InformationInformation
Frames 7 and 8...15
PowerFlex 755T Predictive Maintenance Technology
视频
PowerFlex 755T Predictive Maintenance Technology

Learn how to configure, use, and access data for PowerFlex TotalFORCE predictive maintenance.

PlayPlay
Watch PowerFlex 755T Predictive Maintenance Technology video on YouTube

Troubleshooting

故障代码查询 - PowerFlex Products with TotalFORCE Control

请选择一个产品系列
Product family
Product family *
输入故障代码,例如1

Access the full set of fault codes: PowerFlex Drives with TotalFORCE Control Conditions Reference Data.

故障代码查询 - PowerFlex Products with TotalFORCE Control

请选择一个产品系列
Product family
Product Family *
输入故障代码,例如1

Access the full set of fault codes: PowerFlex Drives with TotalFORCE Control Conditions Reference Data.

Condition Codes

To troubleshoot issues with a drive, you can:

  • Review fault and alarm codes via Connected Components Workbench™, Studio 5000 Logix Designer®, or a human interface module (HIM)
  • Monitor status indicators
  • Use testpoints
InformationInformation
Learn how to use fault, alarm, event, and exception codes
DownloadDownload
Download the PowerFlex Drives with TotalFORCE Control Condition Codes spreadsheet
PlayPlay
Watch PowerFlex 755TS Drive Faults and Alarms video on YouTube
 
Parameters

To configure a drive module to operate in a specific way, certain drive parameters must be configured appropriately.

InformationInformation
Learn how to use parameters
DownloadDownload
Download the PowerFlex Drives with TotalFORCE Control Parameters spreadsheet
 

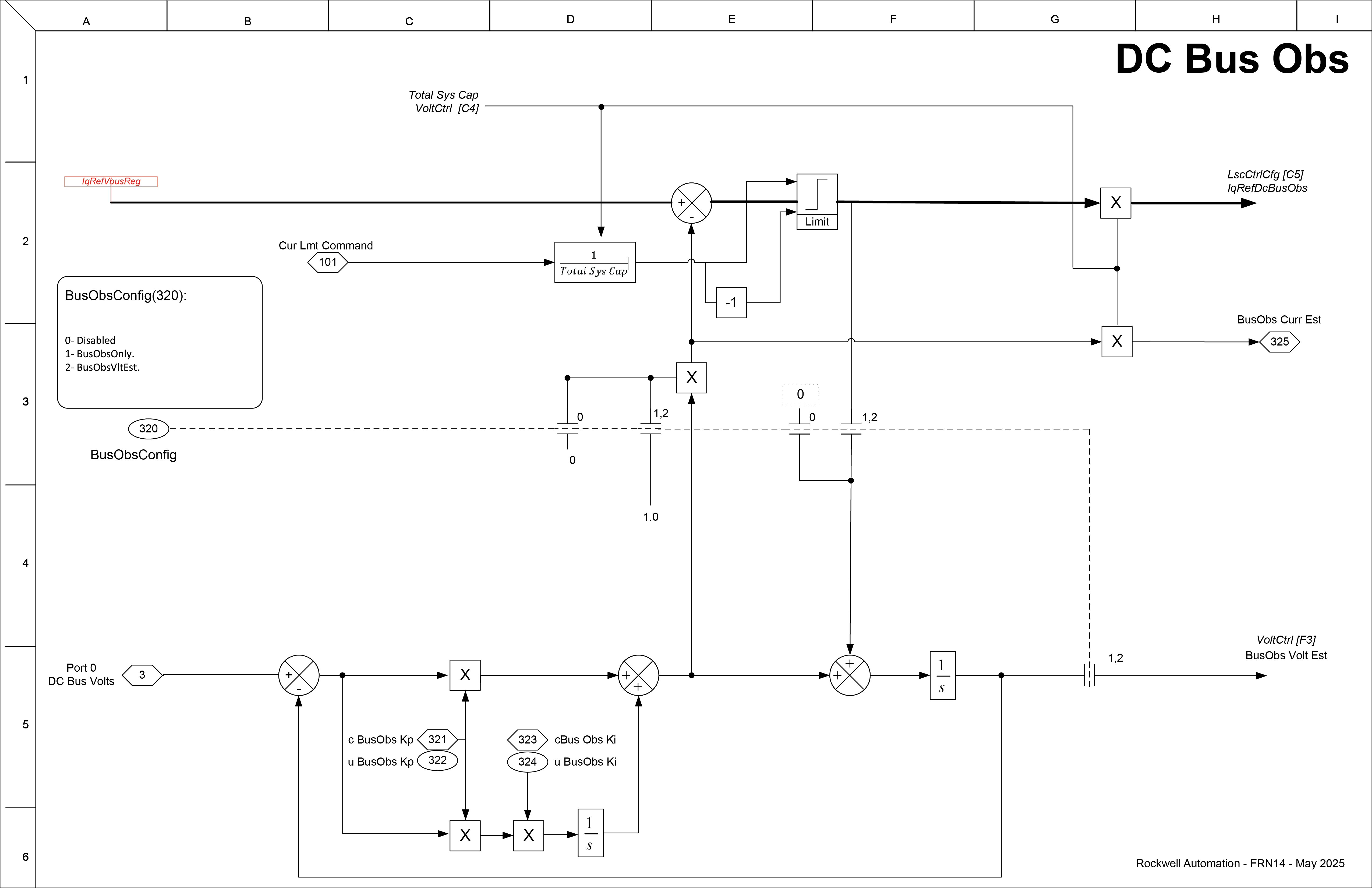
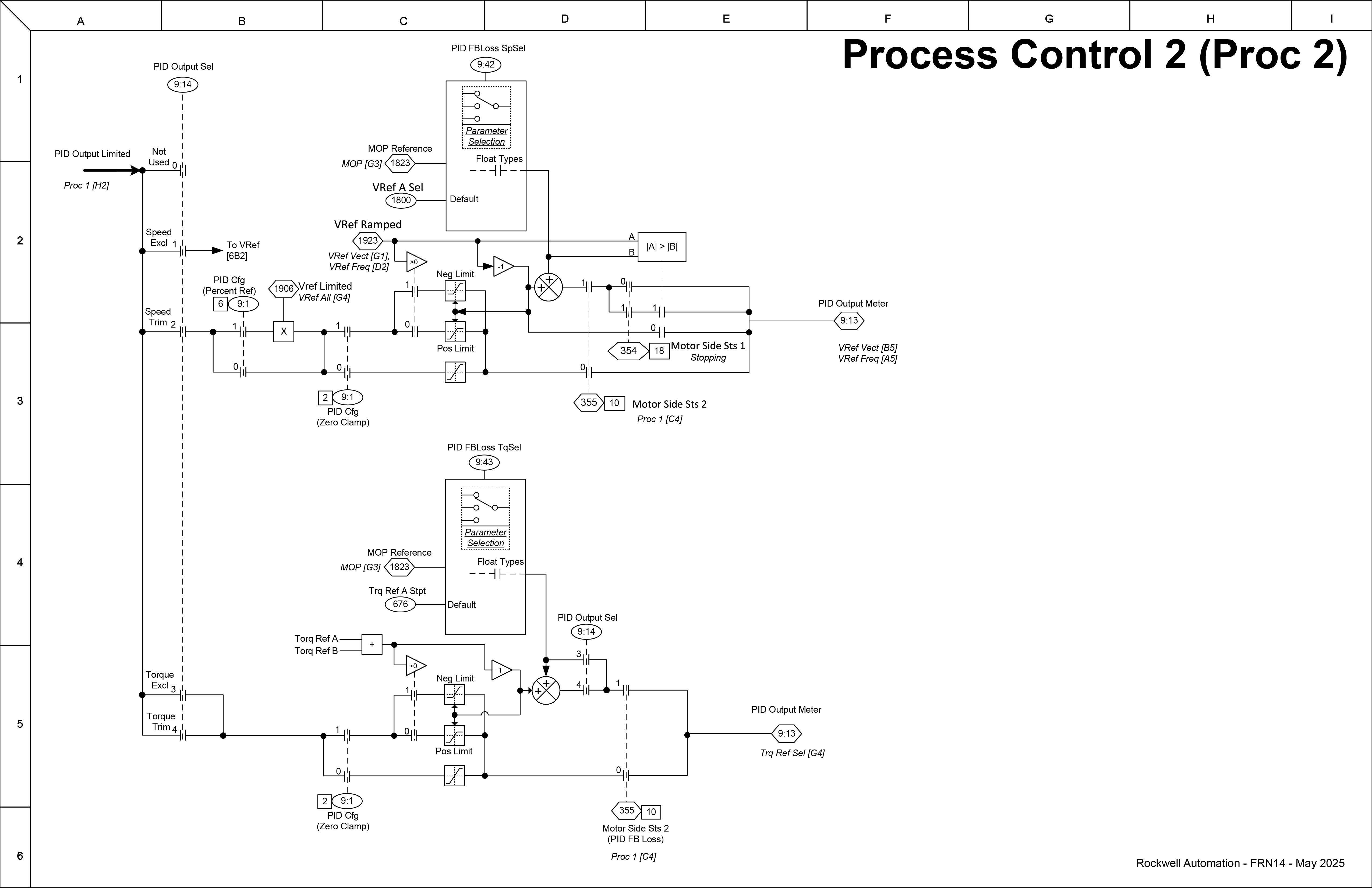
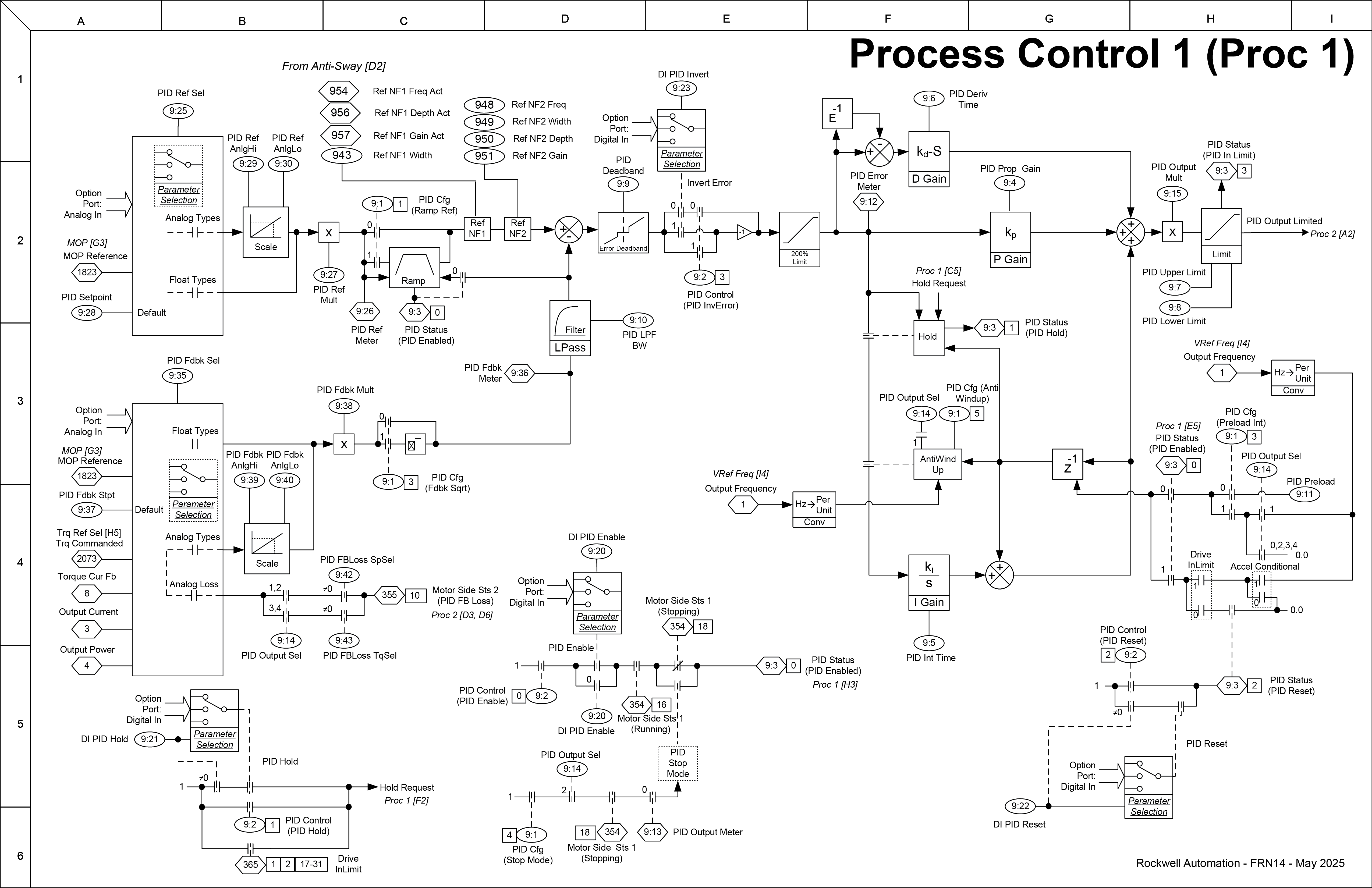
Control Block Diagrams

Flow diagrams illustrate the PowerFlex 755T drive control algorithms.

Convention
Download Options

Firmware Revision 14 (FRN14) Line Side Converter and Motor Side Inverter control block diagrams can be downloaded individually or in bulk as a .zip or PDF file.

DownloadDownload .ZIP DownloadDownload PDF
 

These diagrams are for reference only and may not accurately reflect all logical control signals; actual functionality is implied by the approximated diagrams. Accuracy of these diagrams is not guaranteed.

 
  1. Line Side Converter (PowerFlex 755TL Drives, 755TR Drives, and 755TM Bus Supplies)
  2. Motor Side Inverter
Open All Close All
Line Side Converter (PowerFlex 755TL Drives, 755TR Drives, and 755TM Bus Supplies)
Current Control
DownloadDownload
Current Control
 
Drive Derating
DownloadDownload
Drive Derating
 
Line Side Converter Data
DownloadDownload
Line Side Converter Data
 
Power Factor Correction
DownloadDownload
Power Factor Correction
 
Reactive Power Control
DownloadDownload
Reactive Power Control
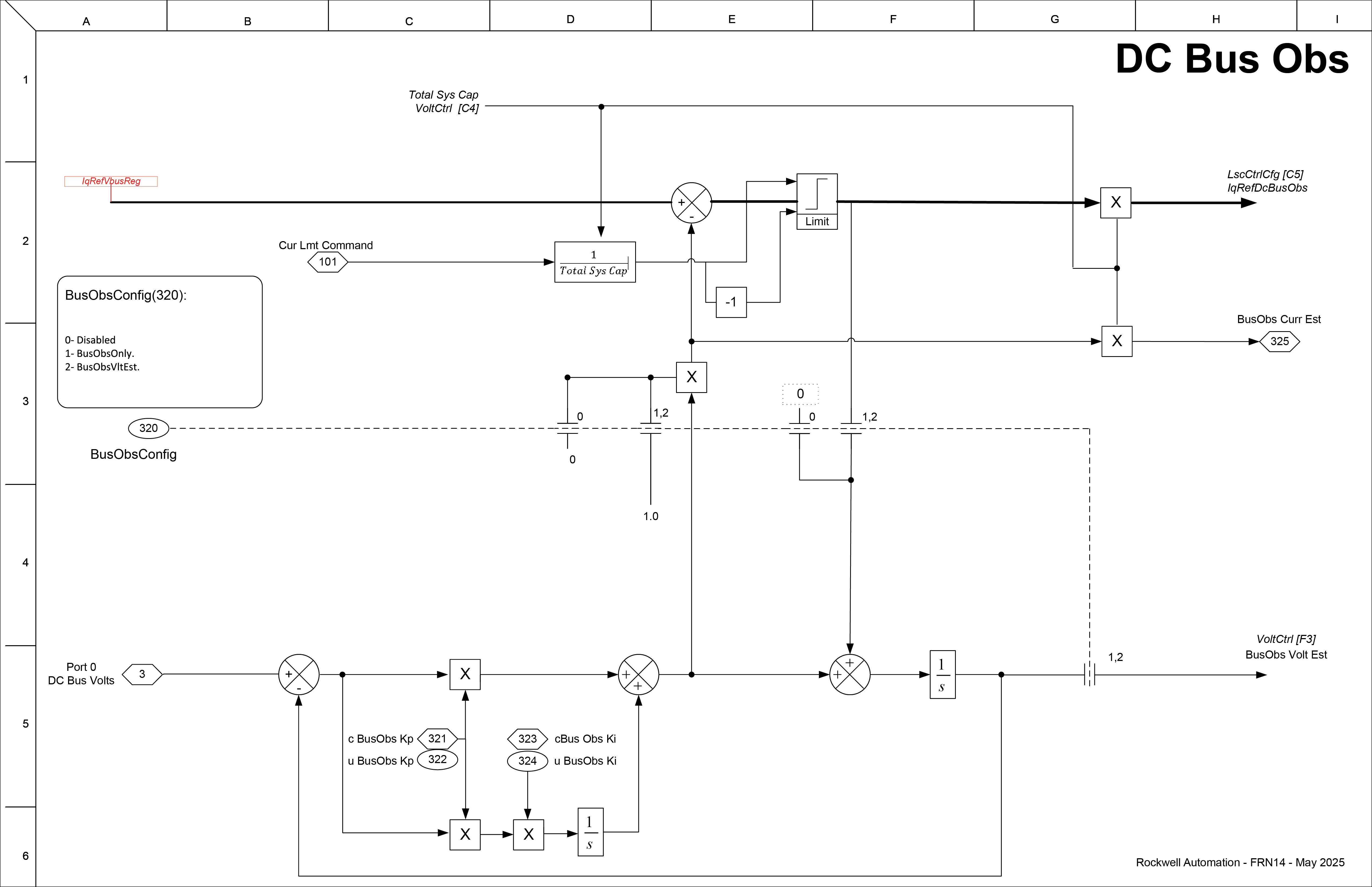
DC Bus Observer
DownloadDownload
DC Bus Observer
 
Droop Control
DownloadDownload
Droop Control
 
LSC Control Configuration
DownloadDownload
LSC Control Configuration
 
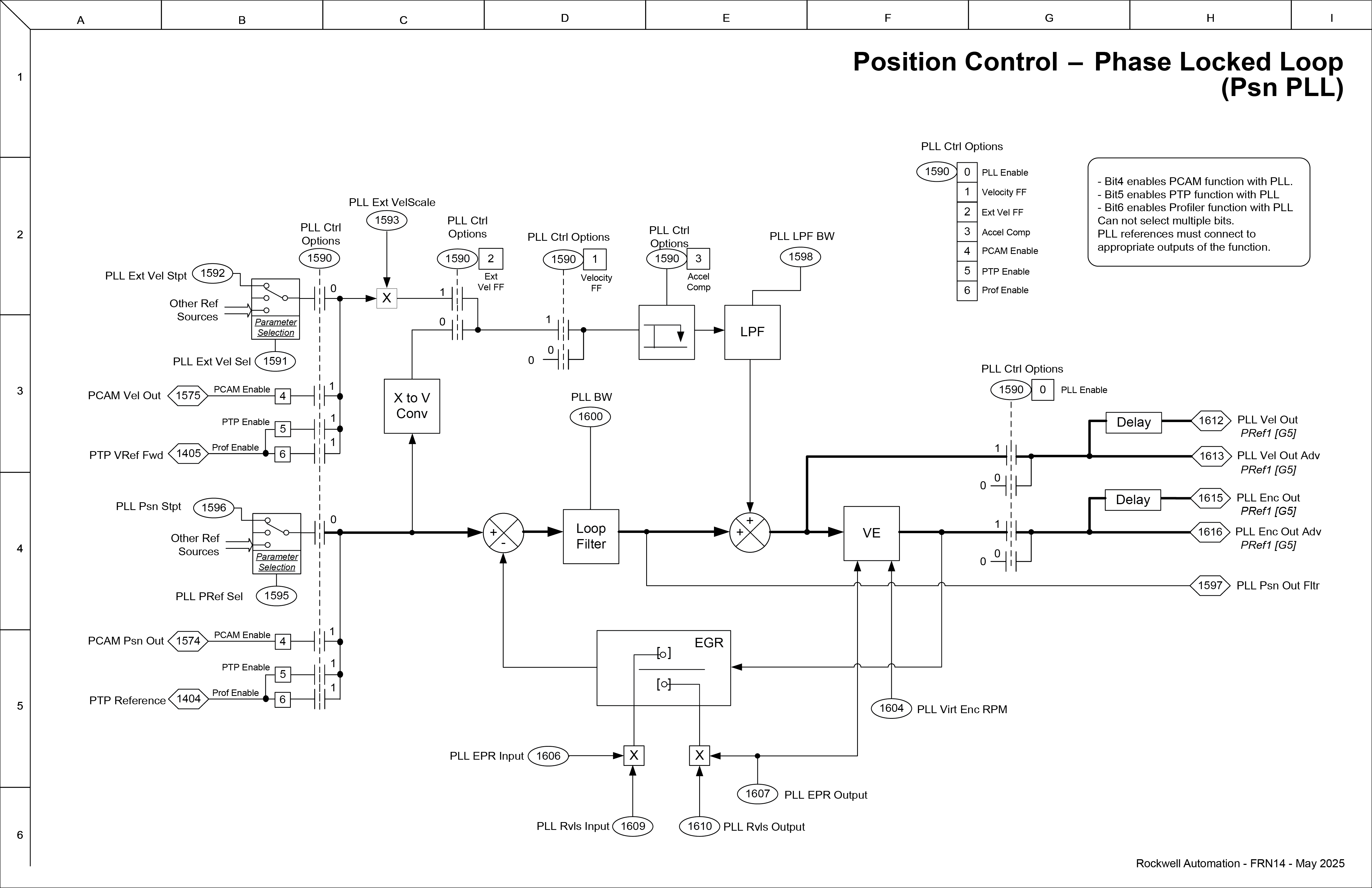
Phase Locked Loop
DownloadDownload
Phase Locked Loop
 
Voltage Control
DownloadDownload
Voltage Control
Current Reference Generator
DownloadDownload
Current Reference Generator
 
Dynamic Bus Control
DownloadDownload
Dynamic Bus Control
 
Metering
DownloadDownload
Metering
 
Power Loss
DownloadDownload
Power Loss
 
Voltage Reference Generator
DownloadDownload
Voltage Reference Generator
Motor Side Inverter
Open All
Close All

These diagrams are applicable to PowerFlex 755TS, 755TL, 755TR, and 755TM products.

A control block diagram that illustrates the PowerFlex 755T drive control algorithms.
DownloadDownload
11-Series Inputs & Outputs - Analog
 
11-Series Inputs & Outputs - Digital
DownloadDownload
11-Series Inputs & Outputs - Digital
 
22-Series Inputs & Outputs - Digital
DownloadDownload
22-Series Inputs & Outputs - Digital
11-Series Inputs & Outputs - ATEX
DownloadDownload
11-Series Inputs & Outputs - ATEX
 
22-Series Inputs & Outputs - Analog
DownloadDownload
22-Series Inputs & Outputs - Analog
Control Logic
DownloadDownload
Control Logic
 
Curr/Pwr Limits
DownloadDownload
Curr/Pwr Limits
 
Friction Compensation
DownloadDownload
Friction Compensation
 
High Speed Trend Wizard
DownloadDownload
High Speed Trend Wizard
 
Load Observer
DownloadDownload
Load Observer
 
Motor Overload
DownloadDownload
Motor Overload
 
Pump Off
DownloadDownload
Pump Off
 
Reference Notch Filter 1 for Crane Application
DownloadDownload
Reference Notch Filter 1 for Crane Application
CBI Metering
DownloadDownload
CBI Metering
 
Feedback Configuration and Status
DownloadDownload
Feedback Configuration & Status
 
Flux Vector Overview
DownloadDownload
Flux Vector Overview
 
Inverter Overload IT
DownloadDownload
Inverter Overload IT
 
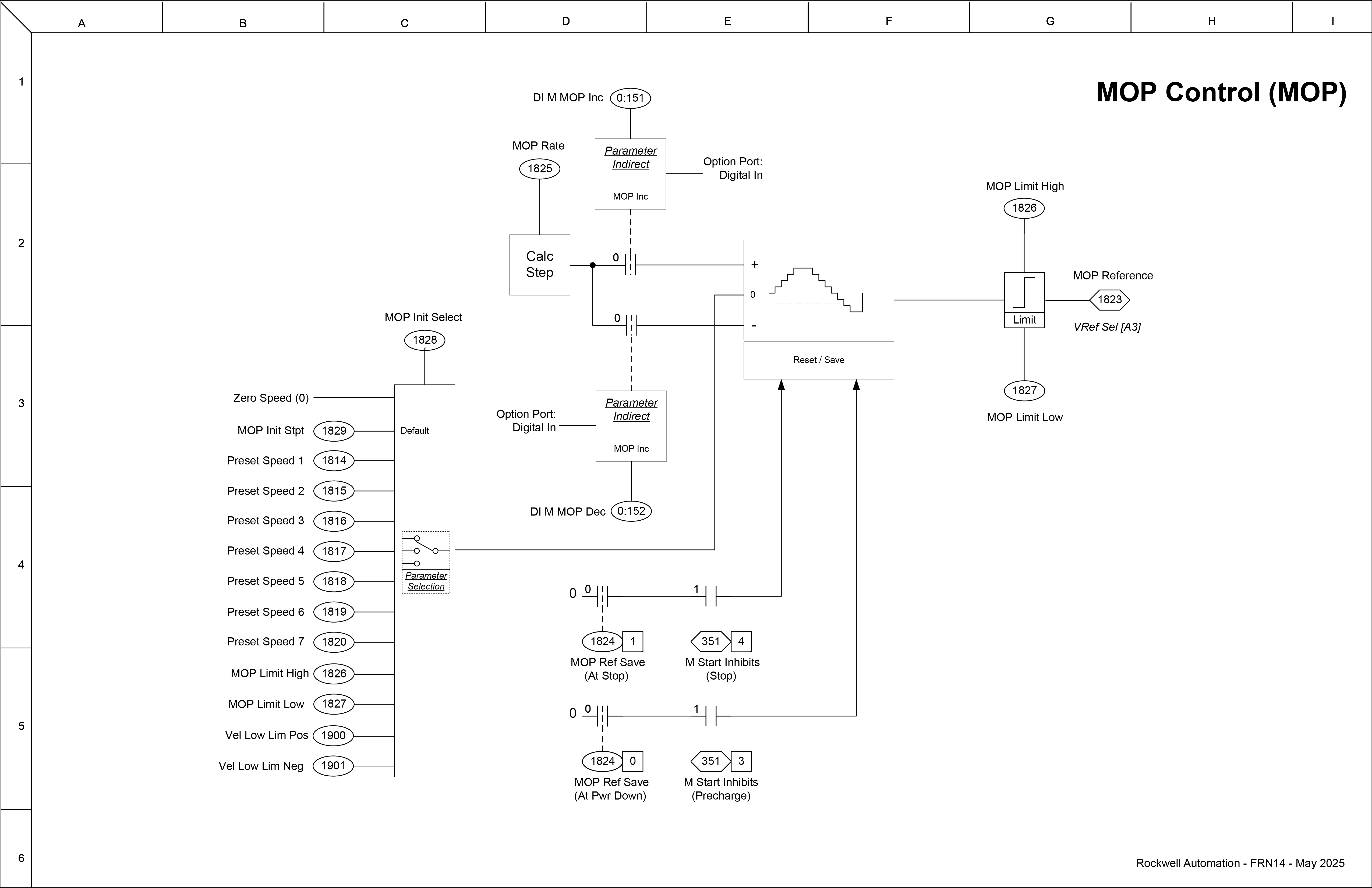
MOP Control
DownloadDownload
MOP Control
 
PowerFlex 755T Converter Overview
DownloadDownload
PowerFlex 755T Converter Overview
 
Pump Jack and Progressive Cavity Pump
DownloadDownload
Pump Jack and Progressive Cavity Pump
 
Variable Frequency (V/Hz), SV Overview
DownloadDownload
Variable Frequency (V/Hz), SV Overview
Position Control - Phase Locked Loop
DownloadDownload
Position Control - Phase Locked Loop
 
Position Control - Profiler/Indexer 1
DownloadDownload
Position Control - Profiler/Indexer 1
 
Position Control - Roll Position Indicator
DownloadDownload
Position Control - Roll Position Indicator
 
Position Homing
DownloadDownload
Position Homing
 
Position Reference 2
DownloadDownload
Position Reference 2
 
PTP Position Reference - Move Profiles
DownloadDownload
PTP Position Reference - Move Profiles
Position Control - Position Reference CAM
DownloadDownload
Position Control - Position Reference CAM
 
Position Control - Profiler/Indexer 2
DownloadDownload
Position Control - Profiler/Indexer 2
 
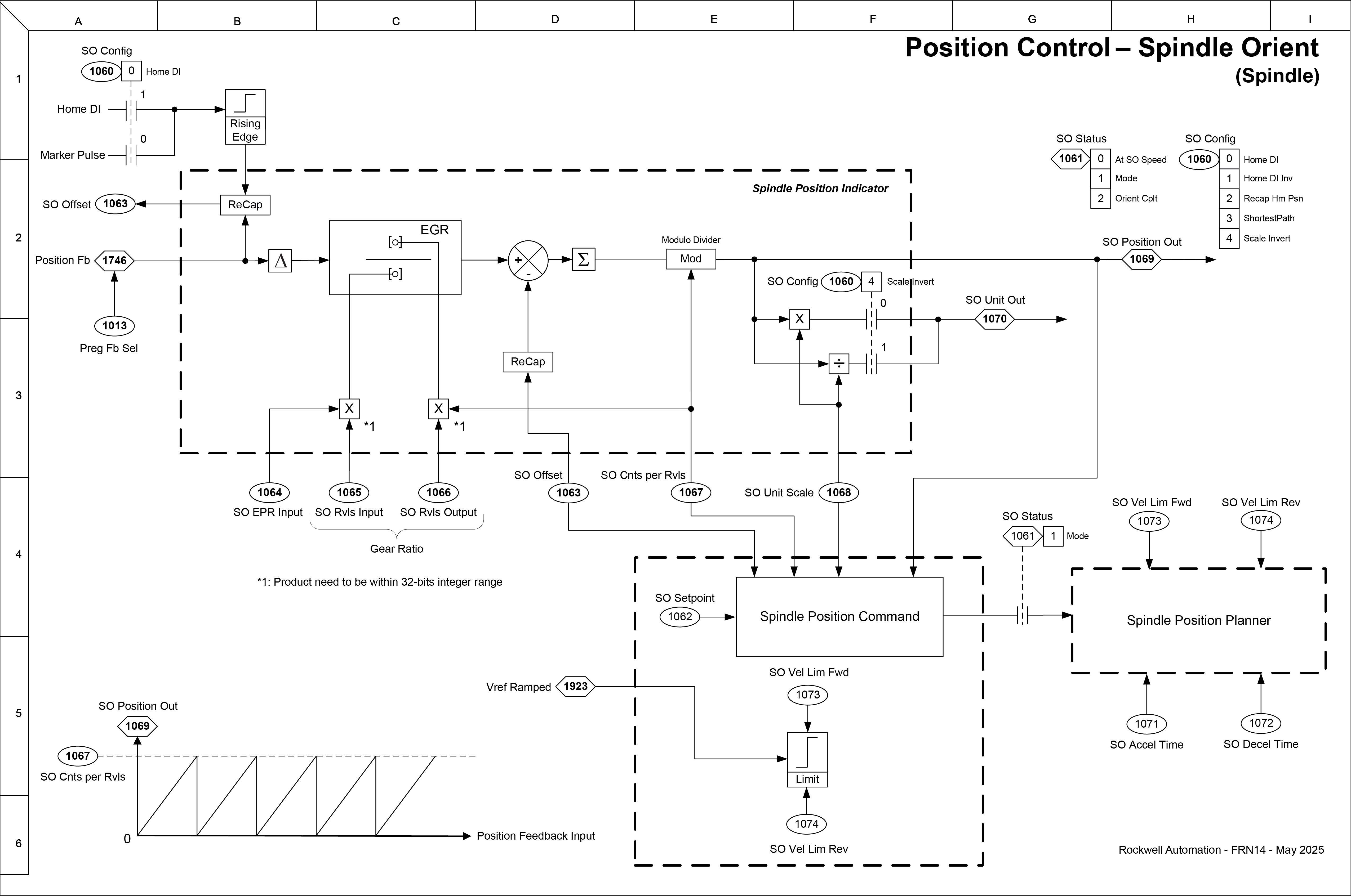
Position Control - Spindle Orient
DownloadDownload
Position Control - Spindle Orient
 
Position Reference 1
DownloadDownload
Position Reference 1
 
Position Regulator
DownloadDownload
Position Regulator
 
Process Control 1
DownloadDownload
Process Control 1
Process Control 2
DownloadDownload
Process Control 2
Torque Control - Current, for Induction Motor
DownloadDownload
Torque Control - Current, for Induction Motor
 
Torque Control - Current, for Synchronous Reluctance Motor
DownloadDownload
Torque Control - Current, for Synchronous Reluctance Motor
 
Torque Overview
DownloadDownload
Torque Overview
 
Torque Reference CAM
DownloadDownload
Torque Reference CAM
Torque Control - Current, for Permanent Magnet Motor
DownloadDownload
Torque Control - Current, for Permanent Magnet Motor
Torque Filters
DownloadDownload
Torque Filters
 
 
Torque Reference
DownloadDownload
Torque Reference
 
Torque Reference Selection
DownloadDownload
Torque Reference Selection
Velocity Reference - All
DownloadDownload
Velocity Reference - All
 
Velocity Reference Flux Vector - Move Profiles
DownloadDownload
Velocity Reference Flux Vector - Move Profiles
 
Velocity Reference Overview
DownloadDownload
Velocity Reference Overview
 
Velocity Regulator - Flux Vector
DownloadDownload
Velocity Regulator - Flux Vector
Velocity Reference - Flux Vector
DownloadDownload
Velocity Reference - Flux Vector
 
Velocity Reference CAM
DownloadDownload
Velocity Reference CAM
 
Velocity Reference Selection
DownloadDownload
Velocity Reference Selection

相关内容

 

PowerFlex 755TS Drives Documentation

Open All
Close All
需要技术规格参数?
DownloadDownload
PowerFlex 低压变频器选型指南
DownloadDownload
PowerFlex 755TS 产品(配备 TotalFORCE 控制)规格
DownloadDownload
PowerFlex AC 变频器根据生态设计法规 (EU) 2019/1781 和英国 SI 2021 No. 745 的性能规范

认证

Literature LibraryLiterature Library
Browse PowerFlex 755TS drive certification documents
准备好安装了吗?
DownloadDownload
PowerFlex 755TS 产品(配备 TotalFORCE 控制)产品信息
DownloadDownload
PowerFlex 755TS 产品(配备 TotalFORCE 控制)安装
DownloadDownload
PowerFlex 755TS 转矩精度模块(TAM)安装
DownloadDownload
PowerFlex 755TS DC 熔断器和熔断器座安装

套件

DownloadDownload
PowerFlex 755TS 变频器 Frame 1~5 EMC C2 磁芯套件安装
DownloadDownload
PowerFlex 755TS Drives Frames 1...5 EMC C2 Plate and Cores Kits Installation
DownloadDownload
PowerFlex 755TS 变频器 Frame 2~5 凸缘安装适配器套件安装
DownloadDownload
PowerFlex 755TS 变频器 Frame 6 电源端子防护套件安装
DownloadDownload
PowerFlex 755TS 变频器 Frame 6 和 Frame 7 DC 母排套件安装
DownloadDownload
PowerFlex 755TS 变频器 Frame 6 和 Frame 7 EMC C3 套件安装
DownloadDownload
PowerFlex 755TS 变频器 Frame 6 和 Frame 7 法兰安装适配器套件安装
使用您的产品。
DownloadDownload
PowerFlex 755TS 产品(配备 TotalFORCE 控制)硬件维修手册
DownloadDownload
带 TotalFORCE 控制的 PowerFlex 750-Series 产品快速入门
DownloadDownload
PowerFlex 变频器(带 TotalFORCE 控制)编程手册
DownloadDownload
带 TotalFORCE 控制的 PowerFlex 变频器内置 EtherNet/IP 适配器用户手册

电子表格

DownloadDownload
带 TotalFORCE 控制的 PowerFlex 变频器参数参考数据
DownloadDownload
PowerFlex 变频器(具备 TotalFORCE 控制)条件参考数据
想了解更多信息?
DownloadDownload
PowerFlex 700S 变频器 Frame 1~6 至 PowerFlex 755TS 变频器 Frame 1~6 升级指南
DownloadDownload
PowerFlex 755 Drive 到 PowerFlex 755TS Drive 升级指南
DownloadDownload
PowerFlex 750 系列带 TotalFORCE 控制产品参考手册
DownloadDownload
PowerFlex 755T 磁通矢量调谐应用技术
DownloadDownload
适用于 PowerFlex 755T 产品的 EtherNet/IP 网络集成运动控制与 TotalFORCE 控制应用技术

PowerFlex 755T Drives Documentation

Open All
Close All
需要技术规格参数?
DownloadDownload
PowerFlex 低压变频器选型指南
DownloadDownload
带 TotalFORCE 控制的 PowerFlex 750-Series 产品技术规格
DownloadDownload
PowerFlex 755TM IP00 开放型套件规格

认证

Literature LibraryLiterature Library
Browse PowerFlex 755T drive certification documents
准备好安装了吗?
DownloadDownload
PowerFlex 750-Series Products with TotalFORCE Control Installation (PDF)
HelpHelp
PowerFlex 750-Series Products with TotalFORCE Control Installation (HTML)
DownloadDownload
PowerFlex 750 系列服务推车和 DC 预充电模块升降机安装
DownloadDownload
PowerFlex 755T 功率模块服务坡道板说明
DownloadDownload
PowerFlex 755TM IP00 EMC C2 滤波器拆箱和起吊说明
DownloadDownload
PowerFlex 755TM AC预充电模块拆箱和起吊说明
DownloadDownload
PowerFlex 755TM DC预充电模块拆箱和起吊说明
DownloadDownload
PowerFlex 755TM 电源和滤波器模块拆箱与起吊说明
DownloadDownload
PowerFlex 755TM 电源和滤波器模块存储硬件安装
DownloadDownload
PowerFlex Drives with TotalFORCE Control Wiring Diagrams

套件

DownloadDownload
PowerFlex 755 过渡段和拼接套件,适用于地面安装式驱动器和 CENTERLINE 2100 电机控制中心的安装
DownloadDownload
PowerFlex 755T EMC 电缆接头板和电缆夹套件安装
DownloadDownload
PowerFlex 755T Frames 5 and 6 Conduit Box with Debris Hood and Ground Plate Kits Installation
DownloadDownload
PowerFlex 755T 框架 5 和 6 EMC C2 滤波器套件安装
DownloadDownload
PowerFlex 755T 框架 5 和 6 船用放电套件安装
DownloadDownload
PowerFlex 755T 框架 6L 直流母排转换套件
DownloadDownload
PowerFlex 755TM IP00 Open Type 套件安装
使用您的产品。
DownloadDownload
PowerFlex Drives with TotalFORCE Control - Firmware Revision 10.xxx or later Programming Manual (PDF)
InformationInformation
PowerFlex Drives with TotalFORCE Control - Firmware Revision 10.xxx or later Programming Manual (HTML)
DownloadDownload
带 TotalFORCE 控制的 PowerFlex 变频器 - 固件版本 6.xxx 或更低版本编程手册
DownloadDownload
PowerFlex 750 系列交流变频器(带 TotalFORCE 控制)快速入门
DownloadDownload
PowerFlex Drives with TotalFORCE Control Built-in EtherNet/IP Adapter User Manual
DownloadDownload
PowerFlex 750-Series Products with TotalFORCE Control Hardware Service Manual - Frames 5 and 6 (PDF)
InformationInformation
PowerFlex 750-Series Products with TotalFORCE Control Hardware Service Manual - Frames 5 and 6 (HTML)
DownloadDownload
PowerFlex 750-Series Products with TotalFORCE Control Hardware Service Manual - Frames 6L and 7L (PDF)
InformationInformation
PowerFlex 750-Series Products with TotalFORCE Control Hardware Service Manual - Frames 6L and 7L (HTML)
DownloadDownload
PowerFlex 750-Series Products with TotalFORCE Control Hardware Service Manual - Frames 7...15 (PDF)
InformationInformation
PowerFlex 750-Series Products with TotalFORCE Control Hardware Service Manual - Frames 7...15 (HTML)

电子表格

DownloadDownload
带 TotalFORCE 控制的 PowerFlex 变频器参数参考数据
DownloadDownload
PowerFlex Drives with TotalFORCE Control Conditions Reference Data (firmware revisions 7.xxx...15.xxx)
DownloadDownload
PowerFlex Drives with TotalFORCE Control Conditions Reference Data (firmware revisions 1.xxx...6.xxx)
DownloadDownload
PowerFlex 755T Products with TotalFORCE Control Input Protection Devices Reference Data
想了解更多信息?
DownloadDownload
PowerFlex 700AFE 到 PowerFlex 755TM 再生母线电源升级指南
DownloadDownload
PowerFlex 700S 第二阶段变频器到 PowerFlex 755TL/TR 变频器和 PowerFlex 755TM 公共母线逆变器升级指南
DownloadDownload
PowerFlex 750 系列带 TotalFORCE 控制产品参考手册
DownloadDownload
PowerFlex 755T 磁通矢量调谐应用技术
DownloadDownload
适用于 PowerFlex 755T 产品的 EtherNet/IP 网络集成运动控制与 TotalFORCE 控制应用技术
DownloadDownload
PowerFlex 755TM 公共母线配置中的变频器及母线电源应用技术
DownloadDownload
脉宽调制(PWM)AC驱动器的接线和接地指南

PowerFlex 755TM Non-Regenerative Supply

Open All
Close All
需要技术规格参数?
DownloadDownload
PowerFlex 低压变频器选型指南
DownloadDownload
PowerFlex 755TM 非回馈电源规格
DownloadDownload
PowerFlex 755TM IP00 开放型套件规格

认证

Literature LibraryLiterature Library
Browse PowerFlex 755T drive certification documents
准备好安装了吗?
DownloadDownload
PowerFlex 755TM 非回馈电源产品信息
DownloadDownload
PowerFlex 755TM IP00 Open Type 套件安装
使用您的产品。
DownloadDownload
PowerFlex 755TM 非回馈电源用户手册
想了解更多信息?
DownloadDownload
PowerFlex 755TM 电源和滤波器模块拆箱与起吊说明
PowerFlex 755T Low Voltage VFD
PowerFlex 755T Low Voltage VFD
PowerFlex 755T Low Voltage VFD
Our PowerFlex® 755T low voltage variable frequency drives are designed to provide harmonic mitigation, regeneration, and common bus solutions that help reduce energy costs, add flexibility, and increase productivity.
 

寻找其他内容?

文献库
Literature LibraryLiterature Library
文献库

查找 Allen-Bradley 硬件和 FactoryTalk 软件产品的更多文档。

浏览库
版本说明
PCDCProduct Compatibility and Download Center
版本说明

在产品兼容性和下载中心 (PCDC) 中查找发行说明、AOP、EDS、固件和其他产品文件。

查找发行说明和下载
产品图纸
Product ConfiguratorProduct Configurator
产品图纸

启动产品配置器,通过目录号或关键字搜索图纸。

搜索产品图纸
知识库
KnowledgebaseKnowledgebase Support Center
知识库

浏览涵盖各种产品和技术的问答数据库。

获取答案
  1. Chevron LeftChevron Left Rockwell Automation 主页
  2. Chevron LeftChevron Left 支持
  3. Chevron LeftChevron Left 文档
  4. Chevron LeftChevron Left Technical Documentation Center
  5. Chevron LeftChevron Left 架构低压AC驱动器技术文档
  6. Chevron LeftChevron Left PowerFlex 755T 变频器资源 <rk__td__></rk__td__> PowerFlex 755T 变频器技术文档 <rk__td__></rk__td__> 快速查找技术内容,帮助您安装、配置、使用和维护 PowerFlex 755T 变频器。包括控制块图和参数与条件数据的下载。<rk__td__></rk__td__> 快速访问产品手册、图表和视频。 <rk__td__></rk__td__> PowerFlex 755T 变频器技术资源 <rk__td__></rk__td__> 新接触 PowerFlex 755T 变频器?<rk__td__></rk__td__> 框架详细信息 <rk__td__></rk__td__> 使用和操作 <rk__td__></rk__td__> 故障处理 <rk__td__></rk__td__> 控制框图 <rk__td__></rk__td__> 相关内容 <rk__td__></rk__td__> <p><span class="publication">PowerFlex®</span> <span class="publication">755T 变频器产品提供谐波抑制、再生、非再生和公共母线解决方案,有助于降低能源成本、提高灵活性和生产率。PowerFlex 变频器使用 TotalFORCE® 技术,通过精确、适应性的转矩、速度和位置控制实现电机控制。TotalFORCE 技术融合了多项专利功能,旨在帮助优化系统并通过延长机器正常运行时间来保持生产率。</span></p> <rk__td__></rk__td__> <h2><span class="h5 ff-primary-bold-rte">使用和操作</span></h2> <rk__td__></rk__td__> <h2><span class="h5 ff-primary-bold-rte">使用和操作</span></h2> <rk__td__></rk__td__> <p>选择框架尺寸以获取硬件服务信息。</p> <rk__td__></rk__td__> <h2><span class="h5 ff-primary-bold-rte">故障处理</span></h2> <rk__td__></rk__td__> <h2><span class="h5 ff-primary-bold-rte">安装</span></h2> <rk__td__></rk__td__> <h2><span class="h5 ff-primary-bold-rte">首次使用 PowerFlex 755T 变频器?</span></h2> <rk__td__></rk__td__> <h2><span class="h5 ff-primary-bold-rte">框架详细信息<br/> </span></h2> <rk__td__></rk__td__> <p><span class="h5">PowerFlex 755TS 变频器文档</span></p> <rk__td__></rk__td__> ROK Talk on Drives 播客 <rk__td__></rk__td__> <h2><span class="ff-primary-bold-rte h5">控制框图<br/> </span></h2> <rk__td__></rk__td__> <p><span class="h5">PowerFlex 755T 变频器文档</span></p> <rk__td__></rk__td__> 框架 <rk__td__></rk__td__> <p><span class="h5">PowerFlex 755TM 非回馈电源</span></p> <rk__td__></rk__td__> <p>预测性维护功能的总体目标是实现对变频器、电机和机器的定期维护。</p> <p> </p> <p>了解有关预测性维护的更多信息:</p> <rk__td__></rk__td__>预防性和预测性维护 <rk__td__></rk__td__> <p> </p> <p>了解有关框架预防性和预测性维护的更多信息:</p> <rk__td__></rk__td__> <p>完成维修后,在通电之前,完成关于启动再生变频器、再生母线电源和公共母线逆变器的详细说明。</p> <p> </p> <p>了解有关维修后启动的更多信息(按框架):</p> <rk__td__></rk__td__> <p>了解如何配置、使用和访问 PowerFlex TotalFORCE 预测性维护的数据。<br> </br></p> <rk__td__></rk__td__>维修后启动 <rk__td__></rk__td__> PowerFlex 755T 预测性维护技术 <rk__td__></rk__td__> <p>要配置驱动模块以特定方式运行,必须适当配置某些驱动参数。</p> <rk__td__></rk__td__>参数 <rk__td__></rk__td__> <p>本章介绍了安装 PowerFlex 变频器产品所需的条件、要求和规范。</p> <rk__td__></rk__td__> 安装准备 <rk__td__></rk__td__> <p>要对驱动器问题进行故障处理,您可以:</p> <ul> <li>通过 Connected Components Workbench™、Studio 5000 Logix Designer® 或人机界面模块 (HIM) 查看故障和报警代码</li> <li>监视状态指示灯</li> <li>使用测试点</li> </ul> <rk__td__></rk__td__> <p>PowerFlex 755T 安装过程分为三个主要任务:</p> <p>• 机械安装机柜</p> <p>• 如有必要,进行机柜之间的电气互连</p> <p>• 进行电源和电机连接</p> <rk__td__></rk__td__> <p>流程图说明了 PowerFlex 755T 变频器的控制算法。</p> <rk__td__></rk__td__> 条件代码 <rk__td__></rk__td__> 机械和电气安装 <rk__td__></rk__td__> 车架 6 套件 <rk__td__></rk__td__> 框架 8-15 套件 <rk__td__></rk__td__> 框架 5 套件 <rk__td__></rk__td__> <p>固件版本 14 (FRN14) 线路侧整流器和电机侧逆变器控制框图可单独或批量下载为 .zip 或 PDF 文件。</p> <rk__td__></rk__td__> 下载选项 <rk__td__></rk__td__> <p>这些图表仅供参考,可能无法准确反映所有逻辑控制信号;实际功能由近似图表表示。无法保证这些图表的准确性。</p> <rk__td__></rk__td__> 会议 <rk__td__></rk__td__> <p>访问完整的故障代码集:<a href="https://literature.rockwellautomation.com/idc/groups/literature/documents/rd/750-rd102_-en-p.xlsx">具有 TotalFORCE 控制的 PowerFlex 变频器条件参考数据</a>。</p> <rk__td__></rk__td__> 标准架构 <rk__td__></rk__td__> 安全 62443-4-2 认证系统 <rk__td__></rk__td__>安全架构 <rk__td__></rk__td__> 在 YouTube 上观看 PowerFlex 755T 预测性维护技术视频 <rk__td__></rk__td__> 车架 6L 套件 <rk__td__></rk__td__> 产品系列 <rk__td__></rk__td__> 框架 7L 套件 <rk__td__></rk__td__> 车架 7 套件 <rk__td__></rk__td__> 线路侧转换器(PowerFlex 755TL 变频器、755TR 变频器和 755TM 母线电源)<rk__td__></rk__td__> 控制框图 <rk__td__></rk__td__> 框架 7 和 8...15 <rk__td__></rk__td__>了解如何使用参数 <rk__td__></rk__td__> 框架 6L 和 7L <rk__td__></rk__td__> 框架 6L 和 7L <rk__td__></rk__td__> 框架 7 和 8...15 <rk__td__></rk__td__> 在 YouTube 上观看 PowerFlex 755TS 变频器故障和报警视频 <rk__td__></rk__td__> 下载带 TotalFORCE 控制参数的 PowerFlex 变频器电子表格 <rk__td__></rk__td__> 了解有关安装准备的更多信息(PowerFlex 755T 变频器) <rk__td__></rk__td__>.ZIP <rk__td__></rk__td__> 了解如何使用故障、报警、事件和异常代码<rk__td__></rk__td__> 了解有关机械和电气安装(PowerFlex 755T 变频器)的更多信息 <rk__td__></rk__td__> PowerFlex 755T 变频器标准架构 <rk__td__></rk__td__> PowerFlex 755T 变频器安全架构 <rk__td__></rk__td__> PowerFlex 755T 变频器安全架构 <rk__td__></rk__td__>电机侧逆变器<rk__td__></rk__td__> 框架 5 和 6 <rk__td__></rk__td__> 框架 5 和 6 <rk__td__></rk__td__> 下载带 TotalFORCE 控制状态代码的 PowerFlex 变频器电子表格 <rk__td__></rk__td__> 浏览 PowerFlex 755TS 变频器认证文档 <rk__td__></rk__td__> 浏览 PowerFlex 755T 变频器认证文档 <rk__td__></rk__td__> 浏览 PowerFlex 755T 变频器认证文档 <rk__td__></rk__td__> 位置控制、归零、基准值和调节器图表 <rk__td__></rk__td__>PowerFlex 755T 框架 5 和 6 带碎屑防护罩和接地板套件的导线管盒安装<rk__td__></rk__td__> 11 系列和 22 系列输入和输出图 <rk__td__></rk__td__>扭矩控制、滤波器、概述和参考图<rk__td__></rk__td__> PowerFlex 变频器与 TotalFORCE 控制 - 固件版本 10.xxx 或更高版本编程手册 (HTML) <rk__td__></rk__td__> 线路侧转换器数据 <rk__td__></rk__td__>PowerFlex 755TS 变频器框架 1...5 EMC C2 板和磁芯套件安装<rk__td__></rk__td__> 具有 TotalFORCE 控制功能的 PowerFlex 变频器 - 固件版本 10.xxx 或更高版本编程手册 (PDF) <rk__td__></rk__td__>搭载 TotalFORCE 控制技术的 PowerFlex 变频器 内置 EtherNet/IP 适配器用户手册 <rk__td__></rk__td__> 速度基准值和调节器图 <rk__td__></rk__td__> 过程控制图 <rk__td__></rk__td__> 其他图表 <rk__td__></rk__td__> 断电 <rk__td__></rk__td__> 电流基准值发生器 <rk__td__></rk__td__> 动态总线控制 <rk__td__></rk__td__> 锁相环路 <rk__td__></rk__td__> PowerFlex 750 系列产品(含 TotalFORCE 控制硬件)维修手册 - 框架 7...15 (PDF) <rk__td__></rk__td__> PowerFlex 750 系列产品(含 TotalFORCE 控制硬件)维修手册 - 框架 5 和 6(PDF)<rk__td__></rk__td__> PowerFlex 750 系列产品(含 TotalFORCE 控制硬件)维修手册 - 框架 7...15(HTML)<rk__td__></rk__td__> 配备 TotalFORCE 控制技术的 PowerFlex 750 系列产品安装手册 (PDF) <rk__td__></rk__td__>带 TotalFORCE 控制的 PowerFlex 750 系列产品安装指南 (HTML)<rk__td__></rk__td__> 采用 TotalFORCE 控制的 PowerFlex 变频器接线图 <rk__td__></rk__td__> <p>这些图适用于 PowerFlex 755TS、755TL、755TR 和 755TM 产品。</p> <rk__td__></rk__td__>无功功率控制 <rk__td__></rk__td__> 下垂控制 <rk__td__></rk__td__> PowerFlex 750 系列产品(含 TotalFORCE 控制硬件)维修手册 - 框架 6L 和 7L(PDF)<rk__td__></rk__td__>搭载 TotalFORCE 控制技术的 PowerFlex 750 系列产品硬件维修手册 - 框架 5 和 6 (HTML) <rk__td__></rk__td__> PowerFlex 750 系列产品(含 TotalFORCE 控制硬件)维修手册 - 框架 6L 和 7L(HTML)<rk__td__></rk__td__> PowerFlex 变频器的 TotalFORCE 控制条件参考数据(固件版本 1.xxx...6.xxx) <rk__td__></rk__td__> PowerFlex 755T 产品与 TotalFORCE 控制输入保护设备参考数据 <rk__td__></rk__td__> PowerFlex 变频器的 TotalFORCE 控制条件参考数据(固件版本 7.xxx...15.xxx) <rk__td__></rk__td__>计量 <rk__td__></rk__td__> 电流基准值发生器 <rk__td__></rk__td__> 电压基准值发生器 <rk__td__></rk__td__> 电流控制 <rk__td__></rk__td__> 功率因数校正 <rk__td__></rk__td__> 直流母线观测器 <rk__td__></rk__td__> 电压控制 <rk__td__></rk__td__> 驱动器降额 <rk__td__></rk__td__> 电流控制 <rk__td__></rk__td__> LSC 控制配置 <rk__td__></rk__td__>计量 <rk__td__></rk__td__> 线路侧转换器数据 <rk__td__></rk__td__> LSC 控制配置 <rk__td__></rk__td__> 位置控制 - 曲线仪/分度器 1 <rk__td__></rk__td__> 动态总线控制 <rk__td__></rk__td__> 断电 <rk__td__></rk__td__> 驱动器降额 <rk__td__></rk__td__> 功率因数校正 <rk__td__></rk__td__> 下垂控制 <rk__td__></rk__td__> 直流母线观测器 <rk__td__></rk__td__> 锁相环路 <rk__td__></rk__td__> 位置控制 - 锁相环路 <rk__td__></rk__td__> 位置控制 - 位置基准 CAM <rk__td__></rk__td__> 11 系列输入和输出 - ATEX <rk__td__></rk__td__>转矩控制 - 电流,同步磁阻电机<rk__td__></rk__td__> 位置控制 - 滚转位置指示器 <rk__td__></rk__td__> 位置控制 - 曲线仪/分度器 2 <rk__td__></rk__td__> 11 系列输入和输出 - 数字量 <rk__td__></rk__td__> 转矩控制 - 电流,适用于感应电机<rk__td__></rk__td__> 电压基准值发生器 <rk__td__></rk__td__>无功功率控制 <rk__td__></rk__td__> 电压控制 <rk__td__></rk__td__> 22 系列输入和输出 - 模拟量 <rk__td__></rk__td__> 位置调节器 <rk__td__></rk__td__>扭矩概述 <rk__td__></rk__td__>转矩控制 - 电流,适用于永磁电机<rk__td__></rk__td__> 速度基准值磁通矢量 - 移动曲线 <rk__td__></rk__td__> 摩擦补偿 <rk__td__></rk__td__> 位置归零 <rk__td__></rk__td__> 位置控制 - 锁相环路 <rk__td__></rk__td__> PTP 位置基准值 - 运动曲线 <rk__td__></rk__td__> 位置参考 1 <rk__td__></rk__td__> 位置控制 - 主轴定位 <rk__td__></rk__td__> 22 系列输入和输出 - 数字量 <rk__td__></rk__td__> 速度基准值 - 全部<rk__td__></rk__td__> 转矩基准值选择 <rk__td__></rk__td__> 过程控制 1 <rk__td__></rk__td__> MOP 控制 <rk__td__></rk__td__> 位置参考 2 <rk__td__></rk__td__> 位置控制 - 曲线仪/分度器 1 <rk__td__></rk__td__> 说明 PowerFlex 755T 变频器控制算法的控制框图。<rk__td__></rk__td__> 11 系列输入和输出 - 模拟量 <rk__td__></rk__td__> 转矩基准值凸轮 <rk__td__></rk__td__> 速度基准值概述 <rk__td__></rk__td__> 速度基准值 - 磁通矢量 <rk__td__></rk__td__>转矩控制 - 电流,适用于感应电机<rk__td__></rk__td__> 转矩基准值 <rk__td__></rk__td__>扭矩过滤器 <rk__td__></rk__td__> 过程控制 2 <rk__td__></rk__td__>负载观测器 <rk__td__></rk__td__>反馈配置和状态 <rk__td__></rk__td__>转矩控制 - 电流,同步磁阻电机<rk__td__></rk__td__> 控制逻辑 <rk__td__></rk__td__> 参考吊车应用的陷波滤波器 1 </span><rk__td__></rk__td__> 泵关闭 <rk__td__></rk__td__> 电机过载 <rk__td__></rk__td__>CBI 测量 <rk__td__></rk__td__> 逆变器过载 IT <rk__td__></rk__td__>抽油机和螺杆泵 <rk__td__></rk__td__> 磁通矢量概述 <rk__td__></rk__td__> 变频 (V/Hz)、SV 概述 <rk__td__></rk__td__> 位置控制 - 位置基准 CAM <rk__td__></rk__td__> PTP 位置基准值 - 运动曲线 <rk__td__></rk__td__> 位置控制 - 曲线仪/分度器 2 <rk__td__></rk__td__>速度调节器 - 磁通矢量<rk__td__></rk__td__> 位置归零 <rk__td__></rk__td__> 位置控制 - 滚转位置指示器 <rk__td__></rk__td__> 位置控制 - 主轴定位 <rk__td__></rk__td__> 位置参考 1 <rk__td__></rk__td__>速度基准值 - 全部<rk__td__></rk__td__>速度基准值选择<rk__td__></rk__td__> 速度基准值 CAM <rk__td__></rk__td__> 过程控制 1 <rk__td__></rk__td__> 摩擦补偿 <rk__td__></rk__td__> 11 系列输入和输出 - 数字量 <rk__td__></rk__td__> 11 系列输入和输出 - ATEX <rk__td__></rk__td__> 22 系列输入和输出 - 数字量 <rk__td__></rk__td__> 22 系列输入和输出 - 模拟量 <rk__td__></rk__td__> 转矩基准值凸轮 <rk__td__></rk__td__>转矩基准值选择 <rk__td__></rk__td__>转矩控制 - 电流,适用于永磁电机<rk__td__></rk__td__> 速度基准值磁通矢量 - 移动曲线 <rk__td__></rk__td__>扭矩概述 <rk__td__></rk__td__>扭矩过滤器 <rk__td__></rk__td__> 转矩基准值 <rk__td__></rk__td__> 电流/功率限制 <rk__td__></rk__td__> MOP 控制 <rk__td__></rk__td__>高速趋势向导 <rk__td__></rk__td__> PowerFlex 755T 整流器概述 <rk__td__></rk__td__> 位置参考 2 <rk__td__></rk__td__> 位置调节器 <rk__td__></rk__td__> 控制逻辑 <rk__td__></rk__td__> 速度基准值概述 <rk__td__></rk__td__> 速度基准值选择 <rk__td__></rk__td__> 速度基准值 - 磁通矢量 <rk__td__></rk__td__> 过程控制 2 <rk__td__></rk__td__> 泵关闭 <rk__td__></rk__td__> 电机过载 <rk__td__></rk__td__> 反馈配置和状态 <rk__td__></rk__td__> 变频 (V/Hz)、SV 概述 <rk__td__></rk__td__> 磁通矢量概述 <rk__td__></rk__td__>CBI 测量 <rk__td__></rk__td__> 逆变器过载 IT <rk__td__></rk__td__>速度调节器 - 磁通矢量<rk__td__></rk__td__> 速度基准值 CAM <rk__td__></rk__td__>负载观测器 <rk__td__></rk__td__>抽油机和螺杆泵 <rk__td__></rk__td__> 参考陷波滤波器 1 进行起重机应用 <rk__td__></rk__td__>高速趋势向导 <rk__td__></rk__td__> 电流/功率限制 <rk__td__></rk__td__>PowerFlex 755T 整流器概述
本网站上的内容已使用为人工智能 (AI) 翻译,未经人工审核或编辑。内容可能包含错误或不准确之处,并按“原样”提供,不提供任何形式的担保。英文版本内容为正式文本是内容的英文版本。
请更新您的Cookies偏好以继续.
此功能需要Cookies来增强您的体验。请更新您的系统偏好以允许使用这些Cookies:
  • 社交媒体Cookies
  • 功能Cookies
  • 性能 Cookies
  • 市场营销Cookies
  • 所有Cookies
您可以随时更新您的系统偏好。如需了解更多信息,请参阅我们的 {0} 隐私政策
CloseClose