技术参数
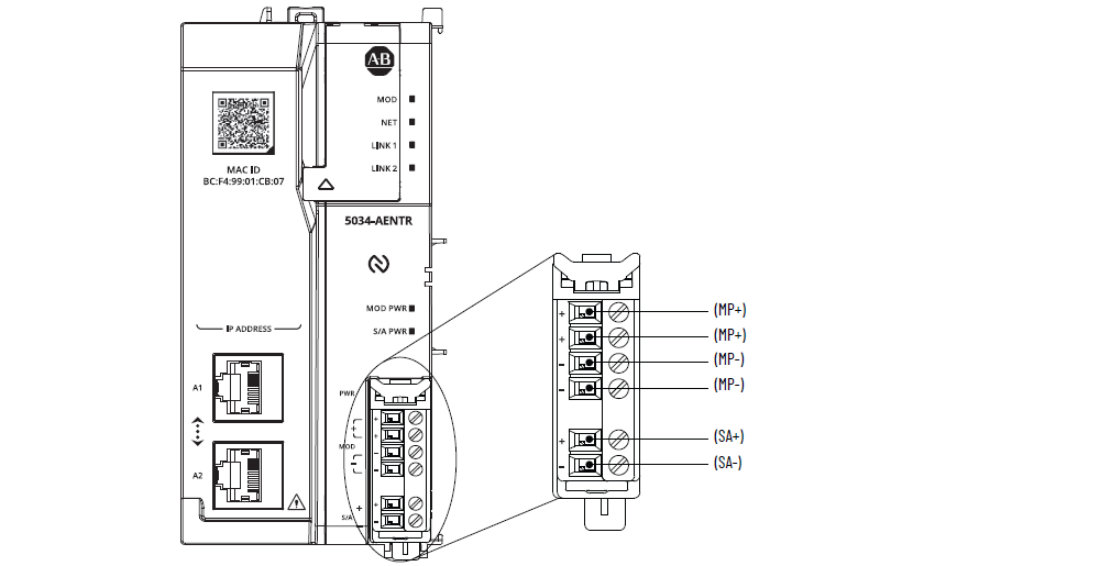
5034-AENTR 和 5034-AENTRXT 接线图

属性 | 5034-AENTR、5034-AENTRXT |
|---|---|
支持的 I/O 模块数 | 32 使用 16 个以上的 I/O 模块时,需要 5034-EXP 或 5034-EXPXT。 |
支持的 MB 数 | 18...30 V DC 时为 16 10…18 V DC 时为 8 |
标称 MP 电压 | 24 V DC 安全超低电压 |
MP 电压范围 | 10…30 V DC 安全超低电压 |
标称 MP 电流 | 24 V DC 时为 0.8 A |
最大 MP 电流 | 10 V DC 时为 850 mA (8 MB) 18 V DC 时为 800 mA (16 MB) 30 V DC 时为 500 mA (16 MB) |
电压和电流额定值,MP 浪涌,最大值 | 24 V DC 安全超低电压时为 6 A,持续 10 ms |
电压和电流额定值,SA | 10...30 V DC 安全超低电压,10 A SA 电源 RTB 上的电流消耗不得超过 10 A |
电压和电流额定值,背板 | 16 V DC,最大 300 mA (8 MB) 16 V DC,最大 600 mA (8 MB) |
无负载 SA 电源电流 | 2 mA |
最大功耗 | 3.6 W |
最大热量损耗 | 12.3 BTU/hr |
绝缘电压 | 250 V(连续),基本绝缘,SA 到背板 250 V(连续),基本绝缘,SA 到 MP 250 V(连续),基本绝缘,以太网端口到 SA 60 V(连续),基本绝缘,MP 到背板 60 V(连续),基本绝缘,以太网端口到 MP 60 V(连续),基本绝缘,以太网端口到背板 以太网端口之间无绝缘隔离 |
支持 RTB | 适配器随附有 RTB 和终端盖。 您可单独订购额外的螺纹式 (5034-AENRTB-QTY5) 和推入式弹簧型 (5034-AENRTBS-QTY5) 可拆卸端子块。 |
接线类别 (1) | 2 - 电源端口 2 - 以太网端口 |
接线技术规范 | 关于可拆卸端子块接线技术参数,请参见 PointMax I/O 系统技术参数技术数据(出版号:5034-TD001) |
指示灯 | 1 个 绿色/红色模块状态指示灯 1 个绿色/红色网络状态指示灯 2 个绿色/红色网络连接状态指示灯 1 个绿色模块电源状态指示灯 1 个绿色 SA 电源状态指示灯 |
近似尺寸(高 x 宽 x 深) | 131.74 x 62.65 x 76 mm (5.18 x 2.46 x 2.99 in.) |
近似重量 | 200 g (7.05 oz.) – 5034-AENTR 202 g (7.13 oz.) – 5034-AENTRXT |
防护罩类型 | 无(开放式) |
北美温度代码 | T4 |
UKEX/ATEX 温度代码 | T4 |
IECEx 温度代码 | T4 |
NFC 通信频率 | 13.56 MHz 无源类型 |
(1) 使用此导体类别信息制定导体布线计划。 请参见 Industrial Automation Wiring and Grounding Guidelines(出版号:1770-4.1)。 请按照相应系统级安装手册中的描述,使用该导线类别信息来规划导线布线。 | |
提供反馈