5034-UB8 和 5034-UB8XT 数字量 8 输入/输出模块
5034-UB8 和 5034-UB8XT 接线图 – 输出模式

5034-UB8 和 5034-UB8XT 接线图 – 输入模式

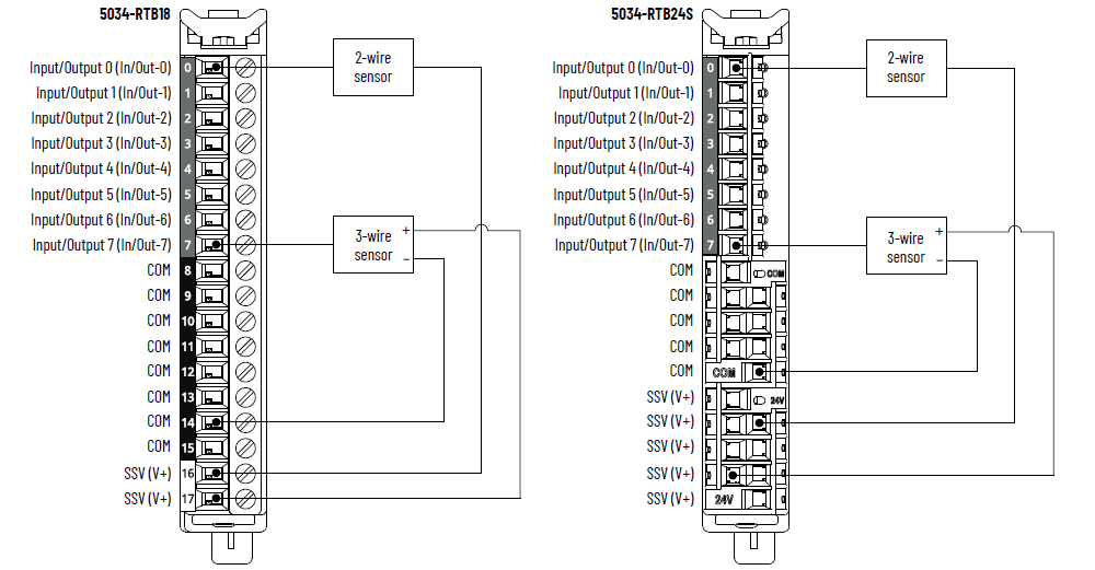
要建立更多的 COM/V+ 连接,尤其是在混合输入/输出配置下,请使用 5034-RTB24S,或在模块旁边安装 5034-MBPTM 或 5034-MBPTMXT。
仅使用 SSV (V+) 向与配置为数字量输入模式的点相连的传感器供电。
5034-UB8 and 5034-UB8XT 功能块图

属性 | 5034-UB8、5034-UB8XT |
|---|---|
导通电压范围 | 10…30 V DC |
最小通态电流 | 2 mA |
标称通态电流 | 4.5 mA |
最大通态电流 | 5 mA |
最大关断状态电压 | 5 V DC |
最大关断状态电流 | 1.5 mA |
最小输入阻抗 | 10 V DC 时为 2 kΩ |
标称输入阻抗 | 24 V DC 时为 5.3 kΩ |
最大输入阻抗 | 30 V DC 时为 15 kΩ |
输入延迟时间(螺丝到背板)(最大值) 由 Off … On 由 On … Off | 250 µs |
输入脉冲宽度(最小值) 由 Off … On 由 On … Off | 250 µs |
输入滤波器时间 由 Off … On 由 On … Off | 0 µs、500 µs、1 ms(默认值)、2 ms、5 ms、10 ms、20 ms、50 ms |
简单计数器,计数器频率 | 0...f 最大值 = 2,000 Hz |
输入时间戳(事件序列) | 是,±200 µs 精度 |
事件 | 不支持 |
属性 | 5034-UB8、5034-UB8XT |
|---|---|
导通电压范围 | 10…30 V DC |
导通状态压降(最大值) | 0.25 V DC |
每点通态电流(最小值) | 1.0 mA |
最大关断状态电压 关断状态断线检测禁用 | 最小负载为 1 mA 时为 5 V DC |
最大关断状态电压 关断状态断线检测启用 | 最小负载为 5 mA 时为 5 V DC |
每点关断状态漏电流(最大值) 关断状态断线检测禁用 | 0.1 mA |
每点关断状态漏电流(最大值 (1) )关断状态断线检测启用 | 0.5 mA |
每点输出电流额定值(最大值) | 0.5 A |
每模块输出电流额定值(最大值) | 4 A |
每点浪涌电流(最大值) | 1.2 A 持续 10 ms,每 3 s 可重复一次 |
允许感性负载(最大值) | 1.2 H |
关断时感性负载的输出电压限值 | (SA 电压 + VCL)...0 VCL 值:最小值为 -63 V,典型值为 -55 V,最大值为 -49 V 如需了解更多信息,请参见 PointMax 数字量 I/O 模块用户手册(出版号:5034-UM002)。 |
输出延迟时间(背板到螺丝)(最大值) 由 Off … On 由 On … Off | 0.5 A 时为 150 µs |
脉冲宽度(最小值) | 200 µs |
规划输出 | 支持,精度为 ±100 µs |
开路负载检测诊断 | 是,可配置(默认关闭) |
输出短路/过载检测 | 是 |
输出短路/过载保护 | 是 |
导向器负载额定值 | 浪涌电流 1.2 A,额定电流 0.5 A,DC-14 |
编程模式下每点输出状态 | Hold Last State On Off(默认值) |
故障模式下每点输出状态 | Hold Last State On Off(默认值) |
故障模式每点持续时间 | 1 s 2 s 5 s 10 s Forever(默认) |
故障模式后每点最终输出状态 | On Off(默认值) |
(1) 推荐的负载电阻 – 为了限制通过固态输出的漏电流的影响,可以将负载电阻与负载并联。 对于 24 V 直流操作,使用 5.6 kΩ/0.5 W 电阻进行晶体管开关操作。 | |
属性 | 5034-UB8、5034-UB8XT |
|---|---|
输入/输出数量 | 8 个通道,可配置,灌电流输入,拉出式输出 |
SA 电源电压(标称值) | 24 V DC |
SA 电源电压范围 | 10…30 V DC |
SA 电源电流(标称值) | 4.1 A |
SA 电源电流(最大值) | 4.2 A |
无负载 SA 电源电流 | 14 mA |
SA 反极性保护 | 是 |
SSV 电压范围 | 遵循 SA 供电规范 |
最大 SSV 电流 | 0.8 A |
SSV 短路检测 | 是 |
最大功耗 (1) | 1.36 W |
最大热量损耗 (1) | 4.63 BTU/hr |
绝缘电压 | 250 V(连续),基本绝缘类型,系统侧到现场侧 SA 电源与输入/输出端口之间无隔离 各个输入/输出端口之间无隔离 |
支持 RIUP | 是 |
CIP Sync | 仅支持从站普通时钟 |
电子匹配功能 | 通过编程软件实现电子匹配功能 |
RTB 钥匙位置(插槽) | 1, 5, 8 |
支持 RTB | 5034-RTB18、5034-RTB18S、5034-RTB24S |
接线类别 (2) | 2 - 信号端口 2 - 电源端口 |
接线技术参数 | 关于可拆卸端子块接线技术参数,请参见 PointMax I/O 系统技术参数技术数据(出版号:5034-TD001) |
指示灯 | 1 个绿色/红色模块状态指示灯 1 个绿色/红色 SA 电源状态指示灯 8 个黄色/红色 I/O 状态指示灯 |
近似尺寸(高 x 宽 x 深) | 123.6 x 15.0 x 66.4 mm (4.87 x 0.59 x 2.61 in.) |
近似重量 | 45.0 g (1.59 oz.) – 5034-UB8 47.0 g (1.66 oz.) – 5034-UB8XT |
防护罩类型 | 无(开放式) |
北美温度代码 | T4 |
UKEX/ATEX 温度代码 | T4 |
IECEx 温度代码 | T4 |
(1) 在 60 °C (140 °F) 下测量的值。 功耗因温度而异。 (2) 使用此导体类别信息制定导体布线计划。 请参见 Industrial Automation Wiring and Grounding Guidelines(出版号:1770-4.1)。 请按照相应系统级安装手册中的描述,使用该导线类别信息来规划导线布线。 | |
提供反馈