搜索
Studio 5000 Logix Designer 联机帮助
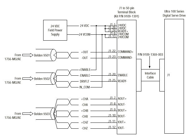
到 Ultra 100/Ultra 200 系列驱动器的布线
这仅仅是一种一般的布线示例。其它配置也有可能。要了解更多信息,请参阅《
Ultra 100
系列驱动器安装手册》。
这仅仅是一种一般的布线示例。其它配置也有可能。要了解更多信息,请参阅《
Ultra 200
系列驱动器安装手册》。
1756 I/O MO2AE 模块 (Module)
提供反馈
对本文档有问题或反馈吗? 请在
这里提交您的反馈
。
Normal