搜索
Studio 5000 Logix Designer 联机帮助
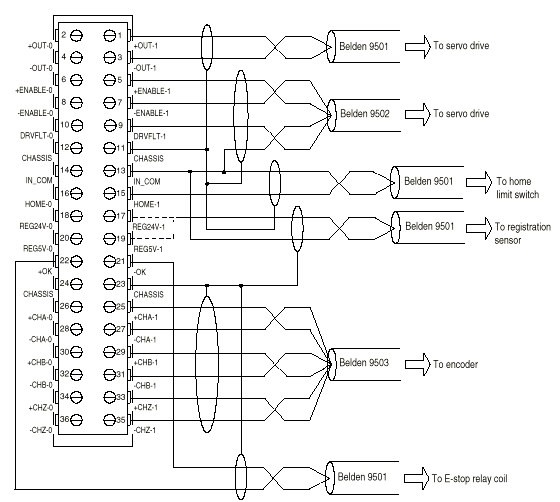
布线到伺服模块 (Module) RTB
这是一种一般的布线示例,仅演示了轴 (Axis) 1 布线。其它配置也有可能,轴 (Axis) 0 的布线与轴 1 完全相同。
1756 I/O MO2AE 模块 (Module)
提供反馈
对本文档有问题或反馈吗? 请在
这里提交您的反馈
。
Normal