搜索
Studio 5000 Logix Designer 联机帮助
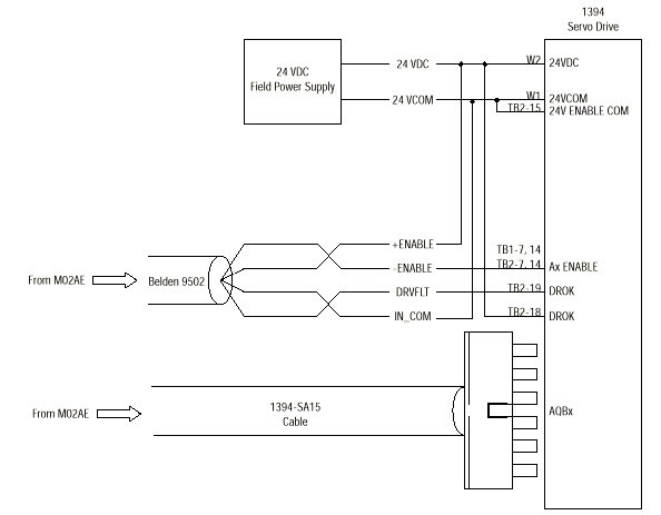
布线到 1394 伺服驱动器
这仅仅是一种一般的布线示例。其它配置也有可能。图中的 x 是 1394 轴 (Axis) 参考号(0、1、2 或 3),它指定 4 个可能的 1394 伺服驱动器轴的其中之一。要了解更多信息,请参阅《1394 数字多轴 (Axis) 运动控制系统用户手册》。
1756 I/O MO2AE 模块 (Module)
提供反馈
对本文档有问题或反馈吗? 请在
这里提交您的反馈
。
Normal