AXIS_SERVO 示意图
AXIS_SERVO 示意图包括:
- 带转矩伺服驱动器的位置伺服
- 带速度伺服驱动器的位置伺服
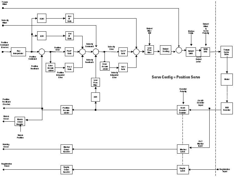
带转矩伺服驱动器的位置伺服
该配置表示将通过外部转矩环伺服驱动器进行全面的位置伺服控制。伺服环的同步输入数据包括给定位置、速度偏移和转矩偏移。控制器在运动组的近似更新周期更新这些值。
给定位置值直接由运动轨迹规划器的输出提供,而速度偏移和转矩偏移值则来自相应属性的当前值。

带速度伺服驱动器的位置伺服
该配置表示将通过外部速度环伺服驱动器进行全面的位置伺服控制。
请注意,在该配置中,速度环不是由伺服模块闭合,而由驱动器闭合。伺服环的同步输入数据包括给定位置和速度偏移。(忽略转矩偏移。)控制器在运动组的近似更新周期更新这些值。
给定位置值直接由运动轨迹规划器的输出提供,而速度偏移值则来自相应属性的当前值。
提供反馈