Search
Studio 5000 Logix Designer Online Help
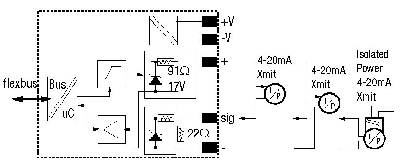
Wiring Diagram 1797-IE8
The 1797-IE8 uses the 1797-TB3 or –TB3S Terminal Base. Wiring to the Terminal Base is shown below.
Module Information
Provide Feedback
Have questions or feedback about this documentation? Please
submit your feedback here
.
Normal