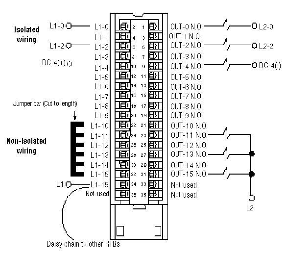
Wiring Diagram 1756-OW16I
All terminals with the same name are connected together on the module. For example, L1 can be connected to either terminal marked L1-15.
When you use the second L1-15 terminal to daisy chain to other RTBs, always connect the daisy chain to the terminal directly connected to the supply wire, as shown.
![]() | ![]() |
Provide Feedback

