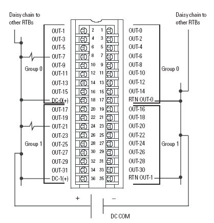
Wiring Diagram 1756-OV32E

  1. When you daisy chain from a group to another RTB, always connect the daisy chain to the terminal directly connected to the supply wire, as shown in the example.
  2. This wiring example uses a single voltage source.
  3. If separate power sources are used, do not exceed the specified isolation voltage
  4. Do not physically connect more than two wires to a single RTB terminal.
1756ov32e
Provide Feedback
Have questions or feedback about this documentation? Please submit your feedback here.
Normal