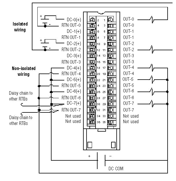
Wiring Diagram 1756-OH8I
All terminals with the same name are connected together on the module. For example, the load can be connected to either terminal marked OUT-0.
When you daisy chain to other RTBs, always connect the daisy chain to the terminal directly connected to the supply wire as shown.
![]() | ![]() |
Provide Feedback

