Wiring Diagram 1756-OB8EI, -OB8I
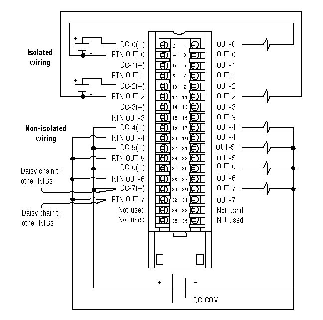
All terminals with the same name are connected together on the module. For example, the load can be connected to either terminal marked OUT-0.
When you daisy chain to other RTBs, always connect the daisy chain to the terminal directly connected to the supply wire, as shown.
1756-OB8EI RTB Terminal Assignment ![]() | 1756-OB8EI ![]() | |
You can operate the field devices of 10-30V dc rating by connecting them to the 1756-OB8I module on Output and GND through the Removal Terminal Block (RTB). The power supply must be connected to the module on VDC and GND through the RTB. You can control the 1756-OB8I module through the backplane and controller. When the Outputs are configured to OFF state, the Output device in the module will not be turn on and no current is conducted into the devices. When the Outputs are configured to ON state, the Output device in the module is turned on and conducts current to the devices. The 1756-OB8I module is capable of driving loads from 2 mA through 2.0A per channel, 16A per module at Ta=60’C. | ||
1756-OB8I RTB Terminal Assignment ![]() | 1756-OB8I ![]() | |
Provide Feedback



