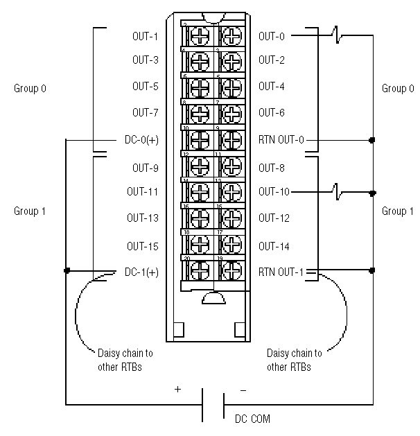
Wiring Diagram 1756-OB16E
When you daisy chain from a group to another RTB, always connect the daisy chain to the terminal directly connected to the supply wire, as shown.
This wiring example shows a single voltage source.
![]() | ![]() |
Provide Feedback

