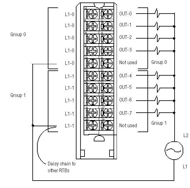
Wiring Diagram - 1756-OA8
All terminals with the same name are connected together on the module. For example, L1 can be connected to any terminal marked L1-0.
When you daisy chain from a group to another RTB, always connect the daisy chain to the terminal directly connected to the supply wire, as shown.
This wiring example shows a single voltage source.
![]() | ![]() |
Provide Feedback

