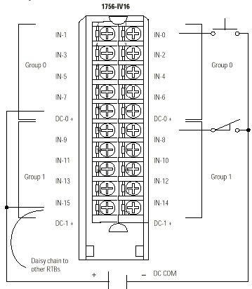
Wiring Diagram - 1756-IV16
All terminals with the same name are connected together on the module. For example, DC COM can be connected to either terminal marked GND-0. When you daisy chain from a group to anther RTB, always connect the daisy chain to the terminal directly connected to the supply wire, as shown. This wiring example shows a single voltage source. If you use separate power sources, do not exceed the specified isolation voltage | ![]() |
Provide Feedback
