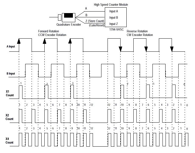
Encoder Mode Channel Phase Relationship
In the three Encoder modes, the 1794-VHSC accepts two-phase, quadrature feedback and counts up or down depending upon the condition of the phase B input for each counter. The phase relationship for forward or reverse directions is shown below.

Provide Feedback