Two Hand Run Station (THRS)
This instruction applies to the Compact GuardLogix 5370, GuardLogix 5570, Compact GuardLogix 5380, and GuardLogix 5580 controllers.
Use the Two Hand Run Station (THRS) instruction to provide a method to incorporate two diverse input buttons used as a single operation start button into a software programmable environment.
A run station can also be inserted or removed from controlling the process by using an Active Pin input in this instruction. The Two Hand Run Station with Active Pin Instruction takes the four inputs (two from each button) and turns them into one signal for the rest of the application.
Available Languages
Ladder Diagram

Function Block
This instruction is not available in function block.
Structured Text
This instruction is not available in structured text.
Operands
IMPORTANT:
Make sure that your safety input modules are configured as single, not Equivalent or Complementary. These instructions provide all dual channel functionality necessary for PLd (Cat. 3) or PLe (Cat. 4) safety functions.
The following table explains instruction inputs.
Operand | Data Type | Description | Values |
|---|---|---|---|
THRS | TWO_HAND_RUN_STATION | This parameter is a backing tag that maintains important execution information for each usage of this instruction. ![]() ATTENTION: To avoid unexpected operation do not reuse this backing tag and its members. Do not write to any of the tag members anywhere else in the program. | — |
Active Pin Type | BOOL | The Active Pin type determines whether or not the input and outputs specific to the Active Pin are processed. ENABLED or DISABLED | Enabled = 1 or Disabled = 0 |
Active Pin | BOOL | Active Pin for run station Active Pin Enabled - When set, the Buttons Pressed output can enter the Active state. When clear, the Buttons Pressed output remains off. Active Pin Disabled - Visible, but not used. | Initial = 0 Set = 1 |
Right Button Normally Open | BOOL | Right Button N.O. Contact Input | Safe = 0 Active = 1 |
Right Button Normally Closed | BOOL | Right Button N.C. Contact Input | Safe = 1 Active = 0 |
Left Button Normally Open | BOOL | Left Button N.O. Contact Input | Safe = 0 Active = 1 |
Left Button Normally Closed | BOOL | Left Button N.C. Contact Input | Safe = 1 Active = 0 |
Fault Reset | BOOL | Fault Reset Input Active Pin Enabled - When transitioned from off to on, and the fault cause has been cleared, the Right Button Fault, Left Button Fault and Station Active Fault outputs are cleared. Active Pin Disabled - When transitioned from off to on, and the fault cause has been cleared, the Right Button Fault and Left Button Fault outputs are cleared. | Initial = 0 Reset =1 |
The following table provides the outputs to the instruction. In many applications, the output tags may represent the state of actual field devices. They may also be internal tags used to represent machine state information for use with other instructions.
Operand | Data Type | Description | Values |
Buttons Pressed | BOOL | Output is enabled when the run station buttons are pressed and no faults are present. | Safe = 0 Active = 1 |
Station Active | BOOL | Output is enabled when the run station is active. Active Pin Enabled - Set indicates that the station is active. Cleared indicates that the station is inactive. Active Pin Disabled - Visible, but not used, always zero. | Initial = 0 Active = 1 |
Button Tiedown | BOOL | Indicates that both buttons were not pressed within 500 ms of each other. Cleared when both buttons are released. | Initial = 0 Active = 1 |
Cycle Buttons | BOOL | Set when the Button Tiedown indicator is set. Cleared when the Button Tiedown indicator is cleared. | Initial = 0 Active = 1 |
Station Active Fault | BOOL | Active Pin Enabled - Fault is set when the station is inactive. Active Pin Disabled - Visible, but not used, always zero. | Initial = 0 Active = 1 |
Right Button Fault | BOOL | There is a right button fault. Set when the Right Button Normally Closed and the Right Button Normally Open inputs are not both energized or not both de-energized within 250 ms. | Initial = 0 Active = 1 |
Left Button Fault | BOOL | There is a left button fault. Set when the Left Button Normally Closed and the Left Button Normally Open inputs are not both energized or not both de-energized within 250 ms. | Initial = 0 Active = 1 |
Fault Present | BOOL | One or more of the faults are present. Active Pin Enabled - Set when the Station Active Fault, Right Button Fault or Left Button Fault outputs are set. Cleared when the Station Active Fault, Right Button Fault and Left Button Fault outputs are cleared. Active Pin Disabled - Set when the Station Right Button Fault or Left Button Fault outputs are set. Cleared when the Right Button Fault and Left Button Fault outputs are cleared. | Initial = 0 Active = 1 |
IMPORTANT:
Do not write to any instruction output tag under any circumstances.
Example

Operation
Normal Operation
This instruction takes the four inputs (two from each button) and turns them into one signal for the rest of the application.
These normal operation state changes are shown in the following timing diagram:

See the
De-energize to Trip
section in the Safety Instructions
topic for information about how to condition the input data associated with the normally closed channel.Button Tie-Down Operation
The Two-Hand Run Station instruction also monitors the four inputs to make sure none of them fail or are intentionally defeated. If the buttons are not pressed within 500 ms (t1) of each other, this instruction generates a Button Tie-Down condition and prevents the Buttons Pressed output from entering the Active state.
These state changes are shown in the following timing diagram:

Cycle Buttons Operation
If, while Buttons Pressed is active, one of the buttons transitions from the Active state to the Safe state and back to the Active state before the other button transitions to the Safe state, this instruction sets the Cycle Buttons output prompt, and prevents the Buttons Pressed output from entering the Active state again until both buttons cycle through their Safe states.
These state changes are shown in the following timing diagram.

Button Fault Operation
This instruction also monitors the individual inputs from each button. If the two contacts for one of the buttons are in opposite safe states for more than 250 ms (t1), the appropriate fault is set (Left Button Fault or Right Button Fault). The Fault Present output is also set.
The Buttons Pressed output is set to the Safe state whenever one of these faults exists.
These state changes are shown in the following timing diagrams:
Left Button Fault

Right Button Fault

False Rung State Behavior
When the instruction is executed on a false rung the behavior is exactly the same as true rung state except all outputs, including prompts and fault indicators, will be zero. When the rung state becomes true the outputs will be set as determined by the instruction logic.
Affects Math Status Flags
No
Major / Minor Faults
None specific to this instruction. See
Index Through Arrays
for array-indexing faults.Execution
Condition/State | Action Taken |
|---|---|
Prescan | The .BP, .SA, .BT, .CB, .SAF, .RBF, .LBF and .FP are cleared to false. |
Rung-condition-in is false | The instruction executes as described in the False Rung State Behavior section. |
Rung-condition-in is true | The instruction executes as described in the Normal Operation section. |
Postscan | Same as Rung condition-in is false. |
Example
Relationship of I/O Wiring to Instruction Parameters
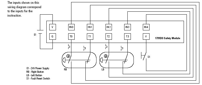
Two Hand Run Station with Active Pin Disabled Wiring and Programming
IMPORTANT:
The Two-Hand Run Station is wired properly when the four run button inputs are in the safe state when the run buttons are released.
The following wiring diagram is one example of how to wire right and left buttons to a 1791DS Safety I/O module to comply with ISO 13849-1 Category 4. Each button has 2 diverse input channels.

The following programming example shows how the Two-Hand Run Station without Active Pin instruction can be applied to the previous wiring diagram.

ISO 13849-1 Category 4 requires that inputs be independently pulse tested. The
Logix Designer
programming application is used to configure the following I/O module parameters for pulse testing.Input Configuration
Input Point | Type | Point Mode | Test Source |
0 (IN0) | Single | Safety Pulse Test | 0 (T0) |
1 (IN1) | Single | Safety Pulse Test | 1 (T1) |
2 (IN2) | Single | Safety Pulse Test | 2 (T2) |
3 (IN3) | Single | Safety Pulse Test | 3 (T3) |
4 (IN4) | Single | Safety | None |
Test Output
Test Output Point | Point Mode |
0 (T0) | Pulse Test |
1 (T1) | Pulse Test |
2 (T2) | Pulse Test |
3 (T3) | Pulse Test |
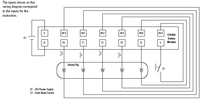
Two Hand Run Station with Active Pin Enabled Wiring and Programming
IMPORTANT:
The Two-Hand Run Station is wired properly when the four run button inputs are in the safe state when the run buttons are released.
The following wiring diagram is one example of how to wire right and left buttons to a 1791DS Safety I/O module to comply with ISO 13849-1 Category 4. Each button has 2 diverse input channels.

The following wiring diagram is one example of how to wire a Dummy Plug to a 1791DS Safety I/O module to comply with ISO 13849-1 Category 4. Each button has 2 diverse input channels.

The following programming examples show how the Two-Hand Run Station with Active Pin instruction can be applied to the wiring diagrams shown above.

ISO 13849-1 Category 4 requires that inputs be independently pulse tested. The
Logix Designer
programming application is used to configure the following I/O module parameters for pulse testing.Input Configuration
Input Point | Type | Point Mode | Test Source |
0 (IN0) | Single | Safety Pulse Test | 0 (T0) |
1 (IN1) | Single | Safety Pulse Test | 1 (T1) |
2 (IN2) | Single | Safety Pulse Test | 2 (T2) |
3 (IN3) | Single | Safety Pulse Test | 3 (T3) |
4 (IN4) | Single | Safety | None |
5 (IN5) | Single | Safety | None |
Test Output
Test Output Point | Point Mode |
0 (T0) | Pulse Test |
1 (T1) | Pulse Test |
2 (T2) | Pulse Test |
3 (T3) | Pulse Test |
Provide Feedback
