Enable Pendant (ENPEN)
This instruction applies to the Compact GuardLogix 5370, GuardLogix 5570, Compact GuardLogix 5380, and GuardLogix 5580 controllers.
The purpose of the Enable Pendant (ENPEN) instruction is to emulate the input functionality of a safety relay in a software programmable environment.
Available Languages
Ladder Diagram

Function Block
This instruction is not available in function block.
Structured Text
This instruction is not available in structured text.
Operands
IMPORTANT:
Make sure that your safety input modules are configured as single, not Equivalent or Complementary. These instructions provide all dual channel functionality necessary for PLd (Cat. 3) or PLe (Cat. 4) safety functions.
This table explains the instruction inputs.
Parameter | Data Type | Description | Values |
|---|---|---|---|
ENPEN | ENABLE_PENDANT | This parameter is a backing tag that maintains important execution information for each usage of this instruction. ![]() ATTENTION: To avoid unexpected operation do not reuse this backing tag and its members. Do not write to any of the tag members anywhere else in the program. | - |
Reset Type | BOOL | The reset type determines whether the instruction is using Manual or Automatic reset for Output 1. | Manual = 1
or
Automatic = 0 |
Channel A 1 | BOOL | Channel A Input (Normally Open) | Safe = 0,
Active = 1 |
Channel B 1 | BOOL | Channel B Input (Normally Open) | Safe = 0,
Active = 1 |
Circuit Reset | BOOL | Circuit Reset Input Manual Reset - Sets Output 1 after Channel A and Channel B transition from the Safe state to the Active state, and the Circuit Reset input transitions from zero to one. Automatic Reset - Visible, but not used. | Initial = 0
Reset = 1 |
Fault Reset | BOOL | After fault conditions are corrected for the instruction, the fault outputs for the instruction are cleared when this input transitions from off to on. | Initial = 0
Reset = 1 |
1
If this input is from a Guard I/O input module, make sure that the input is configured as single, not Equivalent or Complementary.This table explains the instruction outputs.
Parameter | Data Type | Description | Values |
|---|---|---|---|
Output 1 | BOOL | Output 1 is set to the Active state when input conditions are met. | Safe = 0
Active = 1 |
Cycle Inputs | BOOL | Cycle Inputs prompts for action. Before Output 1 is turned on, Channel A and Channel B inputs must be cycled through their Safe States simultaneously before the circuit can be reset. This prompt is cleared when Channel A and Channel B transition to the Safe state. | Initial = 0
Prompt = 1 |
Circuit Reset Held On | BOOL | Manual Reset - The Circuit Reset Held On prompt is set when both input channels transition to the Active states, and the Circuit Reset input is already on. The Circuit Reset Held On prompt is cleared when the Circuit Reset input is turned off. Automatic Reset - Visible, but not used. | Initial = 0
Prompt = 1 |
Inputs Inconsistent | BOOL | This fault is set when Channel A and Channel B inputs are in inconsistent states (one Safe and one Active) for a period of time greater than the Inconsistent Time Period (listed below). This fault is cleared when Channel A and Channel B inputs return to consistent states (both Safe or both Active) and the Fault Reset input transitions from off to on. Inconsistent Time Period: 500 ms | Initial = 0
Fault = 1 |
Fault Present | BOOL | The value is set whenever a fault is present in the instruction. Output 1 cannot enter the Active state when Fault Present is set. Fault Present is cleared when all faults are cleared and the Fault Reset input transitions from off to on. | Initial = 0
Fault = 1 |
IMPORTANT:
Do not write to any instruction output tag under any circumstances.
Operation
Normal Operation
This instruction monitors the states of two input channels and turns on Output 1 when the following conditions are met:
- When using Manual Reset: both inputs are in the Active state and the Circuit Reset input is transitioned from a zero to a one.
- When using Automatic Reset: both inputs are in the Active state for 50 ms.
This instruction turns Output 1 off when either one or both of the input channels returns to the Safe state.
Both input channels for the Enable Pendant (ENPEN) instruction are normally open. Zeros on both channels represent the Safe state, and ones on both channels represent the Active state.
These normal operation state changes are shown in the following timing diagrams:

Operation with Inconsistent Inputs
This instruction generates a fault if the input channels are in inconsistent states (one Safe and one Active) for more than the specified period of time. The inconsistent time period is 500 ms (t1).
This fault condition is enunciated via the Inputs Inconsistent and the Fault Present outputs. Output 1 cannot enter the Active state while the Fault Present output is active. The fault indication is cleared when the offending condition is remedied and the Fault Reset input is transitioned from zero to one.
These state changes are shown in the following timing diagram:

Operation with Circuit Reset Held On - Manual Reset Only
This instruction also sets the Circuit Reset Held On output prompt if the Circuit Reset input is set (1) when the input channels transition to the Active state.
These state changes are shown in the following timing diagram.

Cycle Inputs Operation
If, while Output 1 is active, one of the input channels transitions from the Active state to the Safe state and back to the Active state before the other input channel transitions to the Safe state, the Cycle Inputs output prompt is set. Output 1 cannot enter the Active state again until both input channels cycle through their Safe states.
These state changes are shown in the following timing diagram:

False Rung State Behavior
When the instruction is executed on a false rung the behavior is exactly the same as true rung state except all outputs, including prompts and fault indicators, will be zero. When the rung state becomes true the outputs will be set as determined by the instruction logic.
Affects Math Status Flags
No
Major / Minor Faults
None specific to this instruction. See Index Through Arrays for array-indexing faults.
Execution
Condition/State | Action Taken |
|---|---|
Prescan | The .O1, .CI, .CRHO, .II, and .FP are cleared to false. |
Rung-condition-in is false | The instruction executes as described in the False Rung State Behavior section. |
Rung-condition-in is true | The instruction executes as described in the Normal Operation section. |
Postscan | The instruction executes as described in the False Rung State Behavior section. |
Example
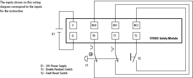
Manual Reset Wiring
The following wiring diagram is one example of how to wire a 2-channel switch having two normally open contacts to a 1791DS Safety I/O module to comply with ISO 13849-1 Category 4.

Manual Reset Programming Example
The following programming example shows how the Enable Pendant instruction with Manual Reset can be applied to the wiring diagram shown above.

ISO 13849-1 Category 4 requires that inputs be independently pulse tested. The Logix Designer application is used to configure the following I/O module parameters for pulse testing.
Input Configuration
Input Point | Type | Point Mode | Test Source |
0 (IN0) | Single | Safety Pulse Test | 0 (T0) |
1 (IN1) | Single | Safety Pulse Test | 1 (T1) |
2 (IN2) | Single | Safety | None |
3 (IN3) | Single | Safety | None |
Test Output
Test Output Point | Point Mode |
0 (T0) | Pulse Test |
1 (T1) | Pulse Test |
2 (T2) | Power Supply |
3 (T3) | Not Used |
Automatic Reset Wiring and Programming
The following wiring diagram is one example of how to wire a 2-channel switch having normally open contacts to a 1791DS Safety I/O module to comply with ISO 13849-1 Category 4.
WARNING:
Various safety standards (EN 60204, ISO 13849-1) require that when using the Automatic Circuit Reset feature, other measures must be implemented to make sure that an unexpected (or unintended) startup does not occur in the system or application.

Automatic Reset Programming Example
The following programming example shows how the Enable Pendant instruction with Automatic Reset can be applied to the wiring diagram shown above.

ISO 13849-1 Category 4 requires that inputs be independently pulse tested. The Logix Designer application is used to configure the following I/O module parameters for pulse testing.
Input Configuration
Input Point | Type | Point Mode | Test Source |
0 (IN0) | Single | Safety Pulse Test | 0 (T0) |
1 (IN1) | Single | Safety Pulse Test | 1 (T1) |
2 (IN2) | Single | Safety | None |
Test Output
Test Output Point | Point Mode |
0 (T0) | Pulse Test |
1 (T1) | Pulse Test |
2 (T2) | Power Supply |
Provide Feedback
