Second-Order Controller (SOC)
This information applies to the
CompactLogix
5370, ControlLogix
5570, Compact GuardLogix
5370, GuardLogix
5570, CompactLogix
5380, CompactLogix
5480, and ControlLogix
5580 controllers.The SOC instruction is designed for use in closed loop control systems in a similar manner to the PI instruction. The SOC instruction provides a gain term, a first order lag, and a second order lead.
Available Languages
Ladder Diagram
This instruction is not available in ladder diagram.
Function Block

Structured Text
SOC(SOC_tag);
Operands
Function Block
Operand | Type | Format | Description |
|---|---|---|---|
SOC tag | SEC_ORDER_CONTROLLER | Structure | SOC structure |
SEC_ORDER_CONTROLLER Structure
Input Parameter | Data Type | Description |
|---|---|---|
EnableIn | BOOL | Enable input. If cleared, the instruction does not execute and outputs are not updated.
Default is set. |
In | REAL | The analog signal input to the instruction.
Valid = any float
Default = 0.0 |
Initialize | BOOL | The instruction initialization command. When set, Out and internal integrator are set equal to the value of InitialValue.
Default is cleared. |
InitialValue | REAL | The initial value input. When Initialize is set, Out and integrator are set to the value of InitialValue. The value of InitialValue is limited using HighLimit and LowLimit.
Valid = any float
Default = 0.0 |
Gain | REAL | The proportional gain for the instruction. If the value is out of range, the instruction limits the value and sets the appropriate bit in Status.
Valid = any float > 0.0
Default = minimum positive float |
WLag | REAL | First order lag corner frequency in radians/second. If the value is out of range, the instruction limits the value and sets the appropriate bit in Status.
Valid = see the Description section below for valid ranges
Default = 0.0 |
WLead | REAL | Second order lead corner frequency in radians/second. If the value is out of range, the instruction limits the value and sets the appropriate bit in Status.
Valid = see the Description section below for valid ranges
Default = 0.0 |
ZetaLead | REAL | Second order lead damping factor. If the value is out of range, the instruction limits the value and sets the appropriate bit in Status.
Valid = 0.0 to 10.0
Default = 0.0 |
HighLimit | REAL | The high limit value. This is the maximum value for Out. If HighLimit LowLimit, the instruction sets HighAlarm and LowAlarm, sets the appropriate bit in Status, and sets Out = LowLimit.
Valid = LowLimit < HighLimit maximum positive float
Default = maximum positive float |
LowLimit | REAL | The low limit value. This is the minimum value for Out. If HighLimit LowLimit, the instruction sets HighAlarm and LowAlarm, sets the appropriate bit in Status, and sets Out = LowLimit.
Valid = maximum negative float LowLimit < HighLimit
Default = maximum negative float |
HoldHigh | BOOL | The hold high command. When set, the value of the internal integrator is not allowed to increase in value.
Default is cleared. |
HoldLow | BOOL | The hold low command. When set, the value of the internal integrator is not allowed to decrease in value.
Default is cleared. |
TimingMode | DINT | Selects timing execution mode. 0 = Periodic mode 1 = Oversample mode 2 = Real time sampling mode For more information about timing modes, see Function Block Attributes.
Valid = 0 to 2
Default = 0 |
OversampleDT | REAL | Execution time for oversample mode.
Valid = 0 to 4194.303 seconds
Default = 0 |
RTSTime | DINT | Module update period for real time sampling mode
Valid = 1 to 32,767ms
Default = 1 |
RTSTimeStamp | DINT | Module time stamp value for real time sampling mode.
Valid = 0 to 32,767ms
Default = 0 |
Output Parameter | Data Type | Description |
|---|---|---|
EnableOut | BOOL | Indicates if instruction is enabled. Cleared to false if Out overflows. |
Out | REAL | The calculated output of the algorithm. |
HighAlarm | BOOL | The maximum limit alarm indicator. Set when the calculated value for Out HighLimit and the output is clamped at HighLimit. |
LowAlarm | BOOL | The minimum limit alarm indicator. Set when the calculated value for Out LowLimit and the output is clamped at LowLimit. |
DeltaT | REAL | Elapsed time between updates. This is the elapsed time in seconds used by the control algorithm to calculate the process output. |
Status | DINT | Status of the function block. |
InstructFault (Status.0) | BOOL | The instruction detected one of the following execution errors. This is not a minor or major controller error. Check the remaining status bits to determine what occurred. |
GainInv (Status.1) | BOOL | Gain < minimum positive float. |
WLagInv (Status.2) | BOOL | WLag > maximum or WLag < minimum. |
WLeadInv (Status.3) | BOOL | WLead > maximum or WLead < minimum. |
ZetaLeadInv (Status.4) | BOOL | ZetaLead > maximum or ZetaLead < minimum. |
HighLowLimsInv (Status.5) | BOOL | HighLimit LowLimit. |
TimingModeInv (Status.27) | BOOL | Invalid timing mode.
For more information about timing modes, see Function Block Attributes. |
RTSMissed (Status.28) | BOOL | Only used in real time sampling mode. Set when ABS | DeltaT - RTSTime | > 1 (.001 second). |
RTSTimeInv (Satus.29) | BOOL | Invalid RTSTime value. |
RTSTimeStampInv (Status.30) | BOOL | Invalid RTSTimeStamp value. |
DeltaT (Status.31) | BOOL | Invalid DeltaT value. |
Structured Text
Operand | Type | Format | Description |
|---|---|---|---|
SOC tag | SEC_ORDER_CONTROLLER | structure | SOC structure |
See Structured Text Syntax for more information of the syntax of expressions within structured text.
Description
The SOC instruction provides a gain term, a first order lag, and a second order lead. The frequency of the lag is adjustable and the frequency and damping of the lead is adjustable. The zero pair for the second order lead can be complex (damping is less than unity) or real (damping
to unity). The SOC instruction is designed to execute in a task where the scan rate remains constant.
to unity). The SOC instruction is designed to execute in a task where the scan rate remains constant.The SOC instruction uses the following Laplace Transfer equation.

Parameter Limitations
The following SOC parameters have these limits on valid values.
Parameter | Limit |
|---|---|
WLead |
where DeltaT is in seconds |
WLag |
where DeltaT is in seconds |
ZetaLead | LowLimit = 0.0
HighLimit = 10.0 |
Whenever the value computed for the output is invalid or NAN, the instruction sets Out = the invalid value. The internal parameters are not updated. In each subsequent scan, the output is computed using the internal parameters from the last scan when the output was valid.
Limiting
The instruction stops wind-up based on state of the Hold inputs.
If: | Then: |
|---|---|
HoldHigh is set and Integrator > Integrator n-1 | Integrator = Integrator n-1 |
HoldLow is set and Integrator < Integrator n-1 | Integrator = Integrator n-1 |
The instruction also stops integrator windup based on the HighLimit and LowLimit values.
If: | Then: |
|---|---|
Integrator > IntegratorHighLimit | Integrator = IntegratorHighLimit |
Integrator < IntegratorLowLimit | Integrator = IntegratorLowLimit |
where:

The instruction also limits the value of Out based on the HighLimit and LowLimit values.
If: | Then: |
|---|---|
HighLimit LowLimit | Out = LowLimit
Integrator = IntegratorLowLimit
HighLowLimsInv is set
HighAlarm is set
LowAlarm is set |
Out HighLimit | Out = HighLimit
IntegratorLowLimit n-1
HighAlarm is set |
Out LowLimit | Out = LowLimit
Integrator = Integrator n-1
LowAlarm is set |
Affects Math Status Flags
No
Major/Minor Faults
None specific to this instruction. See Common Attributes for operand-related faults.
Execution
Function Block
Condition/State | Action Taken |
|---|---|
Prescan | EnableIn and EnableOut bits are cleared to false. |
Tag.EnableIn is false | EnableIn and EnableOut bits are cleared to false. |
Tag.EnableIn is true | EnableIn and EnableOut bit is set to true. The instruction executes. |
Instruction first run | N/A |
Instruction first scan | The internal parameters and Out are set to 0. Force recalculation of equation coefficients. |
Postscan | EnableIn and EnableOut bits are cleared to false. |
Structured Text
Condition/State | Action Taken |
|---|---|
Prescan | See Prescan in the Function Block table. |
Normal Execution | See Tag.EnableIn is true in the Function Block table. |
Postscan | See Postscan in the Function Block table. |
Example
The SOC instruction is a specialized function block that is used in applications where energy is transferred between two sections through a spring-mass system. Typically in these types of applications, the frequency response of the process itself can be characterized as shown in the bode diagram A below:

The SOC instruction implements a first order lag filter followed by a PID controller to implement a transfer function with an integration, a second order zero, (lead,) and a first order pole (lag.) With this instruction, PID tuning is simplified because the regulating terms are arranged so that you have WLead and ZLead as inputs to the SOC instruction, rather than Kp, Ki, and Kd values. The transfer function for the SOC instruction is:

Its corresponding bode diagram is shown in Diagram B below.

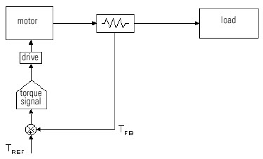
The SOC instruction can be used in a torque or tension regulating application where a load cell or force transducer is used as feedback and the output of the regulating scheme operates directly on the torque (current) minor loop of the drive. In many such applications, the controlled system may be mechanically under-damped and have a natural frequency which is difficult to stabilize as it becomes reflected through the feedback device itself.

Using the SOC instruction, PID tuning is simplified because the regulating terms can be arranged so that you have WLead and ZLead as inputs to the SOC instruction, rather than Kp, Ki, and Kd values. In this manner, the corner frequencies of the controller/regulator are easier to adjust and setup against the real world process. During startup, the natural frequency of the system and the damping factor can be measured empirically or on-site. Afterward, the parameters of the regulator can be adjusted to match the characteristics of the process, allowing more gain and more stable control of the final process.

In the system above, if Wlead is set equal to the system natural frequency, and if Wlag is set substantially above the desired crossover frequency, (> 5 times crossover), the resulting system response would look like the following:

In an actual application, the steps in using and setting up this instruction include:
Recognize the type of process that is being controlled. If the system’s response to a step function results in a high degree of ringing or can be characterized by the process curve shown above, this block may provide the regulating characteristics required for stable control.
Determine the natural frequency of the system/process. This can may be arrived at empirically - or it might be measured on-site. Adjust WLead so that it corresponds with, or is slightly ahead of, the natural frequency of the process itself.
Tune damping factor, Zlead, so that it cancels out any of the overshoot in the system.
Move WLag out far enough past the system crossover frequency (>5 times) and begin increasing overall Gain to achieve
Function Block

Structured Text
SOC_01.In := Process_Error;
SOC_01.Initialize := Regulator_Enable_Not;
SOC_01.Gain := Gain;
SOC_01.WLag := Lag_Radians_per_sec;
SOC_01.WLead := Lead_radians_per_sec;
SOC_01.ZetaLead := Damping_Factor;
SOC_01.HighLimit := Max_Out;
SOC_01.LowLimit := Min_Out;
SOC(SOC_01);
SOC_Out := SOC_01.Out;
Provide Feedback
LowLimit, the instruction sets HighAlarm and LowAlarm, sets the appropriate bit in Status, and sets Out = LowLimit.